自動車用電動パワーステアリング技術の系統化調査

Systematic Survey on Electric Power Steering Technology for Automobile


中浦 俊介 Shunsuke Nakaura

■要旨

人は歩いて移動する速さをはるかに超える「馬」に乗ることで、より遠くへ移動することができるようになった。
さらに街道などが整備されると馬などの動物が引く車輪付きの車が使われるようになり、人は便利な「馬車」を古くは古代ローマ時代から使用していた。馬車は騎手が手綱でかじ取りしていたが、自動車の誕生と同時にステアリングが必要とされるようになった。ステアリングとは、車や船などの進行方向を任意に変更するための「かじ取り装置」のことであり、日本語では、「操舵装置」と言われている。
自動車用ステアリングの起源は自動車の誕生と同時期と推測される。自動車の起源を調査すると、ニコラ・ジョゼフ・キュニョー(Nicolas-Joseph Cugnot)により製作された「三輪蒸気自動車」の第 1 号機( 1769 年)が世界最初の自動車と認められている。
ガソリン自動車は 1885 年にドイツのダイムラーがガソリンエンジンをオートバイに積んで走り、翌 1886 年には木製馬車にエンジンを搭載した四輪車で走行している。同じくドイツのベンツも 1886 年に三輪自動車、 89 年に四輪自動車を安全性を考慮した鉄製構造で製作し実用性にも配慮していた。
1900 年頃、フランスの自動車会社パナール・エ・ルヴァソール社(Panhard et Levassor)が製作した自動車に円形ステアリングホイール(ハンドル)と空気入りタイヤが装着された。
1950 年代に入るとウォームギヤとナット間に鋼球を挿入することで滑り摩擦を転がり摩擦へ変換し、軽い操作力を実現するボールねじ式ステアリングが誕生した。 1970 年代に入りフロントエンジン・フロントドライブ(FF)車の普及が始まると、コンパクトで高精度な操舵性能を持つラック&ピニオン式が主流となった。
パワーステアリングの始まりは油圧を用いて操舵力を補助する油圧式であった。油圧式は自然な操舵フィーリングと高級車・大型車への適用性に優れる一方、走行中に常時エネルギーを消費するため、省エネの観点から電動パワーステアリング(Electric Power Steering, EPS)が採用されていく。
世界初の電動パワーステアリングは 1988 年 3 月に日本の軽自動車へ搭載されたコラムアシストタイプである。 1989 年にはエンジンルーム搭載として世界初となるピニオンアシストタイプが日本の軽自動車に採用され、 1990 年には普通車向けラックアシストタイプが日本の新世代スポーツカーに搭載された。
欧州市場では油圧式の自然な操舵フィーリングが好まれ、 1990 年代中頃から電動ポンプ式油圧パワーステアリング(Hydraulic Electric Power Steering, H-EPS)が採用され始めた。
EPS はステアリングコラムに直流モータを内蔵するコラムアシストタイプを軽四輪車へ搭載して以降、日本の軽自動車市場を中心に普及した。 2000 年代には 10 年の市場実績で信頼性が評価され、より速いペースで普及が拡大する。
欧州市場では乗用車のパワーステアリング搭載率の拡大とともに小型車への需要が高まり、 1996 年頃から小型車への EPS 採用が進んだ。北米市場でも 2001 年に米国生産車として初の小型 SUV にコラムタイプ EPS が搭載された。
高出力が要求される中型車以上ではラックアシストタイプの採用が始まり、多くのステアリングメーカーが EPS 市場に参入した。 2010 年頃には油圧式と同等の搭載割合となり、 2010 年以降は中・大型車への搭載が加速して 2020 年には 70%以上の搭載率となった。より高性能なデュアルピニオンアシストタイプ(DP-EPS)やラックパラレルアシストタイプ(RP-EPS)が幅広く採用されている。
本報告書では自動車の歴史から調査を開始し、ステアリング技術の変遷、EPS の誕生から主流化に至る技術開発の系統を整理し、その結果を詳細にまとめた。


■Abstract

People were able to travel greater distances by riding horses, which were much faster than traveling on foot. As roads were laid, wheeled vehicles pulled by horses and other animals came into use, and horsedrawn carriages have been in use since ancient Roman times. These carriages required a rider to control the horse, but with the advent of the automobile, steering became essential. Steering is a system designed to intentionally change the direction of a vehicle's travel.
The origin of the automobile steering system is assumed to be contemporaneous with the birth of the automobile. An examination of the history of the automobile reveals that the first three-wheeled steam car, built by Nicolas-Joseph Cugnot in 1769, is recognized as the world's first automobile.
In 1885, Daimler of Germany mounted a gasoline engine on a motorcycle, and conducted a first test drive. The following year, in 1886, Daimler built a four-wheeled vehicle with an engine mounted on a wooden carriage. Meanwhile, Benz, also from Germany, focused on practicality by constructing a threewheeled car in 1886 and a four-wheeled car in 1889, both made with steel for added safety.
Around 1900, cars produced by the French automobile company Panhard et Levassor were fitted with a circular steering wheel and pneumatic tires.
In the 1950s, ball screw steering was developed. By inserting steel balls into the contact surface between the worm gear and nut threads, friction was shifted from sliding friction to rolling friction, similar to that of bearings, enabling steering with lighter steering effort. In the 1970s, as front-engine front-drive (FF) cars began to spread, the mainstream steering mechanism was switched from the ball screw type to the rack and pinion type offering advantages such as compactness for easier installation and more direct, precise steering with reduced play.
Power steering began with hydraulic power steering, which uses hydraulic power to assist with steering effort. One of its main advantages is that it offers a natural steering feel and can be easily adapted to both luxury and larger vehicles. However, hydraulic power steering wastes energy during operation, leading to the adoption of electric power steering from an energy conservation perspective.
As the world's first electric power steering, a column-assist type was installed in Japanese light vehicles in March 1988. In 1989, the first pinion-assist type electric power steering system, mounted in the engine compartment, was adopted in Japanese light vehicles. Then, in 1990, Japan's leading new-generation sports vehicle became the first to feature the world's first rack-assist type electric power steering for a regular passenger car.
In contrast, the European market, which favored the natural steering feel of hydraulic steering, began adopting Hydraulic Electric Power Steering (H-EPS) in the mid-1990s.
The electric power steering (EPS) market has been growing mainly in the Japanese light vehicle sector since the introduction of the column-assist type EPS, which integrates a DC motor assist mechanism into the steering column. In the 2000s, the market began expanding more rapidly as the EPS gained a reputation for reliability, built on its 10 years of successful market performance.
In the European market, as the installation rate of power steering in passenger cars increased, the demand for power steering in compact cars also grew, leading to the adoption of EPS in compact cars around 1996. In the North American market, the first column-assist type EPS was installed in small SUVs as US production vehicles in 2001.
Japanese and European automakers began to adopt rack-assist type EPS for mid-sized and larger passenger cars that require high output, and domestic and foreign steering manufacturers began to actively enter the EPS market. By around 2010, the adoption of electric power steering had reached the same percentage as hydraulic power steering.
From 2010 onwards, the proportion of medium and large vehicles equipped with EPS increased as a faster pace worldwide, and by 2020, the EPS installation rate surpassed 70%. The dual-pinion type electric power steering (DP-EPS) and rack-parallel type electric power steering (RP-EPS), developed specifically for medium and heavy-duty vehicles, have been installed in more vehicles due to their superior performance.
This report begins by exploring the history of electric power steering technology for automobiles, starting with the development of automobiles and the evolution of steering systems. The next section presents a systematic survey of the technological advancements from the birth of EPS to its emergence as the leading steering system, in terms of installation rate for power steering, with a detailed summary of the findings.


■ Profile

中浦 俊介 Shunsuke Nakaura
国立科学博物館 産業技術史資料情報センター 主任調査員

1983 年 静岡大学電気工学科卒業

1983 年 光洋精工株式会社(現 株式会社ジェイテクト)入社

1993 年 光洋精工株式会社 ステアリング電装技術部主任

1998 年 光洋精工株式会社 ステアリング電装技術部要素設計グループ長

2003 年 株式会社ファーベス(国内出向)

2006 年 株式会社ジェイテクト 第 1 電子技術部第 11 室 室長

2015 年 株式会社ジェイテクト システム開発部 主査

2021 年 株式会社ジェイテクト 退職

2024 年 国立科学博物館 主任調査員

■ Contents

 1. はじめに  2. 電動パワーステアリングの構造と種類  3. 電動パワーステアリングの歴史  4. 電動パワーステアリングの開発と進化 ― 誕生~ 2000 年 ―  5. 電動パワーステアリングの開発と進化 ― 2000 年~ 2010 年 ―  6. 電動パワーステアリングの開発と進化 ― 2010 年以降 ―  7. 自動車用電動パワーステアリングの将来展望  8. おわりに   系統図


 1 はじめに

人の歴史は、移動の歴史とも言われるように、自分の足で移動するしかなかった人は「乗り物」を手に入れて、より遠くまで移動できることを望んでいた。最も古い乗り物は、丸太を水に浮かべ人力で移動して魚を取っていたと言われる。紀元前 3000 年ごろに、自然の力「風」を利用した船ができ、陸上では荷物の運搬に「動物」が使われ、人は「馬」に乗り始める。人は歩いて移動する速さをはるかに超える「馬」に乗ることで、より遠くへ移動することができるようになった。さらに、時代が進むと街道などが整備され、馬などが引く車輪付き車などが使われるようになり、人は便利な「乗り物」を手にすることになる1)2)

1733 年から 1840 年頃までの第一次産業革命において、「蒸気機関」が開発されると、それまで動物や風などの自然の力を利用していた乗り物を大きく変えることになった。 1770 年ごろイギリスでは石炭業が栄え鉄鋼業も始まり、汎用動力として回転軸出力のワットの蒸気機関が誕生している。

人を乗せた自動車としては、ニコラ・ジョゼフ・キュニョー(Nicolas-Joseph Cugnot)により製作された「三輪蒸気自動車」の第 1 号機( 1769 年)が、世界最初の自動車とされている。フランス陸軍から依頼された大砲を運搬する目的の「荷車」であった。車を自由に動かすのに必要なステアリングはギヤの組み合わせで構成されて、そのステアリングギヤ比は、現代のマニュアルステアリングの適正ギヤ比と同等となっていた。

ガソリン自動車は、 1885 年にドイツのダイムラーがガソリンエンジンを二輪車に積んで走り、その二輪車は世界初のオートバイと見なされ、翌 1886 年に木製馬車にエンジンが搭載された四輪車で走行している。同じくドイツのベンツも 1886 年に三輪自動車、 89 年に四輪自動車をいずれも安全性を考慮して鉄製の構造で作られており実用性にも配慮していた。

1900 年頃にフランスの自動車会社パナール・エ・ルヴァソール社(Panhard et Levassor)製作の自動車に、円型のステアリングホイール(ハンドル)、空気入りタイヤが装着された。パナールの丸型ハンドルの導入以降、左右の車輪を連結するタイロッドの構造として、スクリューナット型が開発されて以後、ギヤの組み合わせによるさまざまな方式が生み出された。

1950 年代に入るとそれらのギヤ方式に代わるものとしてボールねじ式ステアリングが登場する。スクリューナット型と基本的な構造は同じだが、ウォームギヤとナットのネジ山との接触面に鋼球が挿入されることで、ベアリングと同等に滑り摩擦から転がり摩擦へ変換され、軽い操作力での操舵を可能にした。

ステアリング機構の主流となっているラック&ピニオン式は、 1970 年代、FF(フロントエンジン・フロントドライブ)車の普及が始まると、搭載に有利なコンパクトさ、遊びが少なくダイレクトで正確な操舵性能から、ステアリング機構の主流となっていく。

パワーステアリングの始まりは、エンジンの出力にベルト連結されたステアリングポンプを回転して油圧を発生させ、油圧の力で操舵力を補助する油圧式パワーステアリングであった。油圧式の大きな利点として、自然な操舵フィーリングが得られること、高級車および大型車に容易に対応できることが魅力として挙げられる。一方、走行中はエネルギーを無駄に使用することになり、省エネの観点から電動式(電動パワーステアリング)が採用されていくことになる。

電動パワーステアリング(EPS:Electronic Power Steering)が世界最初に搭載されたのは、日本の軽自動車だった。 1988 年 3 月に生産を開始した電動パワーステアリングは、鈴木自動車工業株式会社(現 スズキ株式会社)の「セルボ」の特別仕様車に搭載され、企画台数(月 300 台)に対し、月 3,000 台を受注し好評を得ていた。 1989 年に、エンジンルーム搭載としては世界初となるピニオンタイプ電動パワーステアリングが三菱自動車工業株式会社の「ミニカ」に搭載された。 1990 年に、世界初普通車用電動パワーステアリングとして、ラックアシストタイプ電動パワーステアリングが本田技研工業株式会社の新世代スポーツカー NSX に搭載された。

欧州市場において電動ポンプ式油圧パワーステアリング(Hydraulic Electric Power Steering)が、 1990 年中頃から採用されるようになった。欧州市場はとくにディーゼルエンジンのシェアーが高く、レイアウト上エンジン駆動式油圧ポンプの搭載が困難なことから、欧州の自動車メーカー数社が搭載性に自由度を持つ電動ポンプ式油圧パワーステアリングを採用した。電動ポンプ式は、電動モータの制御を工夫することで省エネ性能を獲得して、省エネ型ステアリングシステムの一つの選択肢となった。

電動パワーステアリング(EPS)は、日本の市場を中心に普及拡大し、 2000 年代 EPS は 10 年の市場実績から信頼性に対する市場の評価も定まり、普及拡大のペースが拡大していく。そのころ、欧州と北米において、日本製 EPS の欧州製車両および北米製車両への搭載が始まっていた。その後、日欧の自動車メーカーが、高出力が要求される中型車以上の乗用車向けにラックアシストタイプ EPS の採用を開始し、国内外のステアリングメーカーが EPS 市場に参入する動きも活発になった。

本報告書は、自動車用電動パワーステアリングの技術開発の経緯を、自動車の歴史の調査から開始し、自動車開発の歴史とステアリング技術の変遷を最初に記述し、次のステップでは「電動パワーステアリングの誕生から、乗用車のパワーステアリング搭載率において No. 1 のステアリングシステム」になるまでの技術開発の系統化調査を実施し、その結果を詳細にまとめた。

第 2 章では、電動パワーステアリングの構造と作動原理を説明し、電動パワーステアリングの種類とその特徴を紹介する。

第 3 章では、「電動パワーステアリングの歴史」について、自動車とステアリングの始まりを説明し、自動車開発の歴史とステアリング技術の変遷について記述する。

第 4 章から第 6 章では、「電動パワーステアリングの開発と進化」について、電動パワーステアリングの技術開発が開始されると、新しいタイプの電動パワーステアリングが新規にラインナップされ、高出力化、高性能化、および高信頼性が達成されていく技術開発の動向について記述する。

第 7 章では、「自動運転技術」と「カーボンニュートラル」への対応を含め、自動車用電動パワーステアリングシステムの将来展望について考察する。

参考文献

1) https://scienceportal.jst.go.jp/gateway/sciencewindow/20180731_w01/
2) https://gigazine.net/news/20180101-history-of-transportation/

Contents に戻る



 2 電動パワーステアリングの構造と種類

本章では、電動パワーステアリング(EPS)の構造と作動原理を説明し、EPS の種類とその特徴を紹介する。

2.1 電動パワーステアリングの構造

自動車に搭載されているデュアルピニオンアシストタイプ電動パワーステアリングの構造を、図 2.1.1 を用いて説明する。運転者が操作して車両の進行方向を調整するためのステアリングホイール(ハンドル)、ステアリングホイールを固定し衝突時にはエネルギー吸収機能を提供するステアリングコラム、ステアリングコラムとラック&ピニオンギヤを機械的に接続するインタミディエイトシャフト、ステアリングホイールに加えられた操舵力を電気信号に変換するトルクセンサ、ピニオン軸の回転運動をラックバーの軸方向運動に変換して回転トルクをラック軸力に変換するラック&ピニオンギヤ、各種電気信号からパワーアシスト量を算出するコントロールユニット(ECU)、回転トルクを出力するモータおよびモータの回転トルクを増幅する減速機で構成される。


図 2.1.1 ステアリングシステムの仕組み 1)

図 2.1.1 ステアリングシステムの仕組み1)


図 2.1.1 を用いてステアリングシステムの作動原理を説明する。運転者がハンドル、すなわちステアリングホイールを操舵すると、インタミディエイトシャフトに捩れトルクが発生し、シャフトに発生した捩れトルクはトルクセンサにより電気信号に変換され、ECU に入力される。ECU は、トルク信号及び車速信号に応じたアシスト力を演算しモータを駆動して必要な電流をモータへ付加する。モータから発生する回転トルクは、減速機でトルク増幅されピニオンに伝達される。伝達されたピニオン回転トルクは、ラック&ピニオンギヤでラック軸力に変換される(図 2.1.2 参照)。


図 2.1.2 ステアリングシステムの基本動作 1)

図 2.1.2 ステアリングシステムの基本動作1)


2.2 電動パワーステアリングの種類

電動パワーステアリングは、コラムアシストタイプとラックアシストタイプに分類される(図 2.2.1 参照)。


図 2.2.1 ステアリングシステムの分類 1)

図 2.2.1 ステアリングシステムの分類1)


コラムアシストタイプ(C-EPS)は、コラム部に電動アシスト構成部品(トルクセンサ、モータ、ECU、減速機)が搭載されている(図 2.2.2 参照)。コラム部は、車室内に搭載されるので、防水が不要であり使用温度範囲も限定されるので、電動アシスト構成部品のコスト低減が実施され、小型車を中心に多くの車両に採用されている。


図 2.2.2 コラムアシストタイプ(C-EPS) 1)

図 2.2.2 コラムアシストタイプ(C-EPS)1)


ラックアシストタイプは、電動アシスト構成部品(トルクセンサ、モータ、ECU、減速機)が搭載される部位により下記の 3 種類に分類される。

ピニオンアシストタイプ(P-EPS)は、トルクセンサ、減速機、モータを一体化した EPS ユニットをラック&ピニオンギヤのピニオン軸に組付けた構造としている(図 2.2.3 参照)。エンジンルーム内への搭載システムのため、EPS ユニットの軸方向寸法の短縮、高温作動環境条件への対応、および防水構造が必要とされる。


図 2.2.3 ピニオンアシストタイプ(P-EPS) 1)

図 2.2.3 ピニオンアシストタイプ(P-EPS)1)


デュアルピニオンアシストタイプ(DP-EPS)は、アシスト機構をハンドル軸と分離し、2 軸のピニオンがラックと噛合う構造とすることで、アシスト機構の搭載位置に対する設計自由度が広がり、搭載性に優れ、新たな小型高強度の減速機を採用することで、高出力化を達成している(図 2.2.4 参照)。


図 2.2.4 デュアルピニオンアシストタイプ(DP-EPS) 1)

図 2.2.4 デュアルピニオンアシストタイプ(DP-EPS)1)


ラックパラレルアシストタイプは、ステアリングの操舵力をアシストするモータの出力を歯付きベルトによるギヤ減速とボールねじ機構による 2 段減速を採用しており、省スペースでより高出力なパワーアシストが提供できるので、大型車両や上級クラスの車両に搭載可能な EPS システムとしてラインナップされている(図 2.2.5 参照)。


図 2.2.5 ラックパラレルアシストタイプ(RP-EPS) 1)

図 2.2.5 ラックパラレルアシストタイプ(RP-EPS)1)


車両セグメントによって推奨される EPS システムを図 2.2.6 に示す。


図 2.2.6 車両セグメントと推奨 EPS システム 1)

図 2.2.6 車両セグメントと推奨 EPS システム1)


2.3 ステアリングの種類と進化

2001 年以降の、ステアリングシステム方式別のグローバルでの自動車生産台数の実績と予測を図 2.3.1 に示す。 2000 年頃は、油圧パワーステアリング(HPS)が主力のステアリングとして数多くの車両に採用されていた。その後、省エネに対する社会的な背景から、電動パワーステアリング(EPS)は、 2000 年以降生産台数を順調に増やし、 2010 年頃から大型車への搭載が始まり増加のペースが上がり、 2020 年では 70%以上の搭載率に到達している。

HPS
油圧パワーステアリング
H-EPS
電防ポンプ式油圧パワーステアリング
EPS
電動パワーステアリング
図 2.3.1 ステアリング方式別生産台数 2)

図 2.3.1 ステアリング方式別生産台数2)


EPS の種類別の搭載割合を図 2.3.2 に示す。最も採用されているのは、小型車向けに適したコラム部にアシスト機構を持つ C-EPS となっている。増加率でみると、中大型車への搭載に適したラック軸にアシスト機構を持つ、DP-EPS、RP-EPS の動向が注目される。

H-EPS
電防ポンプ式油圧パワーステアリング
RD-EPS
ラック同軸電動パワーステアリング
RP-EPS
ラックパラレルアシストタイプ
DP-EPS
デュアルピニオンアシストタイプ
P-EPS
ピニオンアシストタイプ
C-EPS
コラムアシストタイプ
図 2.3.2 EPS のタイプ別生産台数の割合 2)

図 2.3.2 EPS のタイプ別生産台数の割合2)


株式会社ジェイテクトで作成されたステアリング製品の変遷を図 2.3.3 に示す。EPS システムの開発の状況を確認すると、 1988 年に世界初の C-EPS 4)5) が開発されてから、低燃費化ニーズ、CO2 規制強化などを背景に、各タイプの EPS が次々と開発されている。


図 2.3.3 ステアリング製品の変遷 2)<br>(株式会社ジェイテクト作成)

図 2.3.3 ステアリング製品の変遷2)
(株式会社ジェイテクト作成)


2.4 EPS 要素技術の進化

EPS の発展に必要となるのが、EPS の要素技術の開発と進化である。EPS を支える要素部品として、トルクセンサ、モータ・ ECU、および減速機が挙げられる。株式会社ジェイテクトにおける要素部品開発の進化を以下に記載する3)

2.4.1 トルクセンサ

トルクセンサは、応答性、信頼性、耐久性を向上させるために、スリップリング接触式ポテンショメータ式トルクセンサから、磁気特性の変化を検出する非接触 2 ボビン式トルクセンサを開発し 1989 年 6 月に切り替えている。

また、 2006 年にはコンパクトで温度特性に優れたホール IC 式トルクセンサが開発され、コラムの衝突安全性向上にも適しているので、ホール IC 式に順次切り替えられた(図 2.4.1 参照)。そして、ホール IC 式は、故障時にも動作継続できるように内部の回路を 2 系統搭載して、 2015 年に ISO 26262 に準拠した。


図 2.4.1 トルクセンサの進化 3)

図 2.4.1 トルクセンサの進化3)


2.4.2 モータ・ ECU

1988 年の初代 C-EPS は、ブラシ付きモータが採用され、その時の最大電流は 20 A であった。ブラシ付きモータは、高密度巻線の技術開発により小型化され、最大電流は 65 A まで出力の向上が図られた。

2000 年代初期にブラシレスモータの採用が開始され、モータ出力が大きくなり中型・大型車に EPS の適用車両が拡大された。ブラシレスモータは、モータの内部に回転角センサが搭載されており、回転角センサと ECU との接続を効率よく行えるように、モータと ECU を一体化した構造(MCU: Motor Control Unit)に統合される。そして、MCU は 2 系統駆動に対応するなど進化している(図 2.4.2 参照)。


図 2.4.2 モータ・ ECU 開発の変遷 3)

図 2.4.2 モータ・ ECU 開発の変遷3)


2.4.3 ウォーム&ウォームホイール減速機

ウォーム&ウォームホイール減速機は、C-EPS、P-EPS、DP-EPS 用の減速機として使用されており、耐久性・静粛性・量産性が要求される(図 2.4.3 参照)。耐久性向上と静粛性&操舵感向上に向けて、樹脂材の改良、歯諸元の改良、およびグリース改良など継続的な改善が実施されている(図 2.4.4 参照)。


図 2.4.3 ウォーム&ウォームホイール減速機 3)

図 2.4.3 ウォーム&ウォームホイール減速機3)

図 2.4.4 ウォーム&ウォームホイール減速機の開発変遷 3)

図 2.4.4 ウォーム&ウォームホイール減速機の開発変遷3)


参考・引用文献

1) https://www.jtekt.co.jp/assets/uploads/2022/12/files/catsa001ja.pdf JTEKT-カタログ 電動パワーステアリングシステム (2024.09.04 閲覧)
2) 松岡浩史、ステアリングシステムの発展と今後の展望、JTEKT Engineering Journal, No.1013, pp.10-15,(2015)
3) 社史編纂委員会編纂、EPS 進化を支える、要素技術の進化、ジェイテクト 10 年史、p.263,(2016)
4) https://www.iee.jp/file/foundation/data07/press/press15-all.pdf 第 15 回電気技術顕彰「でんきの礎」として 3 件を顕彰 一般社団法人電気学会 (2024.11.04 閲覧)
5) https://www.jtekt.co.jp/news/2022/000171.html 世界初の自動車用電動パワーステアリングシステムが一般社団法人電気学会より第 15 回電気技術顕彰「でんきの礎」受賞 (2024.09.24 閲覧)

Contents に戻る



 3 電動パワーステアリングの歴史

人は歩いて移動する速さをはるかに超える「馬」に乗ることで、より遠くへ移動することができるようになった。さらに、街道などが整備されると馬などが引く車輪付き車などが使われるようになり、人は便利な「馬車」を古くは古代ローマ時代から使用していた。馬車は、騎手が馬を手綱でかじ取りしていたが、自動車が誕生すると同時にステアリングが必要とされるようになった。

3.1 ステアリングとは(元祖)

ステアリングとは、車および船などの進行方向を任意に変更するための「かじ取り装置」のことであり、日本語では、「操舵装置」と言われている。

自動車用ステアリングの起源は、自動車の誕生と同時期と推測される。自動車の起源を調査すると、ニコラ・ジョゼフ・キュニョー(Nicolas-Joseph Cugnot)により製作された「三輪蒸気自動車」の第 1 号車( 1769 年)が、世界最初の自動車と認められている(図 3.1.1 参照)。フランス陸軍から依頼された大砲を運搬する目的の「荷車」であった。ステアリングはギヤの組み合わせで構成されていた。


図 3.1.1 キュニョーの三輪蒸気自動車 1)

図 3.1.1 キュニョーの三輪蒸気自動車1)
(パリ工芸博物館展示:1771 年修復後の 2 号車)


コラム:最古の自動車・キュニョーの三輪蒸気自動車 ― 最古のステアリングを復元 ―


株式会社ジェイテクトは、 1995 年当時にフランス駐在の技術者をリーダとして、「クルマを回す技術」をキャッチフレーズに、ステアリング起源の調査を実施している。まず、世界最古の自動車を調べると、「キュニョーの三輪蒸気自動車」であることが確認され、その結果、キュニョーの自動車のステアリング装置がステアリングの起源と判断された。そして、「最古のステアリングを復元」をキャッチフレーズにキュニョーのステアリング機構の復元に取り組んだ。

ニコラ・ジョゼフ・キュニョーは、 1725 年に当時オーストリア領の農民の息子として生まれ、23 歳の時にオーストリア軍に入隊し、従軍中に自動車の研究を始めたと言われている。 1763 年にフランスの外相シュワソールの要請によって、自動車の開発に着手した。そして、 1769 年に第 1 号車を完成させている。その車は大砲を運搬する目的で作られ、日本では「キュニョーの砲車」と呼ばれた。

キュニョーの自動車のステアリング装置を調査するために、調査メンバーは、自動車の実物が保管されているフランス国立工芸院技術博物館を訪問して、キュニョーの自動車の実物の写真と設計図のコピーを入手している。設計図は、詳細が確認できるような鮮明なものではなかったが、ステアリングらしきものが確認され、そのステアリング機構は、ピニオン *1とセクタギヤ(円の一部分を利用した扇形歯車)から構成されていることが確認できている。また、博物館とタイアップして復元のための図面の作成を行っていたパリ北部にあるコンピェーニュ工業大学(Universite de Technologie de Compiegne)のドゥブー教授(Prof. Joel Debout)の研究室を訪問して、自動車の外観図とスペック表(表 1 参照)を入手している。しかし、ステアリングの再現に必要な詳細図面は入手できなかった。


表 1 キュニョーの三輪蒸気自動車のスペック1)

寸法

ホイールベース     : 3.076m

動輪(前輪)径     : 1.28m

動輪(前輪)の幅    : 0.19m

後輪トレッド      : 1.75m

全  長        : 7.32m

全  高        : 2.2m

ボイラの直径      : 0.98m

ボイラの高さ      : 0.98m

火室の直径       : 1m

火室の高さ       : 0.30m

機関

2シリンダ

ピストン径       : 0.325m

ピストンストローク   : 0.305m

ピストンの高さ     : 45mm

性能

牽引能力        : 4~5トン

時  速        : 3.5~3.9 km/h

連続走行時間      : 12~15分


その後の調査により、フランスのムーズ県(パリの東 200 km)にキュニョー協会があるとの情報を入手している。そして、協会がキュニョー自動車の 1/5 レプリカを所蔵していることがわかり、キュニョー協会に連絡を取りそのレプリカを借用することに成功している。

復元メンバーは、入手している自動車の外観図およびフランスのキュニョー協会が所蔵している 1/5 レプリカを採寸しながら復元を実行している。復元されたキュニョーのステアリング機構の外観写真を図 1 に、復元するときに作成したステアリング機構の復元図を図 2 に示す。


図 1 復元されたキュニョーのステアリング機構 1)

図 1 復元されたキュニョーのステアリング機構1)

図 2 キュニョーのステアリング機構の復元図 1)
図 2 キュニョーのステアリング機構の復元図 1)

図 2 キュニョーのステアリング機構の復元図1)


復元の過程で明らかになったキュニョーのステアリングギヤの歯車の基本的な仕様(諸元)は、ピニオン 1 のギヤ歯数は 12、ピニオン 2 および 3 のギヤ歯数は 22、セクタギヤ(円の一部分を利用した扇形歯車)の全円周歯数は約 240 であった。この結果キュニョーのステアリングのギヤ比は、“20”となることが上記のギヤ歯数から計算することで明らかになった。このギヤ比は、現在のマニュアルステアリングの適正ギヤ比と同等となっている。

キュニョーの三輪蒸気自動車は、前輪から大きくオーバハングした位置に蒸気機関(ボイラ)が位置しており、この自動車の前軸荷重は 3 トンになると言われ、このように非常に大きな前軸荷重に逆らって操舵するために、何らかの減速機構が必要となり、その結果、ギヤ減速を持つステアリング機構を用いる必要があったのではないかと想像される。


*1  ピニオンとは、「小さい歯車のこと。かみ合う一対の歯車のうち小さいほうの歯車」


参考・引用文献

1)   上田浩章、藤井一雅、クルマを回す技術 ―最古のステアリングを復元―、Koyo Engineering Journal, No.148, pp.96-101,(1995)


3.2 自動車用ステアリングの初期

自動車が誕生したのは 1769 年、蒸気で走る自動車がフランスで制作された。電気自動車の歴史も極めて古く、ファラディによって 1820 年ごろに電気モータと発電機が考案されると、いろいろな電気自動車が開発されている。しかし、内燃機関の登場により、 1910 年代中ごろから衰退していった。

ガソリン自動車は、 1885 年にドイツのダイムラーがガソリンエンジンを二輪車に取り付け、それは世界初のオートバイと見なされ、翌 1886 年に木製馬車にエンジンが搭載された四輪車で走行している。この車は、ダイムラーのモトールキャリッジと呼ばれており、シュトゥットガルトで購入した駅馬車に 4 ストロークのガソリンエンジンを搭載していた(図 3.2.1 参照)。


図 3.2.1 ダイムラー 1886 年四輪車(復元品) 2)<br>(メルセデス・ベンツ博物館)

図 3.2.1 ダイムラー 1886 年四輪車(復元品)2)
(メルセデス・ベンツ博物館)


同じくドイツのベンツも自分が設計した 4 サイクルのガソリンエンジンを三輪車に搭載した。 1885 年に完成したこの自動車はベンツ・パテント・モトールヴァーゲンと名付けられたが、最初の試作車は操縦が難しく、公道で最初に成功したのは 1886 年であった。同年に世界で最初の「ガソリンを動力とする車両」に対する特許を取得している。車両は鋼管と木製で構成し、鋼鉄製のスポーク車輪とソリッドゴムタイヤ、手動式の後輪路面ブレーキ、動力の伝達は 2 つのローラーチェーンが用いられていた(図 3.2.2 参照)。


図 3.2.2 ベンツ 1886 年三輪車(復元品) 3)<br>(トヨタ博物館)

図 3.2.2 ベンツ 1886 年三輪車(復元品)3)
(トヨタ博物館)


ダイムラー 1889 年の四輪 2 号機のステアリング機構を残された写真から確認すると、現代の四輪自動車におけるステアリングに関する基礎的な理論であるアッカーマン機構 *1とみられるステアリングが使用されている(図 3.2.3 参照)。自転車と同形式のフロントフォークを 2 本平行にセットし、その上方をタイロッドで繋ぎ、タイロッドの中央からティラーを伸ばし、それを左右に移動することで操舵を行うという形式で構成されている4)


*1  
アッカーマン機構とは、1818 年にイギリスのアッカーマンによって発明されたもので、現在の四輪車のほとんど全てに用いられている。前車軸の両端についた車輪のみがキングピンを中心に首を振る。左右前輪の軸の延長線が、後車軸の延長線上の 1 点で交わるように首を振るので、スムーズに回ることができる。


図 3.2.3 基本的なアッカーマン機構 5)

図 3.2.3 基本的なアッカーマン機構5)


1900 年頃にフランスの自動車会社パナール・エ・ルヴァソール社(Panhard et Levassor)製作の自動車には、初期の自動車にはなかった円型のステアリングホイール(ハンドル)、空気入りタイヤが装着された(図 3.2.4 参照)。同年代、アメリカのチャールズ・デュリアが前輪にキングピン傾斜角とポジティブキャンバーを付けることを考案し、さらにキャスターを付けることによって直進性が向上し、操舵した車輪に復元力が生まれることも発見されて、ステアリングの基本理論が固まってきた。


図 3.2.4 1903 年頃のパナール社製作の自動車 6)

図 3.2.4 1903 年頃のパナール社製作の自動車6)


パナールの丸型ハンドルの導入以降、左右の車輪を連結するタイロッドの構造として、スクリューナット型が開発されて以後、ギヤの組み合わせによるさまざまな方式が生み出された。

1950 年代に入るとそれらのギヤ方式に代わるものとしてボールねじ式ステアリングが登場する。その構造を図 3.2.5 に示す。スクリューナット型と基本的な構造は同じだが、ウォームギヤとナットのネジ山との接触面に鋼球が挿入されることで、ベアリングと同等に滑り摩擦から転がり摩擦へ変換され、軽い操作力での操舵を可能にした。


図 3.2.5 ボールねじ式ステアリング 7)

図 3.2.5 ボールねじ式ステアリング7)


現在、ステアリング機構の主流となっているラック&ピニオン式の登場は早く、 1896 年、フランスの高級車メーカーであったレオン・ボレー(Léon Bollée) にて考案されていたが、当時の自動車への普及は進まなかった。その原因は、路面からのキックバックを伝えやすい特性が当時のステアリングへの要求と合致していなかったと考えられる。

しかしその後 1970 年代になり、FF(フロントエンジン・フロントドライブ)車の普及が始まると、搭載に有利なコンパクトさ、遊びが少なくダイレクトで正確な操舵性能から、ステアリング機構の主流となっていく。ラック&ピニオン式ステアリングを図 3.2.6 に示す。


図 3.2.6 ラック&ピニオン式ステアリング 8)

図 3.2.6 ラック&ピニオン式ステアリング8)


3.3 自動車用パワーステアリング

ガソリン自動車を誕生させたのはヨーロッパだったが、20 世紀に入って自動車産業の中心地はアメリカに移った。第二次世界大戦中における自動車の生産は軍事車両が優先され、乗用車の開発はストップしていた。世界のどの国よりも、いち早く民生用の自動車開発が進んだのは、アメリカだった。戦場となったヨーロッパと異なり、生産設備が無傷だったアメリカは、軍需に向けられていた工場を民生用に転換すればよかった。当時のアメリカでは、大きくてパワフルなクルマが求められていた。フルサイズのボディに大排気量の V8 エンジンを搭載したモデルが、広く大衆の支持を集めた。そして、オートマチックトランスミッション、パワーステアリングの搭載も急速に拡大した。

パワーステアリングの歴史は古く、 1920 年頃に最初は軍用車などに適用されていた。戦後になり、当時の米国の乗用車両は大型化されたことから、運転者のハンドル操舵力を軽減する必要性が出てきた。その結果、 1950 年代に米国の量産車にパワーステアリングが最初に採用されることとなった。その後、世界各国での採用が進み、自動車の総生産台数に対するパワーステアリングの適用比率は非常に高くなってきており、ほとんど全ての自動車に採用されると見込まれている。

パワーステアリングとして最初に採用され、数多くの自動車に搭載されてきた油圧パワーステアリングの詳細については、次のコラムで具体的に説明する。

コラム:油圧パワーステアリング


油圧パワーステアリングシステム(HPS: Hydraulic Power Steering System)は、図 1 に示すように、一般的に油圧パワーステアリングギア、プーリ付きポンプ(エンジン駆動式)、リザーバ、ホースから構成されている。

ハンドル中立状態では、図 2 に示すように、エンジン駆動のポンプから吐出された作動油は、ホースを経由してステアリングギヤのバルブハウジングの周囲 4 カ所に設けられた IN よりロータリーバルブ内に流入する。ハンドルを切っていないとき、作動油はバルブボディーとインプットシャフトの隙間を通り、圧力上昇を伴うことなく内側(トーションバー周囲)からリターン穴を通ってホースを経由してポンプ側へ戻される。その為、油圧補助力は発生しない。

ハンドル右切り時は、図 3 に示すように、ハンドルを右に切った場合、トーションバーが捩じられ、インプットシャフトが右へ回転し、バルブボディーとの間に位相のずれが生じる。その結果、左右の隙間の開口面積は、エッジ左側で小さく、エッジ右側で大きくなる。作動油は図の様な経路をたどり、右のシリンダへ流入し、右側シリンダの圧力を上昇させる。これは、一種のオリフィスと考えられ、作動油量を増加させることで、わずかな位相ずれでも大きな圧力を発生させることができる。

ハンドル左切り時は、右切り時と原理は同じである。図 4 に示すように、インプットシャフトが今度は左へ回転し、作動油は図の経路をたどって、左のシリンダに流入し、左側シリンダの圧力を上昇させる。

このように、ドライバのハンドル操作に合わせて左右のシリンダに油圧補助力を発生させ、ドライバのハンドル操作の負担を大幅に軽減させることが可能となる。

図 3 ハンドル右切り時 1)

図 1 油圧パワーステアリングの構成1)

図 4 ハンドル左切り時 1)

図 2 ハンドル中立1)

図 3 ハンドル右切り時 1)

図 3 ハンドル右切り時1)

図 4 ハンドル左切り時 1)

図 4 ハンドル左切り時1)

一般的に自動車によって消費される全エネルギーのうち、その 3%が HPS システムによって消費されると言われている。

HPS システムは、シリンダに供給された作動油の油圧補助力によってドライバのハンドル操作力を軽減するシステムである。その油圧源となるポンプは、プーリーベルトを介してエンジンにより駆動される。つまり、エンジン回転速度が低いときはポンプの回転速度も低くなり、吐出される作動油量も少なくなる。逆にエンジン回転速度が高いときは、ポンプから吐出される作動油量も増加する。つまり、ポンプの回転速度は、エンジン回転速度に比例している。

ここで、ドライバが実際にハンドルを操作する状況を考えてみる。通常、ドライバがハンドルを大きく操作する場面として、狭い路地を曲がったり、スーパーの駐車場に車を駐車したりする場面を容易に想像することができる。このような状況では、車の速度は非常に遅いため、エンジン回転速度も低く、ポンプ回転速度も比例して低くなる。ポンプは、通常このような低回転域においても快適な操舵フィーリングを実現させるだけの作動油量を確保するよう設計されている。

次に、ドライバが高速で車を走らせる状況を考える。すぐに思い浮かぶのは、まっすぐに伸びた高速道路を快走する場面である。このような場面では当然エンジン回転速度は高く、比例してポンプ回転速度やポンプからの吐出作動油量も増加する。しかし、ドライバが高速道路を走行中にハンドルを大きく操作することはない。つまり、ポンプから吐出された多量の作動油は、何ら仕事をすることなく、システム内をただ循環している。エンジンは、このように全く仕事をしないポンプを回すために、無駄なエネルギーを大量に消費していることになる。

参考・引用文献

1)   吉原愛仁、宮崎 修、次代を担う省エネ電動ポンプ式油圧パワーステアリング、自動車技術、Vol.58, No.4, pp.70-75,(2004)


3.4 電動パワーステアリングの誕生

電動パワーステアリング(EPS: Electric Power Steering)が世界最初に搭載されたのは、日本の軽自動車だった。

日本は、 1980 年に年間の自動車生産台数が 1,100 万台を突破し、アメリカを抜いて世界一位になった。当時の日本の自動車は小型自動車が主流で、パワーステアリングの搭載は限られた車両であったが、増加傾向であり、普及の兆しが見え始めていた。

軽自動車の年間生産台数 155 万台を記録した 1985 年に、電動パワーステアリングの量産車への搭載に向けた本格的な開発が始まった。同年は、女性ドライバの増加やセカンドカーブームも相まって、軽自動車の操舵力低減のためにパワーステアリングのニーズも高まってきたころでもあった。

当時の車両が採用していた油圧パワーステアリングは油圧ポンプをエンジンに搭載する必要があり、新たに油圧パワーステアリングを搭載するには、エンジンブロックを新規に用意する必要があった。特に、エンジン排気量の制限された軽自動車へ油圧ポンプを搭載する場合、常時油圧ポンプが回転しエンジンに余分な負荷を与え、走行時のエンジン出力の低下と燃費の悪化が懸念された。そのため、搭載性に優れ、省エネ型の電動パワーステアリングの登場が期待されていた。

車載用電子制御の搭載は、 1960 年代から国産車であれば 1970 年から始まり、初期の電子制御は、エンジンに燃料を噴射する「インジェクター」へ導入された。また、 1978 年にアンチロックブレーキシステムとして、ドイツの自動車機器サプライヤのロバートボッシュ社により「ABS」が開発された。そして、 1983 年には、世界最初の電子制御式油圧パワーステアリングが、日本で開発され搭載された9)。このように、自動車の三大要素「走る(Driving)」「曲がる(Steering)」「止まる(Braking)」に、車載電子制御がすでに搭載されていたことが、電動パワーステアリング誕生の後押しとなった。

1988 年 3 月に生産を開始した電動パワーステアリングは、鈴木自動車工業株式会社(現 スズキ株式会社)の「セルボ」の特別仕様車に搭載され、企画台数(月 300 台)に対し、月 3,000 台を受注するなど大きな反響があった。世界初の電動パワーステアリングを図 3.4.1 に、車両を図 3.4.2 に示す。 1994 年「電動パワーステアリングの実用化」が、日刊工業新聞・環境調査センター共催の「環境賞」を自動車部品として初めて受賞した12)。 2022 年 3 月には、一般社団法人電気学会が選定する第 15 回電気技術顕彰「でんきの礎」を受賞している13)14)


図 3.4.1 世界初の電動パワーステアリング 10)

図 3.4.1 世界初の電動パワーステアリング10)



図 3.4.2 1988 年 1 月 3 代目「セルボ」 11)<br>(スズキ株式会社 提供)

図 3.4.2 1988 年 1 月 3 代目「セルボ」11)
(スズキ株式会社 提供)


参考・引用文献

1) https://commons.wikimedia.org/wiki/File:Fardierde Cugnot20050111.jpg ウィキペディア(Wikipedia) キュニョーの砲車 (2024.11.06 閲覧)
2) https://commons.wikimedia.org/wiki/File:Mercedes-Benz-Museum_2015-01_by-Ra Boe_021.jpg ダイムラーのモトールキャリッジ 1886 年四輪車(復元品) メルセデス・ベンツ博物館 (2024.11.13 閲覧)
3) https://commons.wikimedia.org/wiki/File:Benz_Patent_Motorwagen_1886_(Replica).jpg ベンツのパテント・モトールヴァーゲン 1886 年三輪車(復元品) トヨタ博物館 (2024.11.13 閲覧)
4) https://www.bing.com/images/search?q=%e3%83%80%e3%82%a4%e3%83%a0%e3%83%a9%e3%83%bc+1889%e5%b9%b4&qpvt=%e3%83%80%e3%82%a4%e3%83%a0%e3%83%a9%e3%83%bc%e3%80%801889%e5%b9%b4&form=IGRE&first=1 ダイムラー 1889 年画像 (2024.08.28 閲覧)
5) https://commons.wikimedia.org/wiki/File:Ackermann.svg ウィキペディア(Wikipedia) アッカーマン・ジャントー機構 (2024.08.28 閲覧)
6) https://commons.wikimedia.org/wiki/File:Panhard_%26_Levassor_autocar,_C_S_Rolls_driver_and_George_V.jpg 1903 年頃のパナール (2024.11.13 閲覧)
7) 光洋精工株式会社、ボールねじ式ステアリングの構造について、Koyo Engineering Journal, No.109, pp.59-60,(1960)を基に筆者作成
8) 光洋精工株式会社、Koyo-TRW 社製ラック・ピニオン・ステアリング装置(RACK AND PINION TYPE STEERING GEAR)、Koyo Engineering Journal, No.117, pp.90-94,(1970)
9) 大道俊彦、平櫛周三、西田公洋、佐野 修、電子制御パワーステアリングについて、Koyo Engineering Journal, No.126, pp.37-40,(1984)
10) 株式会社ジェイテクト所有画像
11) 1988 年 1 月 3 代目「セルボ」 スズキ株式会社 広報部 商品広報課 画像提供 (2024.11.07)
12) https://biz.nikkan.co.jp/sanken/kankyo/list/award1994_2003.html 環境賞 1994 年度受賞 主催:国立環境研究所、日刊工業新聞社 (2024.11.04 閲覧)
13) https://www.iee.jp/file/foundation/data07/press/press15-all.pdf 第 15 回電気技術顕彰「でんきの礎」として 3 件を顕彰 一般社団法人電気学会 (2024.11.04 閲覧)
14) https://www.jtekt.co.jp/news/2022/000171.html 世界初の自動車用電動パワーステアリングシステムが一般社団法人電気学会より第 15 回電気技術顕彰「でんきの礎」受賞 (2024.09.24 閲覧)

Contents に戻る



 4 電動パワーステアリングの開発と進化 ― 誕生~ 2000 年 ―

油圧式パワーステアリングの大きな利点として、自然な操舵フィーリングが得られ、高級車および大型車まで容易に対応できることが魅力として挙げられる。一方、走行中はエネルギーを無駄に使用することになり、省エネの観点から電動式(電動パワーステアリング)が採用されていくことになる。

世界初の電動パワーステアリング(EPS)として、コラムアシストタイプ電動パワーステアリングが 1988 年 3 月に鈴木自動車工業株式会社(現 スズキ株式会社)の「セルボ」の特別仕様車に搭載された。 1989 年には、エンジンルーム搭載としては世界初となるピニオンアシストタイプ電動パワーステアリングが三菱自動車工業株式会社の「ミニカ」に搭載された。そして、 1990 年に、世界初の普通車用電動パワーステアリングとして、ラックアシストタイプ電動パワーステアリングが本田技研工業株式会社から発売された新世代のスポーツカー NSX に搭載された。

油圧式の自然な操舵フィーリングが好まれた欧州市場では、 1990 年代中頃から電動ポンプ式油圧パワーステアリング(Hydraulic Electric Power Steering)が採用されるようになった。

4.1 世界初電動パワーステアリング

軽自動車に従来の油圧パワーステアリング装着するには以下の問題があった。

1)  
エンジンルーム内に油圧ポンプの取り付けスペースを確保することが難しかった
2)  
油圧ポンプの消費動力が大である
3)  
油圧配管などシステム重量が大である

これらの問題点を解消する軽自動車に適したパワーステアリングとして、コラムアシストタイプ電動パワーステアリングが商品化され、 1988 年 3 月に軽自動車に採用された。以下に本システムの概要を Koyo Engineering Journal を参照して記述する1)

4.1.1 システム構成

システムレイアウトを図 4.1.1 に示す。システムは、トルクセンサ、モータ、クラッチ、減速機がステアリングコラムに搭載されている。コントロールユニットは車室内に搭載され、マニュアルのステアリングギヤは、エンジンルームに搭載され、インタミディエイトシャフトでコラムと締結されている。表 4.1.1 に本システムの主要諸元を示す。


図 4.1.1 システムレイアウト図 1)

図 4.1.1 システムレイアウト図1)

表 4.1.1 主要緒元 1)

表 4.1.1 主要緒元 1)

4.1.2 ステアリングコラムの構造

ステアリングコラムの構造を図 4.1.2 に示す。入力軸と出力軸はトーションバーを介して連結され、トーションバーと両軸はピンで固定されている。入力軸と出力軸には、断面 BB に示すストッパ機構が設けられ、万一、システム故障やトーションバー破損が発生してもストッパ機構を介しての操舵を可能にしている。


図 4.1.2 コラムアッセンブリの構造図 1)

図 4.1.2 コラムアッセンブリの構造図1)


一方、モータとクラッチは一体化されていて、クラッチはインボリュートスプラインを介してウォームと連結されている。そして、ウォームは、2 個の玉軸受にてその両端が支持され、出力軸に組み込まれているウォームホイールと嚙み合って、モータの出力を出力軸に伝達する。減速機にウォームとウォームホイールが採用され、小型で大きな減速比を達成している。また、ウォームホイールに樹脂材料を採用し、低騒音化とギヤの伝達効率の向上が図られている。

4.1.3 トルクセンサの構造

図 4.1.3 にトルクセンサの構造を示す。トルクセンサは、入出力軸間を連結しているトーションバーとポテンショメータ部、信号取り出し部から構成される。


図 4.1.3 トルクセンサ構造図 1)

図 4.1.3 トルクセンサ構造図1)


ポテンショメータ部は、ワイパ台とハイブリッド IC 基板により構成されていて、ワイパ台はピンを介して出力軸に固定され、ばねによりハイブリッド基板に押し付けられている。また、ハイブリッド基板上には、2 個の抵抗体と電圧―電流変換回路が設けられている。

電流信号取り出し部はスリップリングとワイヤブラシにより構成され、スリップリング部には前述のハイブリッド IC 基板が組み込まれている。そしてスリップリングはピンを介して入力軸に固定され、ワイヤブラシはハウジング側に組み込まれ、スリップリングの各溝部にワイヤブラシが接触するように配置される。したがって、入力軸の回転に関係なくポテンショメータ部で得られたトルク信号をコントロールユニットに送ることが可能な構造としている。

図 4.1.3 の断面 AA にポテンショメータ部の模式図を示す。入力軸にトルクを加えると、入力と出力軸間に相対角度変位が生じるが、断面 AA の①~③間に一定電圧が加えられているので、②からは相対変位に対応した電圧が得られる。この電圧は、電圧―電流変換回路で電流信号に変換され電流信号取り出し部を介して出力される。

なお、このシステムのトルクセンサは、ポテンショメータ部を含め、メイン系、サブ系の二重系として、システムの安全性が確保されている。

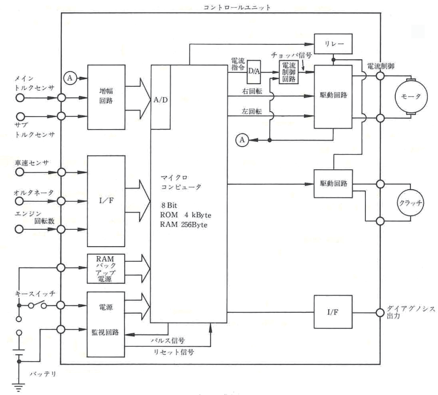
4.1.4 制御回路の構成

図 4.1.4 制御回路ブロック図を用いて、コントロールユニットの制御回路の構成について説明する。制御回路の中心は 8-bit の 1 チップマイクロコンピュータで、256 バイトの RAM、4 K バイトの ROM、8-bit の A/D コンバータを内蔵している。メイン及びサブの二重系のトルク信号及びモータ電流信号が A/D コンバータを介して、また、車速信号、エンジン回転数、バッテリ、電圧、スタータスイッチの ON/OFF 状態、オルタネータ L 端子電圧がインターフェイス回路を介してマイクロコンピュータに入力される。


図 4.1.4 制御回路ブロック図 1)

図 4.1.4 制御回路ブロック図1)


トルク信号が A/D コンバータを介してマイクロコンピュータに入力されると、マイクロコンピュータは車速域に応じて設けられているトルク―電流マップからモータ電流値を決定し、電流指令値を D/A コンバータへ出力する。ここで電流指令値はアナログ信号となり電流制御回路へ入力される。またマイクロコンピュータは同時にモータの回転方向指示信号を出力し、この信号はモータ駆動回路に送られ、モータの回転方向が決定される。

電流制御回路では、前述のアナログ信号化された電流指令値と実際の電流値を比較し、それらが一致するようにチョッパ信号を発生する。

駆動回路では前述のチョッパ信号と回転方向指示信号を受けて、指定の回転方向にモータトルクが発生するようにパワー MOS-FET を駆動して、モータの電流を制御する。

また車速信号に応じて参照されるトルク―電流マップが変るが、更に設定以上の車速になるとクラッチ駆動信号を遮断して、モータとウォーム歯車とを切り離すと共に、モータ駆動も停止する。その結果、システムはマニュアルステアリングとなる。

4.1.5 システムの動作説明

システムの動作を、図4.1.5システム模式図、図4.1.6システムブロック線図を用いて説明する。ステアリングホイールに加えられた入力トルク( Ti ) により入力軸が回転されるが、路面反力などステアリング系の負荷に対して、トーションバーに捩れが生じる。この捩れは入出力軸間の相対変位となり、その相対変位はトルクセンサによりトルク信号として電気信号に変換され、コントロールユニットに送られる。コントロールユニットはこのトルク信号と車速信号に応じてモータを電流制御する。この結果、モータは所定のトルクを出力するが、この出力トルクは減速機により増幅され、出力軸に加えられる。したがって、出力軸に加えられるトルクは、トーションバーの捩れによるトルク TS = K (θi −θo ) と減速機を介して加えられる動力補助トルク Tm の和となる。(ここで K はトーションバーのばね定数)この時操舵者の感じるトルクは、入力軸周りの摩擦を無視すると、トーションバーの捩れトルク K (θi-θo ) と一致する。

したがって、Ti = K (θi-θo ) の入力トルクにより K (θi-θo)+ Tm のトルクが出力される事になり、動力補助されている。出力軸は、動力補助されたトルクを発生して、ラック&ピニオンギヤを駆動する。


図 4.1.5 システム模式図 1)

図 4.1.5 システム模式図1)

図 4.1.6 システムブロック線図 1)

図 4.1.6 システムブロック線図1)


4.1.6 フェイルセーフ機能

コントロールユニットには、ハードウェア的、ソフトウエア的なフェイルセーフ機能が設けられており、構成部品に異常が発生した場合は動力補助を停止し、マニュアルステアリング化する事でシステムの安全性を確保している。また、検出された異常内容はマイクロコンピュータに記憶される。そして故障時には、ダイアグノシス出力に診断ツールを接続して自己診断コードを確認できるので、故障内容を把握する事が可能となっている。表 4.1.2 にフェイルセーフ、自己診断コードの一覧表を示す。

表 4.1.2 フェイルセーフ、自己診断コード1)

表 4.1.2 フェイルセーフ、自己診断コード 1)

4.1.7 システム性能

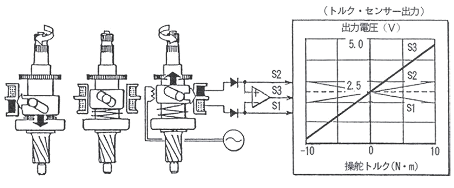
トルクセンサの入出力特性を図 4.1.7 に示す。コントロールユニットのトルクセンサ入力回路に 500 Ωの終端抵抗を接続する事で、トルクゼロ時のセンサ出力電流を 2.5 V に変換され、アナログの増幅回路を介して A/D コンバータに入力される。


図 4.1.7 入力トルク―センサ出力特性 1)

図 4.1.7 入力トルク―センサ出力特性1)


コントロールユニットのモータ制御特性を図 4.1.8 に示す。操舵トルク(センサ出力)に応じてモータ電流が制御されている。センサ出力に対するモータ電流特性は、車速域毎に変化する 6 種類の特性が設定されている。


図 4.1.8 センサ出力電流―モータ電流特性 1)

図 4.1.8 センサ出力電流―モータ電流特性1)


コラム単体の入力トルク―出力軸トルク特性を図 4.1.9 に示す。上段が入力トルクと出力軸トルクの特性を、下段が同時に測定された入力トルクとモータ電流の関係を示している。


図 4.1.9 入力トルク―出力軸トルク特性 1)

図 4.1.9 入力トルク―出力軸トルク特性1)

電動パワーステアリングシステムを実車に装着したときの据切り操舵力特性を図 4.1.10 に示す。図中の破線部はマニュアルステアリング、実線はパワーステアリングの操舵力特性である。最大転舵付近でのモータ電流は 20 A で、モータによる動力補助力は約 1 kg ・ m(9.8 Nm)である。パワーステアリングの操舵力は、マニュアルステアリングの約半分に低減されている。

図 4.1.10 据切り操舵力特性 1)

図 4.1.10 据切り操舵力特性1)


4.1.8 システムの特徴

モータ、減速機などのパワーユニットをコラム周りにまとめて設置された、コラムタイプ電動パワーステアリングは、ステアリングコラム部のみの変更で、パワーステアリング化が可能である。本システムの特徴を以下に示す。

①  
操舵特性(操舵トルク―モータ電流特性)は、マイクロコンピュータのソフトウエアにより設定されているので、プログラムの定数変更で設定変更が可能であり、車両に応じた操舵特性を短期間で得ることができること。
②  
必要時のみモータを駆動させるので、動力損失の低減となり、車両の燃料消費量の低減ができること。
③  
クラッチを内蔵し設定車速以上でモータと減速機を切り離すことにより、マニュアルステアリングと同等の高速安定性を確保できること。

4.2 電動パワーステアリング用非接触トルクセンサの開発

1988 年 3 月、軽自動車に世界で初めて電動パワーステアリングが採用された。その後、ニーズも増加傾向にあり、システムの信頼性向上、性能向上、および操舵感改善の要求が出てきていた。そこで、光洋精工株式会社(現 株式会社ジェイテクト)では、トルクセンサの応答性、耐久性を向上させるため、非接触トルクセンサを開発し 1989 年 6 月に量産を開始している。以下に、非接触トルクセンサの概略を Koyo Engineering Journal を参照して記述する2)

4.2.1 非接触トルクセンサの構造

図 4.2.1 に示すように、非接触トルクセンサの構造は、入出力軸シャフトを連結しているトーションバーと検出リング部、コイル部、およびプリアンプ部により構成されている。入力軸には、検出リング③と検出リング②が固定されている。出力軸には、検出リング①が固定されている。磁性体のコアで構成されるトルク検出用の検出コイルと、温度補償用の補償コイルがハウジング内部に組み込まれている。プリアンプ部は、表面実装基板と EMI フィルタで構成されハウジング上部に設置されている。そして、各コイルと基板はリード線により接続され、コイル部のインピーダンス変化を基板でトルク信号に変換し、コントロールユニットへ電流出力で伝えられる。


図 4.2.1 非接触トルクセンサの構造 2)

図 4.2.1 非接触トルクセンサの構造2)


4.2.2 検出原理

検出原理について、図 4.2.2 および図 4.2.3 を用いて説明する。図 4.2.2 の入力軸には検出リング③および検出リング②が設置され、出力軸には検出リング①が固定されている。入力軸にトルクが加えられると、トーションバーで接続された、入力軸と出力軸の間に捩れが発生し、検出リング①と検出リング②の互いに相対する歯部面積が変化することになる。検出リングの周囲には、検出コイルと補償コイルが設置され、検出リング部を含めた磁気回路が 2 個構成されている。入力軸に加えられたトルクは検出リング①と検出リング②の相対する歯部面積が変化し、検出コイルにより磁気回路のインピーダンスの変化に変換される。一方、補償コイルは検出リングの相対する歯部面積は一定なのでインピーダンスは変化しない。補償側コイルは、検出コイルとブリッジ回路を構成することで、両コイルに発生する温度変化によるインピーダンス変化をキャンセルすることが可能となり、良好な温度特性を達成している。


図 4.2.2 検出原理 2)

図 4.2.2 検出原理2)


両コイルに発生する電圧は、図 4.2.3 に示す検出回路に内蔵された 2 系統の差動増幅回路を用いて増幅される。そして、増幅された 2 個の電圧信号は、電圧―電流変換回路で電流信号に変換されて出力される。なお、電子部品を用いた差動増幅回路および電圧―電流変換回路は 2 系統用意されており、2 個の出力信号を比較することで、電子部品の故障を確実に検出できる回路構成となっている。


図 4.2.3 検出回路 2)

図 4.2.3 検出回路2)


4.2.3 基本性能

トルクセンサに要求される基本性能を表 4.2.1 に示し、センサの基本特性である入力トルク―センサ出力特性を図 4.2.4 に示す。


表 4.2.1 トルクセンサに要求される基本性能

No

項目

仕様値

1

使用温度範囲

−30~+65 ℃

2

保存温度範囲

−40~+85 ℃

3

トルク検出範囲

±6.86 Nm 以上

4

出力形式

電流出力

5

電流出力範囲

3.25~6.75 mA

6

リニアリティ

±2% FS 以下

7

ヒステリシス

±0.049 Nm 以下

8

ゼロ点温度ドリフト

±0.196 Nm 以下

9

周波数特性

DC~100 Hz


図 4.2.4 入力トルク―センサ出力特性 2)

図 4.2.4 入力トルク―センサ出力特性2)


非接触トルクセンサは電気的に完全非接触な構造で設計されているので、接触部を持つ他のトルクセンサに比べ耐久性に優れており、温度特性、リニアリティ、および周波数特性においても優れた性能が確保できている。この優れた特徴を生かして、電動パワーステアリングの採用拡大に大きく貢献した。

4.3 世界初ピニオンアシストタイプ 電動パワーステアリング

日本精工株式会社にて開発されたピニオンアシストタイプ電動パワーステアリングは、 1989 年に三菱自動車工業株式会社の「ミニカ」に搭載されている。エンジンルームに初めて搭載されたピニオンアシストタイプ電動パワーステアリング(EPS)の概略を NSK TECHNICAL JOURNAL を参照して記述する3)

4.3.1 ピニオンアシストタイプ EPS システムの概要

ピニオンアシストタイプ EPS システムの概要を、図 4.3.1 に示す。EPS システムは、ハンドルを取り付けるマニュアルコラム部、インタミディエイトシャフト、およびピニオンアシストタイプ EPS ギヤで構成されている。EPS ギヤは、ラック&ピニオンの操舵機構にトルクセンサ、減速機、およびモータで構成されるパワーアシスト部が装着されている(図 4.3.2 参照)。


図 4.3.1 システム概略図 3)

図 4.3.1 システム概略図3)

図 4.3.2 ピニオンアシストタイプ EPS ギヤ 3)

図 4.3.2 ピニオンアシストタイプ EPS ギヤ3)


トルクセンサは、トーションバーに発生したねじれ量を電気信号に変換している。トルクセンサ信号と車速センサ信号はコントロールユニットに入力される。コントロールユニットによって、必要なアシスト量が算出され、モータの電流を制御して適切なパワーアシストが行われる。

減速機の構造は、モータと出力軸の間にドライブギヤを設定することでモータとピニオンギヤ(出力軸)を接近させ、軽自動車のエンジンルームに無理なく納まるようにコンパクトに設計されている。ギヤ減速機とすることで強度に余裕を持たせるとともに減速機ギヤの一部に樹脂を使用し、2 段減速とすることで大きな減速比と騒音の低減を実現している。パワーアシストが作動する車速領域は 0~30 km/h、最大電流は 30 A で減速ギヤ部の減速比 18.8 と仕様例に記載されている(表 4.3.1 参照)。本システムのピニオンアシストタイプ EPS は、コラムアシストタイプの適用範囲より大型の領域までをターゲットにしていることがわかる。

モータには電磁クラッチが搭載されて、システム異常が検出されたとき、または、一定車速以上の速度に到達したときに、クラッチの締結が解放されマニュアルステアリングになり、安全性と省エネ性が確保されている。

表 4.3.1 ピニオンアシストタイプ EPS の仕様例3)

表 4.3.1 ピニオンアシストタイプ EPS の仕様例 3)

4.3.2 トルクセンサ

トルクセンサは、インプットシャフト(入力軸)とピニオンギヤ(出力軸)に設定されている機械的ストッパ部の周囲に配置されている。ハンドルから入力された操舵トルクは、トーションバーにより入出力軸間の角度差を発生させる。発生した角度差をハウジングに固定されたトルクセンサで検出できるように、入力および出力軸に遊星歯車機構が装着されている(図 4.3.3 参照)。


図 4.3.3 トルクセンサと減速ギヤの構造 3)

図 4.3.3 トルクセンサと減速ギヤの構造3)


遊星歯車機構は、インターナルギヤ(外側)、プラネタリピニオンギヤ(中間)およびサンギヤ(内側)で構成されている。サンギヤは、入力軸および出力軸にそれぞれ固定されて、プラネタリピニオンギヤの回転軸はシャフトで上下が連結されている。そして、出力軸側のインターナルギヤ B はピンを用いてギヤハウジングに回転方向が固定されている(図 4.3.4 参照)。


図 4.3.4 トルクセンサ遊星歯車機構 3)

図 4.3.4 トルクセンサ遊星歯車機構3)


入力軸側のインターナルギヤ A はピンを用いてトルクセンサに接続されている。入出力軸に角度差がない状態で回転している場合は、上下の遊星歯車は同じ位置で回転するので、入力軸側のインターナルギヤのピン位置は中央で動かない。入出力軸間に角度差が発生した場合は、角度差に応じて入力軸側のインターナルギヤのピン位置が左右に動くことになる。以上により、ハンドルから入力された操舵トルクは、トルクセンサのスプール位置が左右に動くことでトルク信号に変換される。

4.3.3 ピニオンアシストタイプ EPS の特長

ピニオンアシストタイプ EPS は、アシスト機構がエンジンルーム内のタイヤに近く設定されるので、コラムタイプ EPS に比べて、操舵フィーリングに優れており、モータの遮音性や出力の高さにも優れている。一方、エンジンルームに搭載されるので防水性や周辺温度などに対しての配慮が必要であり、コスト面ではコラムアシストタイプ EPS が有利となっている。

搭載性に関して、コラムアシストタイプ EPS は、コラム取り付け部の強度の確保、衝撃吸収機能を搭載するスペースの確保が課題となり、ピニオンアシストタイプ EPS が選択される場合がある。欧州車両では、純粋に操舵フィーリングを確保する目的で採用された事例もある。

4.4 世界初普通車用 電動パワーステアリング

1990 年に、ラックアシストタイプ電動パワーステアリング(EPS)が本田技研工業株式会社から発売された新世代のスポーツカー NSX に搭載された。NSX の EPS システム搭載図を図 4.4.1 に示す。


図 4.4.1 NSX システム搭載図 5)

図 4.4.1 NSX システム搭載図5)


以下に、普通車に搭載をターゲットとした電動パワーステアリング(EPS)の開発概略を HONDA R&D Technical Review を参照して記述する4)

4.4.1 普通車用電動パワーステアリング(EPS)の特長

普通車用 EPS は、軽自動車向けに採用されている EPS と比べて飛躍的に高出力を可能とした EPS システムとなっている。開発された EPS の対象車両は、
「前軸 450~1025 kg の FF 車、および MR 車」4)と記載されており、自家用自動車全般向けに搭載を可能とする出力範囲がカバーされている。将来的には、油圧パワーステアリングの次世代としてのパワーステアリングを目指すことができるシステムとして開発されている。

普通車用 EPS として、高出力を可能とするために新しい構造が採用されている。アシスト機構には、ラック軸をアシストするボールねじを採用して高出力に耐える強度が確保されている。また、アシストを発生するモータは、ブラシ付モータが選択され、発生トルクを大きくするために「レイアウトが許す限りモータ外形(94 mm)を大きく設定し、しかも 6 極フェライト磁石を採用」4)されており、ラックと同軸に配置して軽量化も図られている。

4.4.2 車両搭載システム構成

EPS は、図 4.4.2 に示すように車両に搭載されている。EPS ギヤは、ステアリングラックギヤの位置に搭載され、ヒューズ&リレーボックスから電源が供給される。ヒューズ&リレーボックスには、過電流時に溶断するヒューズと EPS への電源を接続/遮断する電源リレーが格納されている。


図 4.4.2 システム構成図 4)

図 4.4.2 システム構成図4)


車速センサは異なった 2 個のセンサが接続され、車速信号の信頼性を向上させている。また、故障時には、運転者へインジケータライトで故障内容を知らせるようになっている。

4.4.3 EPS システムの動作

運転者のハンドル操舵は、インタミディエイトシャフトを介して、ラック&ピニオンのピニオン入力軸に伝えられる。そして、ラック&ピニオン機構によりラック軸方向の推力に変換される(マニュアルステアリング機構)。図 4.4.3 にシステムの作動フロー図を示す。

ラック&ピニオン機構の上部に設置されている操舵センサは、運転者の操舵トルク信号および回転速度信号を検出してコントロールユニットに出力している。コントロールユニットは、操舵トルク信号および車速信号をベースにアシスト量を演算し、アシストに必要とされるモータ駆動信号を生成する。

パワーユニットは、コントロールユニットからのモータ駆動信号によりモータを駆動してモータに必要とされる出力トルクに応じた電流を供給している。モータの出力トルクは、ヘリカルギヤを介してボールねじに回転トルクが伝えられ、ボールねじは回転トルクを滑らかに効率よくラック軸方向のアシスト力に変換する。ジョイントを介して、この推力はラック軸にハンドル操舵力を軽減する方向に作用し、操舵力を軽減する。そのときの操舵状態は操舵センサで検出されコントロールユニットにフィードバックされる。

運転者は、上記のように EPS が作動することにより、快適な操舵力でハンドルを操作して、走行に適したタイヤの角度調整が可能となり、快適な操舵と運転が提供されることになる。


図 4.4.3 システムの作動フロー図 4)

図 4.4.3 システムの作動フロー図4)


4.4.4 EPS ギヤボックス

EPS ギヤボックスは、ラック&ピニオンギヤにアシスト機構、モータ、コントロールユニット、パワーユニット、および操舵センサが搭載され構成されている(図 4.4.4 参照)。

アシスト機構にはボールねじがラック軸と並行に設置され、モータからの回転トルクをラック軸力に変換してジョイントを介してラック軸をアシストする構造となっている。モータは、ラック軸と同軸に配置され、モータの出力トルクはヘリカルギヤを介してボールねじを駆動している。

入力軸と出力軸(ピニオンギヤ)の間に、操舵センサが配置されて操舵トルクと操舵回転速度が検出される。操舵センサに隣接したハウジング部にコントロールユニットが設置され、操舵センサの信号と車速信号から必要なアシスト電流などの演算処理を行っている。

パワーユニットは、放熱性を考慮してラック&ピニオン機能に隣接したアルミ製ラックハウジングに設置されており、コントロールユニットからの信号によりモータ駆動を行っている。


図 4.4.4 EPS ギヤボックス 4)

図 4.4.4 EPS ギヤボックス4)


4.4.5 操舵センサ

操舵センサは、運転者の操舵トルクおよびハンドルの回転速度を検出して電気信号に変換してコントロールユニットに出力する(図 4.4.5 参照)。

操舵トルクセンサの検出部は、ハンドルからインタミディエイトシャフトを介して連結された入力軸とピニオンギヤ(出力軸)がトーションバーで連結されている。入力軸に加えられた操舵トルクは、トーションバーにより入力軸と出力軸間の捩れが発生し、その捩れによる入出力軸間の相対角度をトルク信号に変換する。入出力軸の捩れ角は、カム機構を用いてスライダを軸方向に変位させている。スライダ周囲のハウジング部に差動トランスが設置され、スライダの軸方向変位を電気信号に変換している(図 4.4.6 参照)。

ハンドルの回転速度センサは、入力軸に連結されたギヤ列で増速されて直流発電機に連結されている。連結された直流発電機により、ハンドルの回転速度は電圧信号に変換される。発電機の極性は回転方向を示し、電圧の大きさは回転速度に比例している。


図 4.4.5 操舵センサ 4)

図 4.4.5 操舵センサ4)


図 4.4.6 トルクセンサ作動図 4)

図 4.4.6 トルクセンサ作動図4)


4.4.6 電気システムの構成

電気システムは、コントロールユニット、パワーユニット、モータ、操舵センサ、車速センサ、および車両側電源配線などで構成されている(図 4.4.7 参照)。

コントロールユニットは、1 チップマイクロコンピュータを中心に、各種センサ信号を処理するインターフェイス回路、コンピュータの動作を監視するウォッチドッグタイマー(WDT)、PWM 駆動信号を生成する駆動回路、トルク信号を監視するトルク CHK 回路、車両ヒューズボックスの電源供給リレーを駆動するリレー駆動回路、パワーユニットのモータ駆動回路を遮断するリレーを駆動するリレー駆動回路、インジケータ駆動回路、および定電圧回路で構成されている。インターフェイスに接続された各種センサ信号から、所定のアシスト力の計算を遅れることなく実施して、モータ駆動に必要な PWM 駆動信号を生成する。

パワーユニットは、コントロールユニットの駆動回路信号を受けて、4 個の FET で構成される H ブリッジ駆動回路でモータを駆動する。モータ電流は、パワーユニット内部の電流センサで電圧信号に変換されコントロールユニットのインターフェイス回路に接続される。モータは、リレーを介してモータ駆動回路に接続される。

システム異常が検出されると、モータに直列接続されたリレーを解放してモータ駆動回路を遮断し、パワーユニットに電源を供給している車両ヒューズボックスの電源供給リレーを開放して電源供給も遮断される。このとき、EPS システムはマニュアルステアリング動作となる。


図 4.4.7 システムブロック図 4)

図 4.4.7 システムブロック図4)


4.5 ステアリングの市場動向( 2000 年)

自動車の本格的な量産は 1900 年代の前半から始まり、関連する技術の発展と第二次世界大戦中における技術開発がさらなる拍車をかけ、自動車工業は各国経済の中心的な役割をはたしている。しかし、自動車の発展は、排気ガス公害などの問題も生み出し、社会生活や地球環境問題が重要視されている。

4.5.1 自動車の生産台数( 2000 年)

世界の乗用車の 2000 年までの生産台数を、図 4.5.1 に示す。 1999 年の世界の生産台数は約 5,800 万台で前年比約 2.2%増加している。今後、中国およびアジア諸国での市場が拡大すると予測され、生産台数はまだまだ増加傾向が継続すると考えられる。

今後の自動車生産台数の増加に伴い、環境問題、省エネ、および安全性向上に対するステアリングシステムの取り組みが社会および顧客より強く要請されると予測される。


図 4.5.1 主要国の乗用車生産台数推移 6)

図 4.5.1 主要国の乗用車生産台数推移6)
((社)日本自動車工業会調べ)


4.5.2 ステアリングの市場動向

光洋精工株式会社(現 株式会社ジェイテクト)でのステアリング生産は、ボールねじ式マニュアルステアリングからスタートしたが、自動車技術の発展とともに油圧パワーステアリングの生産が 1975 年に開始された。当初、軽く操舵できればよかったドライバの要求は、高速走行時の安定性と操舵フィーリングの向上、快適さを求めるようになり、 1983 年には世界で初めての電子制御式油圧パワーステアリングの量産を開始している。

そして、 1988 年には搭載性に優れ、省エネ型の電動パワーステアリングが世界で初めて生産開始されている。今後の市場動向については、地球温暖化および人体へ悪影響を与える排出物の抑制、燃費向上など地球環境保全、省エネへの対応要求はグローバル的にますます強くなり、省エネステアリングへの切り替えが著しい速さで進むと考えられた(図 4.5.2 参照)。


図 4.5.2 ステアリングシステムの技術的変遷 6)<br>(光洋精工株式会社作成)

図 4.5.2 ステアリングシステムの技術的変遷6)
(光洋精工株式会社作成)


図 4.5.3 に光洋精工株式会社で作成したステアリングシステムへの要求状況を各地域別に示す。特に注目するのは、 1990 年代中頃から欧州で採用が開始された電動ポンプ式油圧パワーステアリング(H-EPS:Hydraulic Electric Power Steering System)が、 2000 年頃から世界的に増加が予測され、省エネ型ステアリングシステムの一つの選択肢となったことである。


図 4.5.3 ステアリングシステムへの要求 6)<br>(光洋精工株式会社作成)
図 4.5.3 ステアリングシステムへの要求 6)<br>(光洋精工株式会社作成)
図 4.5.3 ステアリングシステムへの要求 6)<br>(光洋精工株式会社作成)
図 4.5.3 ステアリングシステムへの要求 6)<br>(光洋精工株式会社作成)

図 4.5.3 ステアリングシステムへの要求6)
(光洋精工株式会社作成)


4.6 電動ポンプ式油圧パワーステアリング

パワーステアリングを分類すると、エンジン駆動ポンプ式の油圧パワーステアリングと電動モータで駆動する電動パワーステアリングの 2 種類がある。 1990 年代中頃から、欧州市場において上記のシステムとは異なった電動ポンプ式油圧パワーステアリング(H-EPS:Hydraulic Electric Power Steering System)が採用されるようになった。

欧州市場はとくにディーゼルエンジンのシェアーが高く、レイアウト上エンジン駆動式ポンプの搭載が困難なために欧州の自動車メーカー数社が搭載性に自由度を持つ、電動ポンプ式油圧パワーステアリングの採用を開始した。以下に、高効率ギヤポンプを採用した電動ポンプ式油圧パワーステアリングの特徴と開発内容について述べる。

4.6.1 概要

油圧パワーステアリングシステムが消費するエネルギーを最小限に押さえるためには、必要なときに必要なだけの作動油量をシステムに送る。つまり、信号待ちや直進、高速走行など、ハンドルを操作しないときにポンプの回転速度を低減させ、無駄なエネルギー消費を最小限に押さえることが求められる。そのためには、ポンプをエンジンから切り離し、エンジン回転速度に依存することなく、吐出する作動油量を変化させることが必要となる。

これを実現させるために新規に開発されたシステムが、電動ポンプ式油圧パワーステアリングシステム(H-EPS)である。H-EPS システムの基本構成を図 4.6.1 に示す。基本的には油圧パワーステアリングと同じ構成であるが、プーリ付きポンプの代わりにモータ駆動式のポンプを採用し、また操舵角センサを搭載して省エネ制御に有効活用している。


図 4.6.1 基本構成 7)

図 4.6.1 基本構成7)


電動ポンプの基本構成を図 4.6.2 に示す。リザーバ、油圧ポンプ、モータ&コントローラにより構成されており、油圧ポンプには高効率ギヤポンプを、モータには耐久性、応答性、騒音性に優れた直流ブラシレスモータを採用している。また、コントロールユニット(ECU:Electronic Control Unit)は小型軽量化と高効率化を目的とし、モータとの一体構造とし、さらにポンプ直下に配置することで、ポンプ作動油の油冷効果を利用して、ECU の温度上昇を抑制している。


図 4.6.2 電動ポンプの基本構成 7)

図 4.6.2 電動ポンプの基本構成7)


4.6.2 システム制御

ドライバのハンドル操作状況に応じて、必要なときに必要な作動油量を最適にポンプから吐出させるため、電動ポンプは車輌側の信号を受けて ECU 一体型直流ブラシレスモータにより緻密な制御を行っている。モータ制御ブロック図を図 4.6.3 に示す。


図 4.6.3 モータ制御ブロック図 7)

図 4.6.3 モータ制御ブロック図7)


次に、図 4.6.4 に、操舵角速度と車速に応じたモータ回転速度制御の一例を示す。図に示すように、一般的に操舵角速度が早くなると、ギヤシリンダへより多くの作動油を供給する必要があるため、モータの回転速度を増加させる。また、車速の増加に応じて、ハンドル中立位置でのしっかり感を持たせるため、作動油量を減少させる。このような、モータ回転速度―車速―操舵角速度の関係を制御マップと呼び、これは、各自動車の特性に合わせて、自由に設定することが可能となっている。


図 4.6.4 モータ制御マップ 7)

図 4.6.4 モータ制御マップ7)


モータは車速 0 km/h 操舵角速度 0 deg/s にて、ある回転速度で回転しており、これをスタンバイ回転と呼んでいる。これはハンドル切り始めのキャッチアップを防止するために、最低限必要な作動油量を確保するための回転速度である。省エネ性の観点から、スタンバイ回転速度をできるだけ低く押さえるため、電動ポンプでは、モータ回転速度の変化応答性を向上させ、ステアリングギヤでは、少量の作動油で油圧を発生させることができる低流量バルブを採用している。車両側の特性に応じて、操舵フィーリングと省エネ性のバランスを取りながら、スタンバイ回転速度を決定することができる。

4.6.3 システム消費エネルギー

油圧パワーステアリング(HPS)と電動ポンプ式油圧パワーステアリング(H-EPS)の消費エネルギーを比較した結果を、図 4.6.5 に示す。車速と操舵角速度に応じてモータを最適制御し、無駄な消費エネルギーを最小限に押さえることで、HPS システムに対し、H-EPS システムは最大で約 80%もの消費エネルギーを削減させることが可能となり、省エネ自動車の開発に有効なステアリングシステムとして推奨できる。


図 4.6.5 消費エネルギー比較 7)

図 4.6.5 消費エネルギー比較7)


4.6.4 H-EPS の特徴と役割

電動駆動を利用したハイブリッド車も量産される時代となり、各自動車メーカーが急ピッチで省エネ自動車の開発を進めている。省エネ自動車の代表的なものに、前述のハイブリッド車やアイドリングストップ車、電気自動車、燃料電池車等が挙げられるが、これらに共通して言えることは、エンジンが停止する時間が存在する、またはエンジンそのものが搭載されない自動車となっている。

電動パワーステアリングは、12 V のバッテリ電圧と数十アンペアの電流から得られる、限られたエネルギーにより、これまでは軽自動車から小型車への適用が主流であった。しかし、H-EPS システムでは、システム機能上、高エネルギー密度のモータ設計が可能となり、これまで実現が困難であった RV 車などの重量車や小型トラックなど、最大軸力で 10,000 N を超える車輌への適用が可能となった。当時のドライバが慣れ親しんだ油圧システムの自然な操舵フィーリングと省エネ性を両立させた H-EPS システムは、次代を担う油圧システムとして、重要な役割を果たしている。

参考・引用文献

1) 井尻和一郎、大道俊彦、杉本匡英、平櫛周三、電動パワーステアリングシステムの開発、Koyo Engineering Journal, No.134, pp.48-53,(1988)
2) 谷口 学、永野英信、電動パワーステアリング用非接触トルクセンサの開発、Koyo Engineering Journal, No.137, pp.68-73,(1990)
3) 竹間 勇、島田 悟、乗用車用電動パワーステアリング(EPS)、NSK TECHNICAL JOURNAL, No.654, pp.36-47,(1992)
4) 清水康夫、杉野光生、河合俊岳、鶴宮 修、松本哲也、伊澤将隆、電動パワーステアリングの開発、HONDA R&D Technical Review, Vol.3, pp.58-75,(1991)
5) 須田 均、三重野敏幸、川越浩行、滝沢 純、土方久美子、北沢浩一、電動パワーステアリング用操舵センサの開発、HONDA R&D Technical Review, Vol.3, pp.83-91,(1991)
6) 野口昌彦、ステアリングシステム技術の動向と展望、Koyo Engineering Journal, No.159, pp.39-43,(2001)
7) 吉原愛仁、宮崎 修、次代を担う省エネ電動ポンプ式油圧パワーステアリング、自動車技術、Vol.58, No.4, pp.70-75,(2004)

コラム:電動パワーステアリング用ブラシ付きモータ


電動パワーステアリング用モータとして要求される性能とそれを必要とする理由についてステアリングの要求事項から説明する。油圧パワーステアリングの代替えとなる電動パワーステアリングは、運転者からの期待値として、「油圧と同等以上のパフォーマンス」と考えるのが自然である。したがって、操舵時にモータの存在が運転者に違和感を与えないレベルの騒音、振動の性能が必要になってくる。

モータは減速機を介してハンドル軸に取り付けられている為、モータ単体でのロストルクは減速比倍の操舵フリクションとなり、また慣性モーメントはハンドル軸換算で減速比の 2 乗倍されたハンドル軸慣性モーメントになる。したがって、ロストルク及び慣性モーメントの増加は、操舵時のフリクション感及び慣性感の増加から操舵フィーリングを大きく悪化させる原因となる。更に、ステアリングのもう一つの機能として重要な路面からのインフォメーションが欠如する問題がある。ステアリングは路面からの反力を運転者に伝える機能があるが、モータのロストルクが大きいと路面からの反力と相殺し、ハンドル戻りが悪くなる。また慣性モーメントの増加は、高速走行時に路面とタイヤのフリクションが減少する事から、レーンチェンジに於けるハンドルの収斂性が悪化してしまう場合がある。これらのロストルクや慣性モーメントによる操舵フィーリング低下に対して、ブラシ付きモータへの設計面での対策が要求されている(表 1 参照)。


表 1 電動パワーステアリング用モータへの要求性能

項目

モータへの要求項目

ステアリングとしての要求

商品力

低騒音、低振動

・操舵時に発生する音と振動が運転者に不快感を与えてはならない。

小型化

・搭載性を確保する為に小型化が必要。

特性の左右差

・操舵力に左右差が発生しない。

操舵

フィーリング

低ロストルク

・操舵時のフリクション感増加による操舵フィーリングへの影響を抑える。

・低中速度走行時のハンドル戻りを阻害しない。

・高速走行時の中立感を確保。

低トルクリップル

・操舵時の滑らかさの確保。

・操舵時の操舵振動の抑制。

慣性モーメントの低減

・急操舵時の慣性感の低減。

・高速走行レーンチェンジ時の収斂性の確保。

安全性

安全性の確保

・モータ破壊時にロックに至らない安全構造。

・各部の寿命と故障率。


電動パワーステアリング用モータの要求性能について記述してきたが、コラム及びピニオンタイプに適用されているブラシ付きモータを実例に取り上げ、構造上の特徴を表 2 及び図 1 に記載する。


表 2 ブラシ付きモータの構造上の特徴

モータへの要求項目

構造上の特徴

低騒音、低振動

・スパーク音低減の為にブラシ材質及び配合の適正化。

・摺動部の音低減に潤滑材の添加。

・コンミテータの真円度確保と表面処理。

・軸受け隙間の管理。

小型化

・高密度巻線による高出力化。

特性の左右差

・コアとコンミテータの位相差の管理。

低ロストルク

・ブラシ圧の低減。

・低トルク軸受けの採用。

ロストル 低トルクリップル

・ロータの多スロット化とスキューを設定。

・不等ギャップ磁石形状。

慣性モーメントの低減

・高密度巻線による高トルク、高出力化。

・多極化(2→4 極)

安全性の確保

・マグネットカバーを設置し、マグネット割れから保護。

・軸受け部にシールを設置し異物の混入を防ぐ。


図1 ブラシ付きモータの特長

図1 ブラシ付きモータの特長

コラム:ブラシ付きモータの制御


電動パワーステアリングの大きなメリットとして、コントローラの制御プログラムのアシスト特性を変更する事により、各車速に応じたアシスト量を自由に設定できる事である。図 1 のコントローラの制御ブロック図を用いて、基本動作を説明する。

図1 制御ブロック図

図1 制御ブロック図

操舵トルク及び車速信号により、"アシスト特性"部においてモータ目標電流が決定される。この特性は自由に調整可能であり、搭載される車種ごとに最適なアシスト特性を設定する事が可能である。そして、目標電流は"LMT"部でモータに許可される最大電流値に制限される。モータ駆動回路は"ブリッジ回路"を用いて PWM 駆動され、電流検出回路のフィードバックにより定電流でモータが駆動される。以下に、基本機能以外に付随しているモータのロストルク及び慣性モーメント増加による影響を改善する制御方法について記述する。


(1)慣性補償制御(トルク微分制御)

モータの慣性モーメントにより、ハンドル軸まわりに慣性モーメントが増加し、操舵の立ち上がり時に重さ(慣性感)を感じることを改善するのが目的である。トルク微分に比例した電流を印加する事で、操舵の立ち上がり時に瞬間的に電流を流し、モータにインパクト力を印加する事により、動きやすくし操舵時の慣性感を低減する。ただし、むやみに制御量を大きくすると制御の安定性を損なってしまう場合もある。

(2)収斂制御

モータの慣性モーメントの影響により、中高速走行時にハンドルの収斂性が悪化する。原因は、高速走行時サスペンションからの反力によりハンドルは中立位置に戻ろうとするが、その時、路面とタイヤのフリクションが少なくなりハンドルがオーバシュートする為である。ここでの制御は、操舵速度に応じて回転方向と逆方向に電流を流し、モータにブレーキを掛け収斂性の向上を図るのが目的である。なお、操舵角速度はモータの端子間に発生している電圧および電流から計算されたモータ発電電圧により推定する事も可能である(図 2、図 3 参照)。

図2 収斂制御なし

図2 収斂制御なし

図3 収斂制御なし

図3 収斂制御あり

(3)ハンドル戻し制御

車のサスペンションには、キャスター角が設定され手放しで走行したときには直進状態に戻る様に設計されている。しかし、低速走行時はサスペンションからの反力も少なくモータのロストルクの影響により、ハンドル戻りが不充分となる。その問題を解決する為に、モータのロストルクによるフリクションを補償しハンドル戻りを改善するのがこの制御の目的である。

トルク信号、車速信号及び操舵角信号により操舵中点(直進時操舵角)を演算し、直進時からの絶対操舵角に応じてハンドル戻しの方向にモータの電流を印加し、ハンドル戻りを向上させる。なお、収斂制御とは全く相反する制御のため車速により切換えを行っている(図 4 参照)。

図4 車速による制御の切り替え

図4 車速による制御の切り替え



Contents に戻る



 5 電動パワーステアリングの開発と進化 ― 2000 年~ 2010 年 ―

電動パワーステアリング(EPS)は、ステアリングコラムに直流モータによるアシスト機構を一体に組み込んだコラムアシストタイプ EPS を軽四輪車に搭載して以降、日本の軽四輪市場を中心に普及拡大してきた。 2000 年代 EPS は 10 年の市場実績から信頼性に対する市場の評価も定まり、普及拡大のペースが拡大していく。

欧州においても、市場におけるパワーステアリングの搭載率の拡大に伴い、小型車へのパワーステアリング装着のニーズが高まっていた。しかし、油圧パワーステアリングを搭載するにはエンジンブロックを変更して油圧ポンプを搭載する必要があった。そのような車両などへパワーステアリングを搭載するために、 1996 年頃から EPS の採用が始まっていた。

その後、北米においても、小型 SUV に米国生産車として初めてコラムアシストタイプ EPS が搭載された。そして、中大型車中心の北米においても、EPS 搭載車両の拡大が見込まれた。

高出力が要求される中型車以上の乗用車向けに、日欧の自動車メーカーがラックアシストタイプ EPS の採用を開始し、国内外のステアリングメーカーが EPS 市場に参入する動きが活発となった。地球環境保全、省エネの流れに乗り、EPS は将来のパワーステアリングの主流になると予測され、新規参入メーカーも想定される中で競争もより激しくなり、よりいっそう技術開発に拍車がかる状況となっていた。

5.1 開発の技術動向

電動パワーステアリング(EPS)のタイプ別の開発に向けた技術動向を以下に記載する。 2000 年代、EPS は 10 年以上の市場実績から、信頼性に対する市場の評価も定まり、EPS だから達成できる、より安全で快適なステアリング機能として進化して行くと想定された。 2000 年代の開発の技術動向を Koyo Engineering Journal を参照して下記に記述する1)

5.1.1 コラムアシストタイプ EPS

コラム部にアシスト機能部品を配置するコラムアシストタイプ EPS では、モータとコントロールユニット(ECU)間のハーネス類が短縮できること、および車両メーカーでの搭載工数も削減できるなどの理由から、車室内に個別に搭載されていた ECU をコラム上に一体搭載するコラムアシストタイプ EPS が開発された。図 5.1.1 にその模式図を示す。


図 5.1.1 ECU コラム搭載 1)

図 5.1.1 ECU コラム搭載1)


コラムアシストタイプ EPS の出力では、軸力が不足して搭載ができなかった中型車向けに、バリアブルラックバーが採用された。ラックアンドピニオンギヤにバリアブルギヤレシオラックバー(中央付近のギヤ比を低く、ラックエンド部を高く)を採用することにより、ラックエンド部で不足していた軸力を大きくできるので中型車への対応が可能となった。なお、コラムアシストタイプ EPS は、電気系部品への防水対策が必要なく、高温環境での動作保証対策も不要なことから、安価な電気系部品を用いた設計が可能であり、EPS の種類の中でも一番安価であり最も多く採用されている。ラックエンド部の軸力 UP を可能としたバリアブルラックバーの写真を、図 5.1.2 に示す。


図 5.1.2 バリアブルラックバー 1)

図 5.1.2 バリアブルラックバー1)


ただし、コラムアシストタイプ EPS は、コラム軸上に減速機、トルクセンサを設置する為、衝突時のエネルギーを吸収するコラム軸方向のスペースに余裕が少なく、欧州の新しい衝突安全規制への対応が課題となっていた。

2001 年、Renault 社「クリオ」向けに以下の機能を新規採用し、フランスでコラムアシストタイプ EPS の生産が開始された。

①  
小型・高出力を図った 45 A と 65 A モータの採用
②  
モータと減速機間のフェイルセーフ用クラッチの廃止
③  
舵角センサ付きラックアンドピニオン式マニュアルステアリング採用によるハンドル戻り性能の改善
④  
減速機部のフリクション低減と静寂性向上のため減速機歯形精度の向上

同年、トヨタ自動車株式会社のフランス現地法人 TMMF「ヤリス」向けにもコラムアシストタイプ EPS システムが開発され、現地で生産が開始された。 2003 年、トヨタ自動車株式会社のイギリス現地法人 TMUK「アベンシス」向けに、初のチルト&テレスコピック機能付きコラムアシストタイプ EPS システムを開発し、フランスで生産を開始した。なお、マニュアルステアリングは欧州ではなくアジア地域のタイで生産して、欧州に輸送された。

2001 年、アメリカでは初となるコラムアシストタイプ EPS システムが GM 社サターン「VEU」向け、翌年には「ION」向けに、以下の新規開発項目を織り込んで、北米で現地生産が開始された。図 5.1.3 に GM 社向けコラムアシストタイプ EPS の写真を示す。


図 5.1.3 GM 社向けコラムアシストタイプ EPS  2)

図 5.1.3 GM 社向けコラムアシストタイプ EPS2)


①  
高出力 65 A モータの採用
②  
バリアブルギヤ比のマニュアルステアリングギヤの採用(エンド付近を高ギヤ比とし、ラックエンドでの出力を向上)
③  
モータ・ ECU の連続据え切り性能の向上対策(ソフトおよびハード)
④  
常時摺動式インタミディエイトシャフトの採用
⑤  
ECU をコラム上に一体搭載(トルクセンサ基板を内蔵し、搭載性向上)

5.1.2 ピニオンアシストタイプ EPS

エンジンルームに搭載するピニオンアシストタイプ EPS は、使用環境条件が室内搭載のコラムアシストタイプ EPS と比べて厳しく、以下の要素技術の開発が必要とされた。

①  
減速機部に耐熱仕様の樹脂を新規開発
②  
防水仕様のモータ、ECU およびトルクセンサの開発
③  
トルクセンサの小型化および温度特性の向上

ECU は、当初車室内搭載がほとんどであったが、ハーネスの長さが長くなるためラジオノイズの影響や、車両メーカーでの組立工数削減を考慮し、エンジンルーム内設置が主流になっていた。また、ギヤに一体化して ECU を搭載する場合もあり、ECU の使用環境としては非常に過酷で遮熱板などの設置が必要とされる場合があった。モータ、ECU の過熱保護制御も電流と時間だけでなくサーミスタを ECU もしくはトルクセンサ回路部に設置し、実温度情報を用いてきめ細かな制御でアシスト力の継続時間を延長するとともに、その復帰時間の短縮を図るなどの対策が必要とされた。ピニオンアシストタイプ EPS の外観図を図 5.1.4 に示す。


図 5.1.4 ピニオンアシストタイプ EPS  1)

図 5.1.4 ピニオンアシストタイプ EPS1)


タイヤが縁石に乗り上げた際などの過大逆入力がラックアンドピニオンギヤを介して減速機の樹脂製リダクションホイールに伝達され、途中にインタミディエイトシャフトのあるコラム EPS より衝撃入力の緩和の面で不利な条件となる為、樹脂製リダクションホイールとピニオンシャフト間にトルクリミッタを設置し樹脂製リダクションギヤを保護するなどの設計対策が準備された。

2002 年、欧州向けピニオン EPS として初めてとなる Citroen「C3」向け、 2004 年には Daimler 社「ベンツ A クラス」向けの生産が開始された。

5.1.3 ラックアシストタイプ EPS

高出力が要求される中型車以上の乗用車向けに日欧の自動車メーカーがラックアシストタイプ EPS の採用を開始し、国内外のステアリングメーカーが EPS 市場に参入する動きが活発となった。

このタイプでは、減速機で直接ラック軸をアシストしラックアンドピニオンギヤ部への入力を緩和することが可能になり中型車以上の展開に適している。ラックアシストタイプ EPS には、図 5.1.5 に示すような、モータをラック軸にオフセットさせたタイプ(R-EPS)と、図 5.1.6 に示すモータ軸を中空にし、その中にラック軸を通したラック同軸タイプ(RD-EPS)の 2 種類がある。


図 5.1.5 R-EPS  1)

図 5.1.5 R-EPS1)

図 5.1.6 RD-EPS  1)

図 5.1.6 RD-EPS1)


R-EPS は、ラックアンドピニオンギヤ部にオフセットさせた位置にモータを設置し、ベベルギヤ減速機(交差置き式)またはベルト減速機(並行置き式)を経由して、ラック軸上に形成されたボールねじを介してラックバーに補助動力を与えている。このタイプでは、モータに関してコラムアシストタイプ EPS およびピニオンアシストタイプ EPS と共通の部品が使用できるメリットがあり、モータの搭載角度、位置に対する自由度が高く、車両への搭載性にも優れている。

RD-EPS は、ラックハウジング内にモータを形成し、モータ軸からボールねじを介してラックバーに補助動力を与えている。ラックをモータ内に納められ、見た目はコンパクトになるが大出力に対応するには、ラック軸のモータ外径を大きくする必要があり、モータ部品の大型化など専用設計となり、ラックハウジングの外径の大型化はトランスミッションやエンジン周辺部品との干渉問題が発生しやすくなる。ただし、車両メーカーとの協力により搭載が可能となれば、減速機効率が高く最も理想的なシステムである。

5.1.4 電装部品の技術動向

トルクセンサに関して、トルクセンサ単体での低コスト化とトルクセンサに付加機能を持たせる高機能化の 2 方向の開発が車両メーカーから要望されている。低コスト化は、量産中の構造を基本として新素材の採用および部品点数の削減で低コスト化を図っている。

高機能化のセンサの要求は、EPS システムへの付加機能として操舵角検出機能を持たせ、車両制御に EPS から操舵角信号を出力する事である。車両の安全性向上と運転時の快適性向上等から ESP(Electronic Stability Program)、BGM(Back Guide Monitor)などのシステムが普及し、それらのシステム制御に操舵角信号が必要とされている。車両の安全性を向上させるシステムは将来的に増加すると予測され、トルクセンサと操舵角センサを統合したセンサ機能を持つ EPS システムの開発の重要性が増してくるものと考えられる。

モータの技術動向は、ブラシ付きモータの高出力に対応するモータ作動音低減への取り組みとブラシレスモータが開発され量産が開始されたことである。ブラシ付きモータは 20 A クラスから量産が始まり、EPS を搭載する車両が軽自動車から小型車まで広がり最大電流も 65 A クラスまで増加して高出力化された。高出力に伴い巻線技術の改良を加え高密度巻線とすることでモータサイズの最適化が図られている。

EPS 搭載車両が軽自動車から小型車さらに中型車へ展開され、車両側の静寂性が上がってきたことから EPS システムの作動音への要求も厳しくなってきている。モータは出力アップに比例して、モータ作動音は大きくなるので、モータ作動音低減の改良が実施されている。実施された改良の内容を図 5.1.7 に示す。ブラシホルダー部とモータフランジ間をゴムダンパーで支えることで、ブラシとコンミテータが摺動することで発生するブラシの振動がブラシホルダー、モータフランジへ伝わることを抑制する効果を狙った構造となっている。


図 5.1.7 作動音低減対策 3)

図 5.1.7 作動音低減対策3)


ブラシレスモータの開発当初は、ブラシ付きモータに比べてコスト面での問題が残されており、EPS への採用が進まなかった。しかし、車両メーカーからは、ブラシ付きモータでは対応不可能な高出力領域まで EPS を採用したいとの強い要望が出されたこともあり、ブラシレスモータ EPS システムのコスト面の課題も改良され採用されて行った。

コントローラの技術動向は、モータ同様に最大電流容量のクラスでサイズと形状のシリーズ化を図り、基本構造の共通化を進めるとともに、ピニオンアシストタイプ EPS コントローラは、エンジンルーム搭載に向けて、防水構造、熱対策を追加で実施している。コントローラの種類を図 5.1.8 に示す。大きくコラムアシストタイプ EPS(車室内用)、ピニオンアシストタイプ EPS(エンジンルーム内用)、大出力タイプ用(ブラシレスモータ搭載)の 3 タイプに分類できる。また、コラムアシストタイプ EPS 用コントローラには、トルクセンサ回路を内蔵しコラム部に一体搭載するタイプも開発されている。


図 5.1.8 コントローラの種類 3)

図 5.1.8 コントローラの種類3)


また、数種類のアシスト特性を記憶しておき、車両メーカーでの最終組立工程において車両のグレード、オプション等により前もって設定された特性の中からそのバリエーションにあった特性を選択する機能も追加されている。このように特性を選択できることは、多様な顧客の要望に対応できることにもなり、EPS を採用するメリットの一つとなった。

コントローラに入力される各種信号(車速信号、エンジン回転数信号、他)はそれぞれのセンサ本体からまたは他のコントローラを介して個々に入力されていた。 2000 年ごろから、車両に搭載された各コントローラが必要な情報を 1 個の共有ラインで共有することで各コントローラが使用していた個々のラインを大幅に削減できるため、車両ネットワーク(CAN)*1の普及が始まった。自動車においては、エンジン回転数、速度信号、ブレーキシステム、パワーステアリング、エアバック、トランスミッション、故障診断などの情報転送に利用されている(図 5.1.9 参照)。このネットワークの普及により、車両統合制御への対応が推進されるきっかけとなった。


*1  
CAN(Controller Area Network)とは、自動車などの内部において各電子・電気装置を接続する通信規格で、1993 年に ISO 11898 として標準化されている。


図 5.1.9 CAN バスの配線 3)

図 5.1.9 CAN バスの配線3)


5.2 ピニオンアシストタイプ 電動パワーステアリングの開発

電動パワーステアリング(EPS)の小型車への採用拡大に対応するため、モータの出力向上、搭載位置の自由度を広げ、エンジンルームに搭載可能なピニオンアシストタイプ電動パワーステアリング(P-EPS)が開発され、欧州の小型車に採用されて 2002 年に欧州で生産が開始されている。以下に Koyo Engineering Journal を参照して記述する4)

5.2.1 システム概要

トルクセンサ、減速機、モータを一体化した EPS ユニットを従来のラックアンドピニオンタイプのマニュアルギヤに組付けた構造としている。エンジンルーム内への搭載システムのため、EPS ユニットの軸方向寸法の短縮、高温作動環境条件への対応(−30 ℃~+95 ℃)、および防水構造が採用されている。本システム(P-EPS)の構成図を図 5.2.1 に、EPS ユニットの断面図を図 5.2.2 に示す。そして、P-EPS の諸元を表 5.2.1 に示す。


図 5.2.1 P-EPS システム構造 4)

図 5.2.1 P-EPS システム構造4)


図 5.2.2 EPS ユニット断面図 4)

図 5.2.2 EPS ユニット断面図4)


表 5.2.1 P-EPS 諸元

項目

諸元

理論アック軸力

7,747 N

ラックストローク

144 mm

ストロークレシオ

45.335 mm/rev

ラック&

ピニオン部

モジュール

ピニオン歯数

2.3

6

減速機

タイプ

減速比

ウォーム&樹脂ホイール

15:1

モータ

タイプ

定格電圧

定格電流

定格トルク

定格回転数

DC ブラシ付きモータ

12 V

65 A

3.4 Nm

1,180 rpm


5.2.2 トルクセンサ小型化

搭載性を確保するため、トルクセンサは従来品に比べ軸方向で 7.00 mm、軽方向でφ3.5 mm 小型化している。トルクセンサ部の比較を図 5.2.3 に示す。


図 5.2.3 トルクセンサ部の比較 4)

図 5.2.3 トルクセンサ部の比較4)


コイルアッシーはハーネス用いた軸方向取り出し構造から、径方向ピン出しタイプに変更、ボビンへの銅線自動巻きを実施して巻線の密度が向上し、軽方向にφ3.5 mm 縮小されている。

また、トルクセンサ検出部の磁場解析を実施した結果、従来品においてコイルアッシー間に設置されていたディスタンスピース部は、検出側と補償側の相互磁場によって影響されないことがわかり、廃止可能と判断された。その結果、軸方向で 7 mm 縮小されている。磁場解析結果を図 5.2.4 に示す。


図 5.2.4 磁場解析結果 4)

図 5.2.4 磁場解析結果4)


トルクセンサ基板固定方法は、コイルアッシーの径方向ピン出しへ変更したことにより、基板とコイルアッシーはハーネスが廃止され、熱衝撃によるコイルアッシーと基板のハンダ付け部の応力を緩和する取り付け構造が採用されている。図 5.2.5 に示すように、タッピンねじの固定部をコイルアッシーと離れた位置に設定し、熱変形による応力を制御基板全体がわずかに湾曲する構造でハンダ付け部の応力を緩和している。また、外部からの衝撃に対してダンピングとなるゴム製のスペーサを追加して衝撃を緩和して信頼性を向上させている。


図 5.2.5 制御基板固定方法 4)

図 5.2.5 制御基板固定方法4)


5.2.3 防水構造

コントローラの防水構造を図 5.2.6 に示す。コネクタと一体となった樹脂製の筐体をヒートシンクとカバーで挟み込んだ構造となっており、樹脂製の筐体とヒートシンクの合わせ面およびカバーとの合わせ面に O リングを設置している。なお、コントローラ内が負圧になると、防水コネクタを経由して配線ラインの銅線部が負圧となり、配線の終端部が防水処理されていない配線ラインから吸水し、コントローラ内部へ水分が侵入することが懸念される。その対策として、ヒートシンクの一部に防水透湿布(ゴアテックス相当)を使用してコントローラ内部が負圧とならない配慮がされている。


図 5.2.6 コントローラ防水構造 4)

図 5.2.6 コントローラ防水構造4)


モータの防水構造を図 5.2.7 に示す。2 か所に O リングが設置されて防水対策されている。


図 5.2.7 モータ防水構造 4)

図 5.2.7 モータ防水構造4)


5.2.4 過熱保護制御

コラムアシスト EPS のコントローラおよびモータは、車室内に搭載されることから動作時の最高温度は 65 ℃と想定することができる。過熱保護制御は、その最高気温 65 ℃をモータおよびコントローラの動作開始の初期温度に設定し、そこから通電したときの温度上昇をモータ電流の積算値から予測して、モータおよびコントローラ内部に搭載される全ての部品の保証温度上限に到達しないように、過負荷保護制御により、リアルタイムで最大電流値が制限されている。

ピニオンアシスト EPS は、エンジンルーム搭載となり、保存温度も車室内搭載に比べ 120 ℃と高く設定されている。このためコラムで採用してきた「動作時の最高気温から過熱保護制御を開始」では温度上昇に対する余裕がなく、早期に過熱保護制御により電流制限がかかり操舵力が増加してしまう。したがって、これまでの過熱保護制御では効率が悪く、新たに温度センサを追加して温度感応式の過熱保護制御を新規に採用する必要があった。

EPS システムの周辺温度をトルクセンサ基板上に配置したサーミスタにて検出することで、コントローラは、EPS システムの周辺温度に適合させた過熱保護制御を行うことができる。基本制御ブロックダイアグラムを図 5.2.8 に示す。具体的には、基本制御ブロックダイアグラムの左下に示した温度信号が過負荷制御ブロックに読み込まれて、以下の制御を行うことで実施されている。


図 5.2.8 基本制御ブロックダイアグラム 4)

図 5.2.8 基本制御ブロックダイアグラム4)


図 5.2.9 モータ電流制限係数 4)

図 5.2.9 モータ電流制限係数4)

図 5.2.10 温度別電流制限パターン(最大電流通電時) 4)

図 5.2.10 温度別電流制限パターン(最大電流通電時)4)


①  
EPS システム周囲温度に基づき、各パラメータ値([a],[b],[c],[d])を選定する(図 5.2.9、および図 5.2.10 参照)。
②  
モータ電流検出ブロックにより検出された電流値が[b]より大きい場合は、[c]の割合でモータ電流制限値を初期値から電流リミッタにより漸減する。
<制御例>65 A システム、常温(25 ℃)で最大(65 A)電流 40 秒間連続通電の場合([a]=30 s,[b]=18.5 A,[c]=−0.1177 A/s,[d]=0.0508 A/s)
初期値:65 A −[a]×[c]= 70.31 A
許容最大電流値:70.31 A +([c]×40)= 63.23 A
となり、過負荷保護のため最大ハンドルトルクを加えても最大電流は 63.23 A に制限されることになる。
③  
モータ電流検出ブロックより検出された電流値が[b]より小さい場合は、[d]の割合でモータ電流制限値を復帰させる。温度別の電流復帰パターンを図 5.2.11 に示す。
<復帰例>上記②の条件後、電流値 0 A を 30 秒間継続した場合
許容最大電流値:63.23 A+([d]×30)= 64.75 A
となり、過負荷保護制御によるモータ電流制限は 64.75 A まで復帰する。
図 5.2.11 温度別電流復帰パターン(電流 0 A 継続時)

図 5.2.11 温度別電流復帰パターン(電流 0 A 継続時)4)

5.3 ラックアシストタイプ 電動パワーステアリング

ラックアシストタイプ電動パワーステアリング(ラックアシスト EPS)は出力軸(ラックバー)を直接アシストし、モータ出力を効率よく出力軸に伝えるため、高出力が要求される大型車や SUV に適しており燃費向上への貢献や車両統合制御システムへの展開が期待できる。

図 5.3.1 に示すのは、トヨタ自動車株式会社のクラウンに搭載され 2003 年 12 月から販売されている世界最小クラスのラックアシスト EPS ギヤである。多分割ステータによる巻線の占積率アップとネオジム磁石採用によりモータの小型化・軽量化を達成し、さらに、摩擦特性の最適化・低慣性・高精度転造ボールねじの滑らかな作動により世界トップレベルの操舵感と燃費の向上を実現させている。以下に豊田工機技報を参照して記述する5)


図 5.3.1 ラックアシスト EPS ギヤ外観図 5)

図 5.3.1 ラックアシスト EPS ギヤ外観図5)


5.3.1 構造と作動原理

ラックアシスト EPS のステアリングレイアウトを図 5.3.2、そして、ラックアシスト EPS の構成図を図 5.3.3 に示す。ステアリングホイール操舵により発生した操舵トルクは、EPS ギヤのインプットシャフトの周囲に配置したツインレゾルバトルクセンサで検出され電気信号に変換され ECU(Electronic Control Unit)に送られる。


図 5.3.2 ステアリングレイアウト 5)

図 5.3.2 ステアリングレイアウト5)

図 5.3.3 ラックアシスト電動 PS の構成 5)

図 5.3.3 ラックアシスト電動 PS の構成5)


制御ブロック図を、図 5.3.4 に示す。ECU は、検出された操舵トルクと車両速度に応じてモータ駆動電流指令値を演算して、内蔵されたモータドライバーでモータを駆動する。モータはラックバーと同軸上に配置されており、減速機であるボールねじを介して駆動トルクをラックバーに伝達して、ラックバーをアシストすることで、運転者の操舵トルクを軽減し、ハンドル操作を著しく楽に行えるステアリングシステムを提供する。


図 5.3.4 制御ブロック図 5)

図 5.3.4 制御ブロック図5)


5.3.2 トルクセンサ

トルクセンサは、下記 4 項目を達成することをねらいとして、ツインレゾルバ式トルクセンサが EPS 用のトルクセンサとしては、世界で初めて採用された。

①  
エンジンルームでの厳しい温度環境に耐えうること
②  
将来的には、操舵角などの回転角検出機能への発展性が見込めること
③  
そのための充分な分解能があること
④  
低コストとフェイルセーフを両立させること

ツインレゾルバ式トルクセンサの信号処理には、R/D(レゾルバ/デジタル)コンバータの替わりに、ECU 内部のマイコンを用いたデジタル信号処理に工夫を加えて、高精度・低コスト化を実現している。

ツインレゾルバ式の特長を以下に記述する。

図 5.3.5 にツインレゾルバ式トルクセンサの構造を示す。


図 5.3.5 トルクセンサ構造 5)

図 5.3.5 トルクセンサ構造5)


インプット側にレゾルバ 1、ピニオン側にレゾルバ 2 が設置されて両軸間はトーションバーを介して連結されている。レゾルバ 1 およびレゾルバ 2 は、それぞれ励磁入力、SIN 出力、COS 出力のコイル巻線が組み込まれている。次に検出原理を図 5.3.6 に示す。


図 5.3.6 検出原理 5)

図 5.3.6 検出原理5)


振幅 A の正弦波励磁信号をアウターコアに入力すると、電磁誘導によりインナーコアに電圧が誘起される。インナーコアとロータ Assy は電気的に接続しており、ロータ Assy のコイルが励磁される。

ロータ Assy とステータ Assy は磁気的に結合しており、ロータ Assy の回転角に応じた電圧がステータ Assy の 2 相のコイル(SIN 相、COS 相)から出力される。

回転角θでの振幅は、COS 相信号:Acos=A ・ cosθ、SIN 相信号:Asin=A ・ sinθとなる。

振幅 Acos と Asin を計測すれば、θ=tan−1(Asin/Acos)によりθが計算される。

トルク検出は、レゾルバ 1 とレゾルバ 2 の相対角にトーションバーばね定数を乗算することで算出される。

5.3.3 モータ

モータは、ラックバーと同軸に配置されているため限られたスペースで高トルク・低トルクリップルの両立、および低慣性・高信頼性をねらって新規に開発されている。コンパクトなサイズで高出力及び低慣性の SPM(Surface Permanent Magnet)型ブラシレス DC モータが採用されている。

モータの構造を図 5.3.7 に示す。


図 5.3.7 モータ構造 5)

図 5.3.7 モータ構造5)


巻線組付工法に優れた多分割ステータにより巻き線の占積率を向上し、マグネットには高エネルギー積の希土類磁石を採用することで高出力小型化を実現している。ステータの固定方法として、ステータハウジングをアルミ化し、高精度な焼き嵌め技術を用いることにより高信頼性、低コスト、軽量化が図られている。また、極数とスロット数の組み合わせを工夫し、有限要素法:Finite Element Method(以降 FEM と略記)による解析結果(図 5.3.8,図 5.3.9,図 5.3.10を用いて磁気回路の最適化設計をすることで、低コギングトルクと低トルクリップルを実現させている。


図 5.3.8 FEM 解析による磁気回路最適化 5)

図 5.3.8 FEM 解析による磁気回路最適化5)

図 5.3.9 焼き嵌め応力解析 5)

図 5.3.9 焼き嵌め応力解析5)

図 5.3.10 コイル熱流解析 5)

図 5.3.10 コイル熱流解析5)


5.3.4 減速機(転造ボールねじ)

減速機には、ボールねじが採用され、モータ回転トルクをラックバーの軸方向変位に効率よく変換している。ボールねじは、高精度かつ高信頼性、コンパクトで低慣性であることを達成するために、こま式の高精度転造ボールねじが採用されている。図 5.3.11 に、ボールねじ構造を示す。


図 5.3.11 ボールねじ構造 5)

図 5.3.11 ボールねじ構造5)


ボールねじはナットがモータシャフトに係合されており、モータの出力トルクはボールを介し、ラックバーに切られたねじで回転運動を直線運動に変換する。ねじのリードを変えることでモータ 1 回転あたりの直動運動の移動量を調整することができる。

ボールねじは効率 90%以上を達成し耐久性を確保するため 4 列の構成でリードが選択されている。また、最大負荷時で使用したときの信頼性を確保するためにラックエンドブッシュを配した構成としている。そして、滑らかな操舵感のために微小なトルク変動を抑える機構としてトンネル式こまが開発されている。こまとナットの最適段差形状を確保して、加工には高精度転造ボールねじの技術が用いられている。

5.4 高出力コラムアシストタイプ 電動パワーステアリング

電動パワーステアリング(EPS)は、省エネ型ステアリングの中でも、特に搭載性に優れたコラムアシストタイプ電動パワーステアリング(C-EPS)のニーズが高まっており、小型車は言うまでもなく中型車や大型車への搭載が期待されている。高出力 C-EPS に向けてシステムの適合を行うための技術力、静寂性の確保、およびそれに見合ったシステム全体の高性能化が必要とされる。以下に JTEKT Engineering Journal を参照して記述する6)

ここでは、昇圧回路を組み込んだコントロールユニット(ECU)、ブラシレスモータ、およびホール IC トルクセンサを搭載した高出力 C-EPS システムの適用技術について記載する。ラック軸力 12,000 N 出力が可能な、高出力 C-EPS システムの出力特性を図 5.4.1 に示す。


図 5.4.1 高出力 C-EPS 出力特性 6)

図 5.4.1 高出力 C-EPS 出力特性6)


5.4.1 ECU とブラシレスモータ

希土類(ネオジム)マグネットを使用することによりモータの高トルク・小型化が達成された(図 5.4.2 参照)。さらに、ECU には入力電圧(12 V バッテリ)を昇圧させる回路を採用することにより、応答性の向上を実現している(図 5.4.3 参照)。


図 5.4.2 モータ最大トルクと質量 6)

図 5.4.2 モータ最大トルクと質量6)

図 5.4.3 出力特性 6)

図 5.4.3 出力特性6)


従来は出力特性(回転数×トルク)に対応させて、モータと ECU を設計変更して対応していたが、開発された高出力 C-EPS システムでは昇圧回路を 2 系統設定して(図 5.4.4、素子を載せない場合には 1 系統だけにすることができるので、ECU のみで回転速度(出力特性)を変更することができる。トルク(出力特性)の変更に対しては、モータをタイプ別にシリーズ化して、軸方向の長さでトルクを調整できるようにしている。


図 5.4.4 ECU(昇圧回路) 6)

図 5.4.4 ECU(昇圧回路)6)


5.4.2 コラムおよび減速機

新規の減速機構造として、フリクションの低減と歯打ち音の低減を両立させ、さらに温度による影響を低減させるために、新材料を用いたリダクションギヤおよび芯間調整機構が採用されている。これらによりモータの出力向上に対応して、操舵感と異音の低減を両立させている。図 5.4.5 に開発品に搭載された芯間調整機構の断面図を示す。従来機構はウォームとウォームホイールの芯間距離は固定されているのに対し、開発品ではウォームシャフトのエンド側軸受とハウジングの隙間を設け、図に示すようにスプリングを組み込むことにより、支点 A 側の軸受の隙間および曲率により A を支点にウォームが動くようになっている。そのため、温度による樹脂の膨張や摩耗による芯間距離の変化を吸収し、かみあい部のバックラッシュを無くす構造となっている。


図 5.4.5 減速機構造 6)

図 5.4.5 減速機構造6)


また、高出力化に伴い従来のウォームホイール部の樹脂材では、必要強度と摩耗低減の両立が困難であるため、高出力 C-EPS システムでは、強度を 40%向上させた樹脂材を新規に採用している。そして、モータの慣性による操舵感(ステアリングホイール上での慣性感)への影響を低減させるために、減速比の最適化を行っている。

5.4.3 ホール IC 式トルクセンサ

従来のトルクセンサに対して、温度変化による特性変動を低減させ、フェイルセーフからホール IC チップを 2 個搭載して 2 重系の回路構成とした「ホール IC 式トルクセンサ」が新規に採用されている。

ホール IC 式トルクセンサは、デジタル演算機能、不揮発性メモリ、温度補正機能を 1 チップに内蔵した高機能ホール IC を採用したことで、トルク検出精度が向上し、温度特性にも優れ、エンジンルーム内での高温使用環境下でも安定した操舵感を得ることができる。温度特性を 30%向上させ、ハンドルの回転に同期したセンサ出力の振れ回り変化を 1/3 に低減するなど、トルク検出精度および信頼性を向上させた。また、ホール IC チップを 2 個搭載して 2 重系の回路構成となっているので両者の出力差を監視することで、故障検出率の向上と検出方法の簡素化を達成しており、信頼性の高い製品となっている。

図 5.4.6 に開発したホール IC 式トルクセンサの構造を示す。従来品より、部品点数が少なく構造がシンプルなコンパクト設計とし、軸方向長さが約 10 mm 短縮され、搭載性にも有利な構造となっている。


図 5.4.6 ホール IC 式トルクセンサ構造 6)

図 5.4.6 ホール IC 式トルクセンサ構造6)


ステアリングホイールが操舵されていないときは、ヨーク歯部がマグネットの表面磁束を短絡しており、ホール IC に磁束が伝わらない(図 5.4.7 参照)。

操舵力が加わると、トーションバーで連結されたマグネットと磁気ヨークに角度差が生じ、マグネットの磁束が磁気ヨークから集磁リングに伝達される。集磁リングの突起部に挟まれたホール IC にトーションバーのねじれ角に比例した磁束が伝わることで操舵トルクを検出する(図 5.4.8 参照)。


図 5.4.7 トルクセンサ検出(中立時) 6)

図 5.4.7 トルクセンサ検出(中立時)6)

図 5.4.8 トルクセンサ検出(操舵時) 6)

図 5.4.8 トルクセンサ検出(操舵時)6)


5.4.4 マニュアルギヤ

高出力化に対応するために、ピニオン支持構造を最適化するとともに、操舵感を向上させるために、ギヤ諸元と各部の摺動部摩擦配分およびその最適化が実施されている。

図 5.4.9 にマニュアルギヤの構造を示す。高出力 C-EPS システムに対応した高強度、高信頼性、高静寂性を備え、小型化・軽量化が図られたコストパフォーマンスに優れたマニュアルギヤとなっている。高出力対応マニュアルギヤの特徴を表 5.4.1 に示す。


表 5.4.1 高出力対応マニュアルギヤの特徴

開発の狙い

アイテム

信頼性・静寂性の向上

ラックガイド外周Oリング、Oリング付エンドブッシュ、ドライメットSTシート、コイルスプリング外径拡大

性能向上

マウント部剛付け取付け、かみあい率向上歯諸元、ピニオン超硬ホブ仕上げ

小型化・軽量化

ラック径の最適化、アルミ製スクリュー、アルミ一体ハウジング

コストダウン

ラック径の最適化、ワッシャクロー廃止、外径研磨レスシャフト、クリップホルダー廃止

環境負荷物質対応

6価クロムフリー(亜鉛メッキ、ダクロダイズド処理)


図 5.4.9 マニュアルギヤ構造 7)

図 5.4.9 マニュアルギヤ構造7)


5.4.5 アシスト制御

当時の操舵感に対する EPS の評価は、油圧パワーステアリングに比べ明らかに劣っていた。それから、EPS の操舵感を改善する目的でいろいろな制御が追加され、改善されてきてはいるが、パワーステアリングとして納得できるような操舵感が達成されているとは言えない状況であった。ここで、新たな制御アルゴリズムを採用する狙いは、油圧パワーステアリングと同等もしくはそれ以上の操舵感を達成することである。

採用された新たな制御アルゴリズムの一つに、位相補償制御の改善が取り上げられる。位相補償とは、トルク信号にその微分処置した信号を付加することで、トルク信号の位相を進ませ、その進ませた信号を用いて制御することで、EPS システムの機械慣性、トーションバーのバネ定数およびアシスト制御のフィードバック定数に起因する固有振動数で発生する自励振動を抑制しシステムを安定化させる補償制御となっている。

従来までの制御では、図 5.4.10 に示すように基本アシスト特性に関係なく、高トルク域に合わせた一定の位相補償を設定していたが、高出力 C-EPS システムに採用された新たなアルゴリズムでは、図 5.4.11 に示すように基本アシスト特性に応じて必要な量の位相補償を設定して変更できる制御ロジックが採用されている。


図 5.4.10 基本アシストに対する位相補償(従来) 6)

図 5.4.10 基本アシストに対する位相補償(従来)6)

図 5.4.11 基本アシストに対する位相補償(新規) 6)

図 5.4.11 基本アシストに対する位相補償(新規)6)


このロジックにより、低トルク域の位相補償量を低減させることができるので、車両の直進付近の操舵感のコントロール性を向上させている。

EPS モータがブラシレス化され低慣性になったことにより操舵感は向上するが、背反としてフラッタ、ブレーキ振動などの逆入力に対する感度が大きくなっている。新たなアルゴリズムでは、逆入力振動成分をトルク微分値として検出し、振動を打ち消す方向にアシストすることで、その振動をステアリングホイールに伝えない制御を導入している。図 5.4.12 は、タイロッドからスイープ加振したときのステアリングホイール周方向加速度を示した結果である。フラッタ、ブレーキ振動の周波数帯において、ステアリングホイール周方向加速度が大幅に低減されていることが確認できる。


図 5.4.12 外乱に対する抑制効果(例) 6)

図 5.4.12 外乱に対する抑制効果(例)6)


5.4.6 電動チルト&テレスコピック機能付き

高出力 C-EPS は、その出力特性から大型車および上級車への搭載も検討されている。上級車になると、電動チルト&テレスコピック機構をコラムに搭載することは、高級乗用車としては必須な装備となっている。スイッチ操作で上下や前後の最適な位置へハンドルポジションの調整が可能である。なお、乗降時オートアウェイ機構付きの場合は、運転者が乗り降りする時にハンドルが動いて乗降性を向上させている。

電動チルト&テレスコピック機能付き高出力 C-EPS の構造を図 5.4.13 に示す。コンパクトなサイズに設計されており、従来の C-EPS と同等の全長で電動チルト&テレスコピック機能を搭載し、衝撃時のエネルギー吸収機構(EA 機構)を従来のコラム離脱式から、チューブ収縮構造へ変更することで EA ストローク 70 mm 確保できている。仕様を表 5.4.2 に示す。


図 5.4.13 電動チルト&テレスコピック機能付き高出力 C-EPS  8)

図 5.4.13 電動チルト&テレスコピック機能付き高出力 C-EPS8)


表 5.4.2 電動チルト&テレスコピック機能付き高出力 C-EPS の仕様8)

表 5.4.2 電動チルト&テレスコピック機能付き

電動チルト&テレスコピック機能付き高出力 C-EPS では、車両搭載を可能とするために、全長削減のアイテムを採用して、合計で 135 mm の全長短縮を実現している。全長短縮のアイテムを下記に記述する(図 5.4.14 参照)。

①  
EPS 減速機部、およびトルクセンサ部の軸長を短縮(20 mm 短縮)
②  
電動チルト&テレスコピック機能の変更
③  
チューブはめあい方法の逆転(115 mm 短縮)
④  
キーロック構造の小型化(ロックホルダ)


図 5.4.14 全長削減コンパクト化のポイント 8)

図 5.4.14 全長削減コンパクト化のポイント8)


5.5 高出力 C-EPS に向けたインタミディ エイトシャフトの技術動向

欧州において、パワーステアリングの搭載率の増加に伴い、小型車向けに 1996 年からコラムアシストタイプ電動パワーステアリング(C-EPS)が採用されはじめた。また北米でも 2002 年に小型 SUV 米国生産車に C-EPS が搭載され、中、大型車においても C-EPS の搭載が検討され、採用されていくことになる。高出力 C-EPS に向けたインタミディエイトシャフトの技術動向について Koyo Engineering Journal を参照して記述する9)

5.5.1 インタミディエイトシャフトへの負荷トルク

インタミディエイトシャフトは図 5.5.1 に示すようにジョイント部とメインシャフトより構成されている。C-EPS システムにおいてインタミディエイトシャフトが伝達するトルクは次式で表される。


図 5.5.1 インタミディエイトシャフト 9)

図 5.5.1 インタミディエイトシャフト9)


TI =
TH + TA:伝達トルク
TH :
ドライバがハンドルを操舵するときに発生するトルク
TA :
アシストトルク(モータ出力トルク×減速比×減速機効率)

油圧式パワーステアリングシステムの場合、操舵アシストはステアリングギヤ側にあるため TI = TH となり、インタミディエイトシャフに負荷されるトルクは常用最大で 10 Nm 前後である。高出力 C-EPS(小型車・普通車向け)システムでは、図 5.5.2 に示すように高出力化の影響により、インタミディエイトシャフトへ負荷される伝達トルクは、油圧パワーステアリングシステムと比較すると 10 倍以上になる場合もある。


図 5.5.2 システム別インタミディエイトシャフトへの

図 5.5.2 システム別インタミディエイトシャフトへの負荷トルク9)


5.5.2 インタミディエイトシャフトの種類と特徴

インタミディエイトシャフトは、衝撃吸収機構(衝突安全性)、振動・音吸収機構の有無などで分類されている。(表 5.5.1 参照)

表 5.5.1 インタミディエイトシャフトの種類9)

表 5.5.1 インタミディエイトシャフトの種類

高出力 C-EPS システムにように高トルクがインタミディエイトシャフトに負荷される場合、あそびの発生が懸念される。あそびは、スリーブとシャフト間のスプライン連結部の摩耗やへたり、またジョイント部の軸受とクロス間の摩耗や与圧抜けなどにより発生すると考えられる。市場におけるあそびの発生は、操舵感の低下につながるばかりではなく、異音の発生を伴う場合があるため、重要な課題であり対策が必要とされる。

5.5.3 新構造メインシャフトの開発

搭載性、操縦安定性などの観点からスライドタイプのインタミディエイトシャフトの装着が増加傾向にある。高出力 C-EPS に組み込まれるインタミディエイトシャフトには、以下の特性が必要とされる。

(1)  
あそびが少ない
(2)  
捩り剛性が高い
(3)  
スライド荷重が低い
(4)  
耐久性がある(あそびの増加、剛性低下が少ない)

しかし、従来のスプライン構造で「あそびが少ない」「捩り剛性が高い」といった仕様を満足させるには、スプライン部のすきまを減少させる必要があり、スライド荷重の増加、長期使用時の特性変化の増加の要因となる。これは、「スライド荷重が低い」「耐久性がある」と相反するものであった。

これらの課題を考慮して開発されたのが、図 5.5.3 に示すボールスライド機構である。スプラインタイプと同様に高トルク伝達時はスプライン構造部の「はめあい部」で受けるが、使用頻度の高い低トルク伝達時は、ばねで支持された「ボールで受ける」ことから、スプライン部の摩耗が少なく、ばねにより常時与圧が加えられているので、あそび感を抑制できる構造となっている。ボールスライド機構の特徴をまとめて表 5.5.2 に示す。


図 5.5.3 ボールスライド機構+スプライン構造 9)

図 5.5.3 ボールスライド機構+スプライン構造9)


表 5.5.2 ボールスライド機構の特徴

要求事項 特徴
1)あそびが少ない ばねにより常時与圧が与えられているので、あそび感を抑制できる
2)振り剛性が高い ばねにより常時与圧が与えられているので、一定の剛性を維持できる
3)スライド荷重が低い 低トルク伝達時は、ボールの転がりによる低スライド荷重を達成できる
4)耐久性がある 使用頻度の高い低トルク伝達時はボールで伝達するのでスプライン部の摩耗を少なくできる

5.5.4 ボールスライド機構の残された課題

ボールスライド機構により、従来課題とされていたあそびの発生防止、耐久性の向上について一定の成果が得られた。そして、更なる性能向上に向けたインタミディエイトシャフトの開発には、下記項目を進化させなければならない課題が残されていた。

①  
高トルク伝達状態での低スライド荷重
②  
高トルク伝達状態での高い捩り剛性
③  
低コスト化、軽量化

5.5.5 高剛性スライド式インタミディエイトシャフト

上記に示した残された課題に対応するため、ボールスライド機能を用いたインタミディエイトシャフトの次世代型として、高剛性スライド式インタミディエイトシャフトが商品化されている。

従来のボールスライド機構では、低トルク伝達時に限り、ばねで支持されたボールで受ける構造で低スライド荷重を実現していたが、高トルク伝達時にはスプラインはめあい部で受ける構造のため、スライド荷重が高くなっていた。

図 5.5.4 に示す高剛性スライド式では、ボールに与圧を与えた状態で組付けられているので、全トルク領域でスムーズに軸方向変位を吸収できる構造となっている。すなわち、高トルク伝達状態での低スライド荷重の課題が解決されていることになる。図 5.5.5 に高剛性スライドインターミディエイトシャフトの外観を示す。


図 5.5.4 高剛性スライド式構造 10)

図 5.5.4 高剛性スライド式構造10)

図 5.5.5 高剛性スライド式外観 10)

図 5.5.5 高剛性スライド式外観10)


5.6 高出力ラック EPS ギヤ比 可変ステアリング機構一体

原油価格の高騰、自然環境問題がクローズアップされ、自動車ではハイブリッド車や EV 車の需要が高まっている。ステアリングシステムも省エネタイプの電動パワーステアリング(EPS)へ急速に移行しつつあり、従来は、小型乗用車を中心に採用が進んでいた EPS システムであるが、近年は中型乗用車や大型乗用車でのニーズが高まっており、特にハイブリッド車や EV 車においては、エンジン駆動がなくてもアシストが必要となるため、EPS の搭載が不可欠となる。

ITS(Intelligent Transport Systems:高度道路交通システム)は、 2004 年からセカンド・ステージ(普及と社会還元加速)にあり、EPS は操舵トルクアシストだけでなく、車両から受け取った指令によりトルクをアクティブに制御することが可能であり、車両走行姿勢制御や車線維持支援機能の実現に不可欠なステアリングシステムとなっている。

また、ハンドルの操舵角に対する前輪切れ角を可変に制御可能なギヤ比可変ステアリング機構(E-VGR)によるアクティブステアリングがアクティブセーフティに対して、一つの有効な手段であり、ギヤ比可変ステアリング機構を一体に組み込んだ高出力ラック EPS について以下に JTEKT Engineering Journal を参照して記述する11)

5.6.1 システム設計

高出力ラック EPS は、従来システム(5.3 ラックアシストタイプ電動パワーステアリング)と比較すると、最大ラック軸推力=1.7 倍、最大ラック軸速度=1.2 倍、最大出力(軸推力×軸速度)=1.9 倍の高出力ラック EPS となっている(図 5.6.1 参照)。高出力となっているのは、大型車への搭載に対応するための最大ラック軸推力の増加がある。それだけでなく、ギヤ比可変ステアリング機構による制御で想定されるハンドル操舵角に対する前輪の切れ角および切れ角速度の増速要求に対応するため、最大ラック軸推力、最大ラック軸速度、そして最大出力の要求ポイントが大きくなっている。


図 5.6.1 高出力ラック EPS 出力比較 11)

図 5.6.1 高出力ラック EPS 出力比較11)


本システムのシステム構成を図 5.6.2 に示す。従来は、コントロールユニット(ECU)に昇圧回路を内蔵し、バッテリ電圧を ECU 内部で 28 V に昇圧してモータ駆動電圧として使用していたが、高出力に対応するため、昇圧回路を内蔵した DC/DC コンバータ電源ユニットをバッテリ近傍に設置し、バッテリと昇圧回路の配線抵抗を減らして電気システムとしてのエネルギー効率の向上が図られている。DC/DC コンバータ電源ユニットの出力電圧を 46 V に高電圧化してモータ回転速度の増加に対応している。


図 5.6.2 システム構成 11)

図 5.6.2 システム構成11)


ギヤ比可変ステアリング機構(E-VGR)は、EPS トルクセンサの上部に一体型で配置されている(図 5.6.2 参照)。E-VGR 内部のモータについては、内部構成部品のレイアウト最適化によりモータ軸長の短縮化を実現し、その他の部品についても必要強度を確保した上で小型・コンパクト化が図られている。

5.6.2 ボールねじ減速機

ボールねじ減速機は、強度の確保、伝達効率が高いこと、そして作動音が低いことが求められる。高出力ラック EPS では、従来のラック EPS に比較して、最大ラック軸推力が 1.7 倍必要とされ、その状態で強度および耐久寿命を満足しなければならない。その対策として、ボールにかかる面圧を軽減するためにボール径をアップさせている。ボール径のアップと作動音を低くするために、ボールねじのリード*1を従来のラック EPS と比較して 1.3 倍大きく設定している。

ボールねじ減速機における軸力の増加は、ボールねじ転動面における面圧の増加となり、作動音の増加につながっている。作動音を低減するには、ボールねじの基本的な性能評価項目である PCD(Pitch Circle Diameter:ボールが回転するピッチ円直径を示す)変動およびリード変動を低減する必要がある。変動はラック軸の熱処理工程後に発生するひずみによる精度低下が要因となっていた。

作動音低減の新規加工工程では、熱処理による精度低下を受けないように、ボールねじ部の粗加工後に熱処理を実施し、熱処理後に研削仕上げの工程を実施するように変更されている。また、作動音の高周波成分の改善を目的に、加工工程の最後に超仕上げ工程が追加されている。


*1  
ボールねじのリードとは、ねじ軸またはナット軸が 1 回転したときに、もう一方が軸方向に進む距離のことで、ボールねじが直動運動をするときの 1 回転の送り量となる。

5.6.3 ラック同軸モータ

高出力ラック EPS のラック同軸ブラシレスモータは、従来のラック同軸のモータと比較して、最大トルク値において 2.2 倍大きくする要求値となっていた(ラック軸力:1.7 倍×ボールねじリード:1.3 倍)。最大トルクを増加させるには、電流を増加させるかコイル巻数を増加させるかの方法が考えられた。検討の結果、電流を増加させるにはコネクタ電流容量などの課題が見つかり、コイルの巻数を増加させることで対応している。コイル巻数を増加させるには、巻線スペースを有効に活用することが重要であり、巻線を並列に結線することで線径を細くしてコイル部の占積率を 71%に向上させ、従来比 2.25 倍の巻数を成立させている。採用された高密度巻線を、図 5.6.3 に示す。


図 5.6.3 モータの高密度巻線 11)

図 5.6.3 モータの高密度巻線11)


モータの外径を従来と同一寸法で設計すると軸方向の寸法が長くなり、限られたラック軸長の範囲内に搭載することが困難になるので、モータ外径の拡大が図られている。

5.6.4 ギヤ比可変ステアリング機構

ギヤ比可変ステアリング機構(E-VGR)を搭載することで、操舵角度を制御する統合制御システムにより車両の走行条件に応じてタイヤ切れ角を制御し、より安全なシステムを運転者に提供することが可能となる。また、E-VGR の基本的な使い方としては、図 5.6.4 に示すように、低速時の切返しや駐車場などで大きなハンドル切れ角が必要なときに操舵量を低減させている。


図 5.6.4 E-VGR による操舵量低減 12)

図 5.6.4 E-VGR による操舵量低減12)


また、駐車時のハンドル操作を補助するパーキングアシスト機能や走行時の車線維持支援を行うレーンキーピングアシスト機能が作動するときに、E-VGR によるハンドル制御を付加することで、より快適なステアリングシステムを運転者に提供することを可能にしている。

5.7 故障時に止めない制御 機能安全への対応

電動パワーステアリング(EPS)は、前軸荷重が軽く軸力の小さい軽自動車からスタートした。現在は EPS アシスト出力向上に伴い、中型車、さらには大型車にも搭載が進んでいる。従来の EPS ではシステムに異常が発生した場合は、異常表示してシステムを停止していた。EPS が停止した場合、操舵力アシストが行われなくなり運転者に対する負荷が大きくなる。本来異常が発生しないことが重要だが、仮に、異常が発生したときにも操舵力アシストを継続するシステムが求められるようになってきている。以下に JTEKT Engineering Journal を参照して記述する13)

5.7.1 安全規格への対応

システム製品の安全性能を保証するために、さまざまな品質規格が制定され、ステアリングシステムにも適用されることから、これらの規格に適合することが自動車メーカーの採用条件となってきている。EPS に関連する規格を下記に示す(図 5.7.1 参照)。それぞれは、安全品質、プロセス品質、およびプロダクト品質に対応している。


図 5.7.1 安全規格の位置付け 12)

図 5.7.1 安全規格の位置付け12)


①  
ISO 26262:機能安全
②  
Automotive SPICE(ISO 15504):プロセス品質
③  
AUTOSAR:プロダクト品質

従来は各社が独自の考え方で安全対策を行ってきたが、各社共通の考え方に基づく対応が必要となってきている。このような状況下で特長を有する製品を提供するには、さまざまな規格に適合させて、それより高次元の安全性能を確保することが必要とされてくる。

5.7.2 ブラシレスモータ故障時の継続制御

ブラシレスモータを搭載した EPS において、モータライン断線などで、3 相のうち 1 相のみモータに電力供給できなくなった場合でも操舵トルクアシストを継続する制御方法について考案されて採用されている。

ブラシレスモータはモータ電気角位置に応じて各相に流す電流の大きさを変えることで、所定値のアシスト電流値に応じたアシストトルクを発生させることができる。正常時におけるブラシレスモータの各相通電状態の電流波形を、図 5.7.2 に示す。


図 5.7.2 ブラシレスモータの各相通電状態(正常時) 13)

図 5.7.2 ブラシレスモータの各相通電状態(正常時)13)


ブラシレスモータ駆動部は、一般的にインバータ(MOS-FET×6 個)、プリドライバ、相開放リレー、モータラインハーネスとコネクタ、および電流センサから構成されている(図 5.7.3 参照)。このようにブラシレスモータ駆動部は、多くの部品から構成され、また大電流を通電して温度上昇することから、計算上の故障率は高くなる。これまで、MOS-FET のオープン故障やモータライン断線故障のような 3 相のうち 1 相のみ電源からモータに電力供給できなくなった場合においても、アシスト出力の停止処置が行われてきた。


図 5.7.3 電源からモータまでの回路図 13)

図 5.7.3 電源からモータまでの回路図13)


アシスト停止処置が必要としないように、モータラインの 1 相が断線故障したときにモータトルクを出力させるブラシレスモータの通電方法が検討された。検討結果の例として U 相に断線故障が発生した場合、ブラシレスモータのロータとステータのエネルギー関係式と U 相断線条件式から、式(3)が導かれる。


T × ω = IU × VU + IV × VV + IW × VW
 (1)
IU = 0、 IV + IW = 0
T
モータトルク [Nm]
ω
モータ角速度 [rad/s]
VU
U 相電圧 [V]
VV
V 相電圧 [V]
VW
W 相電圧 [V]
IU
U 相電流 [A]
IV
V 相電流 [A]
IW
W 相電流 [A]
Iq
アシスト電流 [A]
θ
モータ電気角 [deg]
 (2)

IU = 0 IV = Iq√2 × cos θ IW = Iq√2 × cos θ  


 (3)

故障が発生した場合も、式(3)に従い V 相と W 相に電流を流せば、故障発生前とほぼ同等のモータトルクを得ることができる(図 5.7.4 参照)。ただし、電気角 90 deg および 270 deg において無限大の電流が必要とされることになる。


図 5.7.4 モータの通電方法(U 相断線故障時) 13)

図 5.7.4 モータの通電方法(U 相断線故障時)13)


実際には、モータに最大流すことのできる最大定格電流値が設定されるので、各相のモータ電流に制限がかかることになり、結果、モータ出力トルクが制限されることになり、アシストトルクが不足する領域が発生する(図 5.7.5 参照)。操舵を行うと、アシスト不足領域では、操舵トルクが急激に増加し、運転者はひっかかりを感じることになる。


図 5.7.5 アシストトルクと操舵トルク(電流制限時) 13)

図 5.7.5 アシストトルクと操舵トルク(電流制限時)13)

断線時における通電方法の対策として、各相の電流指令値を演算する時に、電気角の位相を操舵方向に
α deg 進ませる調整を実施する。式(4)に示す(図 5.7.6 参照)。


IU = 0 IV = Iq√2 × cos (θ+α) IW = Iq√2 × cos (θ+α)    (4)

図 5.7.6 モータ通電方法(断線対策) 13)

図 5.7.6 モータ通電方法(断線対策)13)


上記の通電対策を実施した場合、対策前のモータトルクと比較して対策後のモータトルクにおいて、アシストが大きい領域(A 領域)と操舵方向と逆のトルクを発生する領域(B 領域)が発生する(図 5.7.7 参照)。A 領域では、モータ回転運動にエネルギーを蓄えることができ、モータ回転速度を増加させることができる。B 領域では、モータ回転に勢いがなく、アシストゼロ点を飛び越えることができなくても、操舵方向と逆にモータを回転させ、再び A 領域に戻すことができる。再び A 領域に戻され、再度モータ回転速度をさらに勢いをつけて上昇させることで、アシストゼロ点を飛び越えることができ、その回転速度で操舵のひっかかり感が低減され操舵が継続できることになる。


図 5.7.7 モータトルク(断線対策) 13)

図 5.7.7 モータトルク(断線対策)13)


従来の EPS アシスト停止時と比較して、操舵トルクは飛躍的に小さくなっており、運転者の負担が軽減されることになる。また、故障時制御が作動すると、操舵時に振動が発生するので、運転者は故障の発生を操舵時の振動から感じ取れるので、運転者へ故障を即座に通知することが可能な制御となっている。上記のアシスト継続時制御有無の比較を、図 5.7.8 に示す。


図 5.7.8 操舵トルク比較(断線対策) 13)

図 5.7.8 操舵トルク比較(断線対策)13)


5.7.3 操舵力アシストの継続

開発当初の EPS ではシステム上に異常が発生した場合は、異常表示してシステムを停止させていた。EPS が停止した場合、操舵力アシストが行われなくなり運転者に対する負担が大きくなる。本来異常が発生しないことが重要だが、仮に、異常が発生したときにも操舵力アシストを継続するシステムが要望されはじめている。 2010 年までに実用化された制御・技術を下記に記述する。

(1)  
トルクセンサ故障時のアシスト漸減停止機能
特に操舵中のセンサ信号ラインの断線故障などが発生した場合を想定すると、コントロールユニット(ECU)のフェイルセーフ機能により故障を検出してアシストを停止すると、操舵力が急激に大きくなることで、運転者に大きな負担を与えてしまう。この対策として、故障が検出された直前に正常なトルクセンサ信号と判定された値を用いてアシストを継続し、その後、アシストを漸減させてから停止する機能である。
(2)  
車速信号停止時の車速固定制御
EPS のアシスト量は、車速によりアシストマップを持ち車速により最適なアシスト量を決定している。車速信号がフェイルセーフ機能により無効と判別された場合、当初の EPS では、故障の表示をしてアシストを停止していた。走行中にアシスト停止すると、運転者にとって想定外の操舵力増加となることで、大きな負担を与えてしまう。この対策として、車速信号が無効となった場合にも、車速固定制御に切り替えることで、急激なアシスト増加を防止することになる。なお、車速固定の車速は、低速に設定すると高速走行時の操舵安定性が不足する場合が想定されるので、高速の車速に設定されている。
(3)  
エンジン回転数信号停止時の継続制御
EPS は大電流を消費するので、バッテリの充電量がなくならないように、エンジン回転数信号によりアシスト許可の判定をしている。当初の EPS では、エンジン回転数信号に異常が検出されるとアシスト停止し、特に走行中であれば、運転者にとって想定外の操舵力増加となり大きな負担を与えてしまう。この対策として、走行中にエンジン回転数信号に異常が検出されても、走行中であることが車速により判定されれば、車両が停止するまでアシストを継続するように設定されている。

EPS システム製品に対する安全性能への要求レベルは日々向上しており、ブラシレスモータ故障時の継続制御などの制御技術による対応は非常に有効な手段であるが、新たな開発では回路構成を冗長化*1することによって故障時に止めないような安全性の確保も要望されるようになる。


*1  
冗長化とは、機器やシステムの構成要素について、同じ機能や役割の要素をあらかじめ複数用意しておき、障害が発生したときに肩代わりできるよう待機させて、一部の機能が故障等により失陥してもシステム全体が停止することなく継続できる。そのようなシステムの性質を「冗長性」(redundancy)とも呼ばれる。



参考・引用文献

1) 井尻和一郎、筒井高志、電動パワーステアリングの技術動向、Koyo Engineering Journal, No.162, pp.28-32,(2002)
2) 社史編纂委員会編纂、アメリカ初 GM 社サターン向けコラムタイプ電動パワーステアリングの開発、ジェイテクト 10 年史、p.114,(2016)
3) 福留冨久男、電動パワーステアリングの電装部品の動向、Koyo Engineering Journal, No.163, pp.31-35,(2003)
4) 大須賀章朗、松岡祐樹、筒井高志、小幡佳史、アルノー・ドゥルレー、ピニオンアシストタイプ電動式パワーステアリングシステムの開発、Koyo Engineering Journal, No.161, pp.47-52,(2002)
5) 大西 晶、成瀬光則、森下伸直、ラックアシスト電動パワーステアリング、豊田工機技報、Vol.44, No.3, pp.17-22,(2004)
6) 永橋 豊、川久保暁威、辻本泰介、景井勝典、長谷川 純、角谷智司、高出力コラムタイプ電動式パワーステアリング(C-EPS)システムの開発、JTEKT Engineering Journal, No.1003, pp.35-39,(2007)
7) ステアリング事業本部 第 3 システム技術部、高出力コラムタイプ電動パワーステアリング用マニュアルギヤ、JTEKT Engineering Journal, No.1001, p.129,(2006)
8) ステアリング事業本部 中部テクニカルセンター、大型・上級車向け電動チルトテレスコピック機能付きコラム式電動パワーステアリング(C-EPS)、JTEKT Engineering Journal, No.1006, pp,82-83,(2009)
9) 植田博二、ステアリングシステムにおけるインタミディエイトシャフトの技術動向、Koyo Engineering Journal, No.168, pp.15-19,(2005)
10) ステアリング事業本部 要素開発部、高剛性スライド式インタミディエイトシャフト、JTEKT Engineering Journal, No.1006, p.84,(2009)
11) 高橋俊博、鈴木博之、中山琢也、藤山賢一、山口茂利、山下正治、後藤武志、斎藤貴俊、高出力電動パワーステアリングの実用化技術、JTEKT Engineering Journal, No.1006, pp.49-54,(2009)
12) 宮崎博之、EPS 技術開発の展望、JTEKT Engineering Journal, No.1009, pp.19-22,(2011)
13) 野沢哲也、新谷泰規、玉泉晴天、日比淑江、板本英則、ブラシレスモータ EPS システム 1 相断線故障時アシスト制御の開発、JTEKT Engineering Journal, No.1008, pp.50-53,(2010)

Contents に戻る



 6 電動パワーステアリングの開発と進化 ― 2010 年以降 ―

電動パワーステアリング(EPS)は、 1988 年に生産が開始されて多くの車両に採用されてきたが、 2000 年頃までは、油圧パワーステアリングが主力のステアリングとして大多数の車両に採用されている状況であった。その後、省エネに対する社会的な背景から EPS は、 2000 年以降生産台数を順調に増やし、 2010 年頃には油圧パワーステアリングと同等の搭載割合まで増加している。

2010 年以降は中・大型車への搭載割合の増加のペースが上がり、 2020 年には 70%以上の EPS 搭載割合になっている。中・大型車向け EPS として開発された、「デュアルピニオンタイプ電動パワーステアリング(DP-EPS)」および「ラックパラレルタイプ電動パワーステアリング(RP-EPS)」は、その優れた性能により EPS 搭載割合の増加に貢献している。

ステアバイワイヤシステムは、ステアリングシャフトの途中にクラッチを設けて機械的に切り離すことでバイワイヤ動作させるシステムが開発され量産車両に搭載されている。

機能安全(ISO 26262)は、自動車の電気・電子システムの故障が発生しても許容可能なレベルに低減するという考え方であり、 2011 年に第 1 版が発行され、 2018 年に第 2 版が発行されている。ISO 26262 開発プロセスに準拠し、故障時でもアシスト継続性を確保し、衝突性能、快適性の向上と小型化を実現させた機能安全(ISO 26262)対応 EPS が開発されている。

ADAS(Advanced Driving Assistant System)機能の普及により、 2015 年頃からレーンキープアシストの新車装着率の増加が顕著になっており、安全サポート機能を搭載するために EPS が必要とされるようになった。

6.1 デュアルピニオンアシストタイプ 電動パワーステアリング(DP-EPS)

電動パワーステアリング(EPS)は、電動モータと減速機の配置により、コラムアシストタイプ、ラックアシストタイプの 2 種類に大別され、車種の特徴に応じて最適なタイプが採用されている。

ラックアシストタイプのピニオンアシストタイプ EPS(P-EPS)はエンジンルーム内にアシスト機構(電動モータと減速機のユニット)を配置し、ハンドル軸に接続されたラック&ピニオンギヤのピニオン軸をアシストする EPS で静粛性に優れ、主に軽自動車から小型車クラスに搭載されている。デュアルピニオンアシストタイプ電動パワーステアリング(DP-EPS)は、アシスト機構をハンドル軸と分離し、2 軸のピニオンがラックと噛合う構造とすることで、アシスト機構の搭載位置に対する設計自由度が広がり、搭載性に優れた構造となっている。また、新たな小型で高強度の減速機を採用することで、従来の P-EPS に対し車両搭載性を向上させると同時に高出力化も達成している。

DP-EPS は、中型車クラスへの搭載も可能な出力を実現しており、欧州では幅広い車両に搭載が検討されており、搭載性の向上と高出力化を両立した EPS システムとして、搭載車両が大幅に拡大して行くことになる。

6.1.1 システム概要

DP-EPS は、ハンドル軸とアシスト軸がそれぞれ 2 つの軸に分かれている。DP-EPS の外観を図 6.1.1 に、DP-EPS の構造図を図 6.1.2 に示す。ハンドル軸は運転者の操舵トルクを検出するトルクセンサ部と操舵力を伝えるラック&ピニオンギヤで構成される。アシスト軸は、モータの回転を減速するウォーム減速機とアシスト力を伝達するラック&ピニオンギヤで構成される。2 個のピニオン軸に EPS 構成部品を配置できるので、ピニオン EPS に比べてハンドル側のピニオン軸周りをコンパクトに設計することが可能となっている。


図 6.1.1 DP-EPS の外観 1)

図 6.1.1 DP-EPS の外観1)

図 6.1.2 DP-EPS の構造 1)

図 6.1.2 DP-EPS の構造1)


アシスト軸は、左右の位置、ラック軸に対する回転位相を自由に設定できるため搭載性に優れている。また、ハンドル軸とアシスト軸は、それぞれのラック&ピニオンに異なったギヤ比を設定することが可能であり、アシスト軸のラック&ピニオンのギヤ比の設定を高減速比化することで、高出力 EPS の設計が可能である。

6.1.2 システムの特徴

DP-EPS の特徴は、ハンドル軸とアシスト軸として個別にピニオン軸を 2 個設定することで、車両搭載の諸事情を考慮した搭載性に優れた EPS システムとなっている。一般的にグローバル販売車両は、右ハンドル仕様、左ハンドル仕様の両方に対応できるように車両設計は考慮されており、右ハンドル仕様の車両でも左ハンドル仕様に対応できるように、左ハンドル仕様のピニオン軸を設置するスペースが確保されているか、もしくは容易に確保できるようになっている。したがって、アシスト軸ピニオンは、右ハンドル仕様の場合は、左ハンドル仕様のピニオン軸のスペースに設置され、左ハンドル仕様の場合は、右ハンドルのピニオン軸のスペースに設置されるので、車両搭載の諸事情をうまく利用した搭載性に優れた EPS となっている。

また、アシスト軸ピニオンの位置は、ラック軸方向、およびラック軸円周方向への移動設置が可能であり、モータはピニオン軸円周方向に移動設置が可能であり、搭載の自由度が大きいことも特徴である。アシスト軸搭載の自由度を、図 6.1.3 に示す。


図 6.1.3 搭載の自由度

図 6.1.3 搭載の自由度


ハンドル側ラック&ピニオンに関しては、アシスト力を考慮する必要がないので、車両の操舵に適したギヤ比(比ストローク)を自由に選定にすることが可能となる。一方、アシスト側ラック&ピニオンのギヤ比は、車両の操舵とは関係しないので、アシスト力を優先したギヤ比の選定が可能であり、モータ出力特性に合わせて高減速比を採用して、より高出力を得ることができる。

6.1.3 操舵感の比較

操舵感の比較を、図 6.1.4 を用いて説明する。DP-EPS と C-EPS では、モータが回転しようとする力の反作用をどこで受けるか異なっている。モータアシストの反力は、モータを保持している部品が受けることになる。DP-EPS の場合、モータはステアリングギヤボックスに取り付けられており、そのギヤボックスはフロントサブフレームにマウントされている。サブフレームはサスペンションからの入力も受け止めるほど十分な剛性が確保できている。

一方、C-EPS の場合、アシスト用モータはドライバが握るハンドルの支持部(ステアリングコラム)に搭載されている。ステアリングコラムはインパネリインフォースメントという部品に固定されている。インパネリインフォースメントは、車のボディ運転席左右にある A ピラーの間に設置され、強度のあるパイプ材でできているが、車のボディの A ピラーに取り付けされているので充分な剛性が確保できているとは言い切れない。

C-EPS のように、取付け剛性が十分でない場合、モータアシストの反力によってハンドル支持部が動いてしまうことになるため、操舵に対するラックの動きだし(立ち上がり)に遅れが発生していると考えられる。DP-EPS は、アシスト反力を受ける部分の剛性が充分確保できているので、操舵に対するラックの動きだし(立ち上がり)が早く、ハンドル操作をリニアにタイヤへ伝達することができる。


図 6.1.4 操舵感の比較

図 6.1.4 操舵感の比較


6.1.4 モータおよびコントロールユニット

DP-EPS は、中型車クラス以上への搭載も可能とする高出力に対応した機械構造であり、この機械構造のメリットを生かすためには、高出力のブラシレスモータの搭載が必須となってくる。ブラシレスモータには、回転角センサが内蔵されており、コントロールユニット(ECU)の間を配線する必要がある。また、センサ信号なので配線については外部ノイズへの配慮が必要とされる。上記に対して、ブラシレスモータの競争力を向上させるために、モータと ECU の一体化設計が進展している。一体化することで下記の 3 項目もメリットになると考えられる。

①  
モータと ECU 間の接続配線抵抗低減による効率向上
②  
車両側配線の削減による装着工数低減と搭載性の向上
③  
モータと ECU 一対でモータ出力を個別に補正することで出力特性の精度向上

モータと ECU を一体型としたブラシレスモータコントローラユニットを「MCU」(Motor Control Unit)と呼んでいる。


EPS の競争力の向上に向け、新型の MCU が開発され製品化されている。三菱電機株式会社の次世代 MCU として開発された新型の MCU の概略を、三菱電機技報を参照して記述する2)

新型の MCU は、モータとコントローラが一体化された MCU 構造とし、小型・軽量が図られている。図 6.1.5 に MCU の外観を示す。 2000 年代に量産開始された MCU は、モータの上部に ECU が搭載された形状となっている(図 6.1.5(a)現行世代 MCU 参照)。モータと ECU は、それぞれの組み立てラインで作られ、最後の工程でモータと ECU が合体する構造となっている。新型の MCU は、ECU の機能部品を小型化することにより、ステアリングギヤ取り付け部とモータとの間に ECU をコンパクトに搭載することを可能とし、従来のモータと ECU 合体構造に比べて、体積で 50%、質量で 30%の削減を実現させている(図 6.1.5 参照)。


図 6.1.5 MCU の比較 2)

図 6.1.5 MCU の比較2)


新型 MCU は、小型・軽量化および低コストを達成するために、ECU 構成部品がモータと同軸上に配置されている。図 6.1.6 に新型の MCU の内部構造を示す。上部にモータの構造体(ステータ、ロータ、およびハウジング)があり、その下に ECU の機能部品が組み込まれ、最下部にヒートシンクが設置されている。ヒートシンク下面は、ステアリングギヤ減速機部との取り付け部となっており、ステアリングギヤに組付けることで減速機部のアルミハウジング部の構造体を追加のヒートシンク熱容量として有効活用できる構造となっている。


図 6.1.6 新型の MCU の内部構造 2)

図 6.1.6 新型の MCU の内部構造2)


ECU の機能部品は、小型化が図られており、モータハウジングとヒートシンクに挟まれた空間に装着されている。ECU の発熱部品となる UVW の 3 相独立した 3 個のパワーモジュールおよび電源を遮断するリレーモジュールがヒートシンク上に実装されている。その上にはインサート成型された樹脂製フレームが設置されている。大型部品であるコンデンサおよびチョークコイル(EMC,Electro-Magnetic Compatibility 対策部品)は樹脂製フレームの枠内に効率よく配置されている。そして、これらの大型部品は、インサート成型された樹脂製フレームのターミナルに接続および固定され一体化されている。樹脂製のフレームの上部に制御基板が配置され、組付けられた ECU 機能部品は、モータハウジングとヒートシンクで密閉されるので、外部および内部からの電磁ノイズを遮蔽する構造となっている。

この構造を達成するには、ECU 機能部品の小型化が達成されなければならない。その対応策として、「パワーモジュールは、トランスファーモールド構造と、ダイレクトリード接合型(DLB)構造」3)が採用され、小型化されたパワーモジュールを使用することで、高出力化、高性能化、および低ノイズ化が図られている。MCU の小型・軽量化は、車両への搭載性を大きく向上させて、DP-EPS 拡販へ向けたアピールポイントの一つとして貢献して行くことになる。図 6.1.7 に外観図を示す。


図 6.1.7 新型の MCU の外観 2)

図 6.1.7 新型の MCU の外観2)


従来の MCU は、形状とサイズが大きく車両の搭載に苦労していた。車両に MCU を搭載するために、MCU の一部形状を搭載車両の専用形状へ変更することがあった。また、車両メーカー指定のコネクタ仕様に準拠するために、ECU の樹脂ハウジングの形状を個別に専用設計する場合もあった。新型の MCU ではコネクタ部を単独で設計変更可能とし、コネクタ部を客先のコネクタ仕様に準拠して変更できる独特な構造を採用している。独特な構造により、顧客から個別に要求されるコネクタ仕様に合わせた対応が容易となり、金型費用の低コスト化も同時に実現している。

6.2 ダイレクトアダプティブ ステアリング(DAS)

ステアバイワイヤシステムの研究は、EPS が量産化されたころから検討が開始されていた。ステアバイワイヤは、ステアリングコラムとステアリングギヤを機械的に連結するインタミディエイトシャフトが無くなることから、ステリングコラムを自由に設計できるので、自動車の設計面で新たな革新をもたらすと期待される技術である。しかし、バイワイヤ部分である電気・電子システム部の故障に対する操舵機能をどのように保証するかが大きな課題であり、ステアバイワイヤシステムを実現するには、新たな対応策が必要とされていた。

これらの課題に対して、日産自動車株式会社では、「ステアリングシャフトの途中にクラッチを設けて機械的に切り離すことでバイワイヤ動作させるシステム」3)を開発し、Infiniti Q50 に搭載している。

新しいステアリング技術であるダイレクトアダプティブステアリングは、ステアリングの動きを電気信号に置き換えてタイヤを操舵する世界初のステアリングシステムで、応答遅れのないクイックなハンドリングと高い直進安定性をドライバに提供できるステアリングシステムである。以下に、ダイレクトアダプティブステアリング(DAS)の開発概略を、日産技報、Nissan Technical Review を参照して記述する3)

6.2.1 DAS システム構成

DAS システムは、ステアリングアングル・アクチュエータ、ステアリングフォース・アクチュエータ、クラッチ、および 3 個の ECU と ECU 間相互通信で構成されている(図 6.2.1 参照)。


図 6.2.1 システム構成 3)

図 6.2.1 システム構成3)


ステアリングアングル・アクチュエータは、ラックギヤに左右 2 個のラック&ピニオンギヤが設置され、それぞれのピニオンシャフトに減速機とブラシレスモータが設定されて、2 系統のアシスト駆動部が構成されている。また、システム構成部品の故障時に、バックアップ機能として待機しているピニオン EPS 機能が作動するときに必要となるトルクセンサがピニオン部に装着されている。また、ダイレクトな車両応答を得るため、ステアリングアングル・アクチュエータは、ゴム製のマウントブッシュ等を使用せずサスペンションメンバ直付けのマウント構造がとられている。

ステアリングフォース・アクチュエータは、マニュアルコラム相当の構造となっており、ハンドルシャフトの下端部に、ブラシレスモータが同軸上に搭載されている。ハンドルホイールと反力用のブラシレスモータは、減速機を使用せずダイレクトに結合されている。モータ軸はコラム Assy を介してステアリングホイールに直結されるため、モータのトルク脈動がそのままステアリングホイールからドランバーに伝わることから、反力モータは多極化を採用し、ステアリングフィーリングを損なわないようにトルク脈動の低減を図っている。また、低回転・高トルク型モータとするなど、ステアリングインフォメーションの伝達にも配慮している。

クラッチは、電気・電子システム構成部品が故障したときにステアリングアングル・アクチュエータとステアリングフォース・アクチュエータを連結するので、インタミディエイトシャフト軸上に設置されている。ステアリングフォース・アクチュエータの ECU がクラッチのソレノイドを通電することで、クラッチは開放される。車両電源が遮断されているときは、クラッチは締結状態であり、車両電源が ECU に供給され電気・電子システムの故障診断を実施してから、ECU がクラッチを通電することでクラッチは開放され、上下のアクチュエータの機械的連結が解除されるように設計されている。

DAS システムには、ステアリングアングル・アクチュエータ用として 2 個のモータ、およびステアリングフォース・アクチュエータ用として 1 個のモータで合計 3 個のモータが搭載されている。3 個のモータを駆動するために ECU が 3 個搭載され、3 個の ECU 間で相互通信が実行され作動状況を相互に常時監視することで、電気・電子システムの故障を確実に検出できる構成としている。3 個の ECU 間の相互通信には、複数の ECU が同時に通信できるように設計されている。ECU 間の相互通信には、高速で高信頼性の車載ネットワーク技術である Flex Ray *1 が採用され、高速通信時の高い信頼性とリアルタイム性が確保されている。


*1  
Flex Rayは、自動車業界で使用される高速データバスシステムの一種で、自動車の電子制御ユニット(ECU) 間でデータを送受信するために使用される。自動車メーカーや主要サプライヤが共同で開発した車載向け 通信バス・システムの標準規格で、高い信頼性とリアルタイム性を提供し、複数の制御ユニットが同時に 通信できるように設計されている。Flex Ray のコンセプトは CAN に比べて、機能性能の面で上位に位置 づけられる仕様である。通信方式は TDMA(Time Division Multiple Access)。ノードの通信時間を一定 時間ごとに分割することで多重通信を実現している。この方式では、送信タイミングや順番を予め定めて いるので、送信の衝突は発生せず、バス上の負荷を制御できる。フォールトトレランスのために 2 つの独 立したデータチャネルを持つことができる。また、1 つのチャネルが動作しない場合でも、帯域幅を減ら して通信を続けることができる 5)


6.2.2 DAS システムの特長

クラッチのソレノイドを通電することでクラッチは開放され、上下のアクチュエータの機械的連結が解除されるように設計された DAS システムは、電気信号に基づいてタイヤの角度制御と操舵反力を生成することにより、幅広い範囲のギヤ比の設定が可能で、素早く正確な応答性の確保と路面からの外乱に対する高い安定性を両立させ、従来のステアリングでは実現できなかった操舵性能を運転者に提供できるようになった。

①  
低中速域では少ない操作量で大きく曲がり楽に駐車できる。一方、高速域ではタイヤの角度制御量を減らして良好な直進安定性が得られる。
②  
轍(わだち)などでタイヤが動いてもすぐに復帰させることが可能であり、中高速域の荒れた路面を通過するときの直進性が優れている。
③  
路面から入力される微小なタイヤ振動などの不要な振動を減らして、運転者の疲労が軽減される。

6.2.3 システムの基本動作

DAS システムの基本動作を、図 6.2.2 に示す。運転者が操作したハンドル角度は、ステアリングフォース・アクチュエータのステアリングアングル・センサで検出され ECU で処理される。ステアリングアングル・アクチュエータ ECU は、ECU 間の通信でハンドル角度を受信し、そのハンドル角度および車速などの車両情報から「タイヤ転舵角度」を算出する。そして、「タイヤ転舵角」が目標値になり、角度サーボ制御がステアリングアングル・アクチュエータで実行される。


図 6.2.2 システムの基本動作 3)

図 6.2.2 システムの基本動作3)


運転者が感じるステアリング反力は、ステアリングアングル・アクチュエータのタイヤ駆動力から推定されるラックフォースと車速信号などの車両情報から必要な操舵反力が算出され、ステアリングフォース・アクチュエータが駆動されて操舵反力として運転者へ提供される。運転者は、操舵の状態を反力としてフィードバックされるので、正確なハンドル角度調整が可能となる。

6.2.4 システム故障時のバックアップ

電気・電子システムは、ECU の演算結果に差異が発生するような異常が検出されたときには、ステアリングフォース・アクチュエータ用の ECU から供給されているクラッチを開放する電源を停止させることで、クラッチが締結される。そして、ステアリングフォース・アクチュエータとステアリングアングル・アクチュエータは機械的に連結されてメカニカルな操舵機構が提供される。そして、2 個あるうちの故障が発生していないステアリングアングル・アクチュエータの ECU とモータはバックアップモードで継続して動作する(図 6.2.3 参照)。


図 6.2.3 バックアップモード 3)

図 6.2.3 バックアップモード3)


EPS システムでは、システムが故障した場合、アシスト機能を停止してマニュアルステアリングに切り替えて安全性を確保しているが、DAS システムでは、故障時のバックアップ機能を有しており、システムの一部に問題が生じても、全体が機能停止するということなく(たとえ機能が縮小しても)動作し続けるようなシステム設計となっている。

6.2.5 DAS 機能上の特徴

DAS システムでは、機械的な弾性変形などの影響受けない電気信号でハンドルとステアリングギヤが接続されているので、その電気信号に補正を加えることで、応答遅れが小さい正確なステアリング応答を可能にしている(図 6.2.4 参照)。


図 6.2.4 ダイレクトな応答 3)

図 6.2.4 ダイレクトな応答3)


DAS システムでは、路面外乱などの外乱入力に対してステアリングアングル・アクチュエータのサーボ制御によりタイヤの角度変化は小さく抑えられている。そのため、ステアリングフォース・アクチュエータの反力も小さくなり、キックバックの少ない操舵フィーリングが提供されている(図 6.2.5 参照)。


図 6.2.5 路面からの外乱 3)

図 6.2.5 路面からの外乱3)


DAS システムは、電気信号に基づいてタイヤの角度制御と操舵反力を生成することにより、幅広い範囲のギヤ比の設定が可能となっており、低中速域では少ない操作量で大きく曲がり楽に駐車できる。一方、高速域ではタイヤの角度制御量を減らして良好な直進安定性が得られる(図 6.2.6 参照)。


図 6.2.6 車速に応じたギヤ比の可変範囲  3)

図 6.2.6 車速に応じたギヤ比の可変範囲3)


DAS システムは、将来的に自動運転を目指したシステムと言える。安全性の設計面で EPS とは異なり、故障時にバックアップ機能を持つ、フォールト・トレラント(Fault Tolerant)と呼ばれる設計手法を用いたシステムとなっている。フォールト・トレラントとは、システム設計の手法であり、システムの一部に問題が生じても、全体が機能停止するということなく(たとえ機能が縮小しても)動作し続けるようなシステムを設計するものである。

DAS システムを活用したさらに多様な機能が追加実現されること、そして、クラッチを持たない完全なステアバイワイヤへ向けた進化が期待される。

6.3 機能安全(ISO 26262)対応 EPS

自動車に搭載される電気・電子システムは複雑化や高性能化・高機能化が急激に進展し、搭載数も急激に増加している。電気・電子システムが搭載された機能が故障や誤作動なく動作し、自動車が安全に走行でいることが求められる。そのため、IEC 61508 で国際規格化されていた機能安全の考え方が自動車産業に導入されることになり、 2011 年に自動車の機能安全の国際規格として ISO 26262 が発行された5)6)

自動車向け機能安全国際規格(ISO 26262)の開発プロセスを準拠し、トルクセンサとアシストトルクを発生させる MCU(Motor Control Unit)部のモータ駆動回路部を冗長化し、故障時でもアシスト継続性を確保し、衝突性能、快適性の向上と小型化を実現させた機能安全(ISO 26262)対応コラムアシストタイプ EPS が 2015 年に量産開始されている(図 6.3.1 参照)。以下に JTEKT Engineering Journal を参照して記述する7)


図 6.3.1 コラムアシストタイプ EPS  7)

図 6.3.1 コラムアシストタイプ EPS7)


6.3.1 EPS の安全性確保

国際規格 ISO 26262 の規定により、電子機器で発生するハードウェア故障やソフトウェアに残存するバグによる障害は、危険度、頻度、および回避性能の指標(表 6.3.1 参照)に応じて ASIL(Automotive Safety Integrity Level:「自動車安全水準」)にランク付けされる。


表 6.3.1 ASIL 決定の指標

指標

内容

段階

Severity

重大度

(ドライバまたは同乗者が受ける傷害の種類)

「負傷なし」(S0)~

「生命を脅かす/致命的な負傷」(S3)

4段階

Exposure

曝露確率

(自動車がハザードに遭遇する頻度)

「非常に確率が低い」(E0)~

「非常に確率が高い」(E4)

5段階

Controllability

制御可能性

(ドライバによる障害回避の難易度)

「総じて制御可能」(C0)~

「制御不能」(C3)

4段階


ISO 26262 の ASIL には、A、B、C、D で識別される 4 つの段階が設定されている。表 6.3,1 に示す ASIL 決定の指標と ASIL レベルの関係を、図 6.3.2 に示す。ASIL-A は自動車のハザードの程度が最も低く、ASIL-D は最も高いことを示している。なお、QM(Quality Management)は ASIL-A よりレベルが低いので、許容されるリスク範囲となり機能安全を適用しなくてもよい通常の品質管理が適用される領域となる。


図 6.3.2 各指標と ASIL の関係 8)

図 6.3.2 各指標と ASIL の関係8)


EPS システムでは、以下の故障モードが ISO 26262 の ASIL-D に分類され、最もクリティカルなものと定義されている。

これらの故障モードに対しては、開発・設計および製造の各段階で機能安全要求に合わせた品質の作りこみを実施し、故障率の低い電子部品を選定することにより、故障発生を機能安全要求に合わせることで対応している。また、これらの故障も含め、システムに異常が発生した際にデュアルコアマイコンの監視機能やフェイルセーフ機能によりシステムは停止し、それ以上危険な状況にならないように設計的な対策がされている。しかし、EPS の搭載範囲が拡大しており車両の大型化(重量増)に対し、EPS システムのアシスト力が増大しているので、システム故障時にシステム停止が許容されない方向となってきている。

6.3.2 EPS アシスト停止の安全設計思想と 2 系統駆動の採用

軽自動車および小型乗用車から搭載が始まった EPS は、その省エネ性と継続的な性能向上もあり大型乗用車にも採用が検討されている。一方、EPS は電気・電子部品で構成されており、万が一、故障が発生した場合は、フェイルセーフの思想として安全側に遷移するように、アシストを停止するように設計されてきた。

アシスト停止した場合、操舵力が通常より大きくなり、特に大型乗用車の場合、従来までの小型乗用車と比較すると、非常に大きなアシスト力を必要としているので、アシスト停止の影響も大きく、このような状態において、通常と同じ操作性を確保するのはより難しくなる。アシスト停止を発生させないためには、故障させない本質安全が理想的な目標とされる。しかし、現実的に電子部品の故障を皆無にする設計は現実的に不可能であり、故障した場合のリスクを抑える機能安全の考え方が必要とされる。

自動車における機能安全は、ISO 26262 で規格化されており、EPS のアシスト停止の可能性を極力低くして、アシスト停止は発生させない事が望ましい。そのために、アシスト停止の発生頻度を飛躍的に低減するために、モータの駆動回路を冗長化した 2 系統駆動ブラシレス MCU が開発されている。株式会社デンソーで開発された 2 系統駆動ブラシレス MCU の概要について、DENSO TECHNICAL REVIEW を参照して以下に記述する9)

6.3.3 2 系統駆動ブラシレス MCU

開発された 2 系統駆動ブラシレス MCU の内部構造は、モータ筐体の上部に ECU が積み上げられた内部配置になっている(図 6.3.3 参照)。モータ巻線部から 2 系統からなる 3 相(UVW)のモータ線が伸びて、パワーモジュール部(Power Module)にダイレクトに接続される。ECU は、ヒートシンク、2 枚の樹脂基板、コネクタ、および 2 系統のパワーモジュールで構成され、ヒートシンクを 2 枚の樹脂基板で上下から挟み、2 個のパワーモジュールで左右から挟み込む構造とし、モータの外形寸法内に納まるように小型化されている。なお、モータの回転角を検出するトンネル型磁気抵抗(TMR:Tunnel Magneto-Resistance)素子センサが樹脂基板上に配置されている。


図 6.3.3 MCU の内部構造 9)

図 6.3.3 MCU の内部構造9)


2 系統駆動に対応するモータは、ステータ巻線を分布巻きにして 2 系統巻線とすることで、2 系統駆動を可能としている。そして、2 個の巻線を回転方向に 30 deg シフトさせた位相に設定し、シフトさせた位相差で 2 系統を通電することで、従来の 1 系統駆動に比べ大幅にトルクリップルを低減させている(図 6.3.4 参照)。


図 6.3.4 モータの構造 9)

図 6.3.4 モータの構造9)


モータステータの設計は、10 極 12 スロットでの集中巻きから、10 極 60 スロットの SC 方式 *1 の分布巻き(Segment Conductor Distributed Winding)を採用することで、モータステータの変形モードを多角形化させ、振動と作動音を低減している(図 6.3.5 参照)。また、従来の分割コアでは格納するケース部の板圧でコア部の剛性をアップさせる必要があったが、一体コアにすることでの薄肉のケースの採用が可能となり軽量化されている。


*1  
SC(Segment Conductor)とは分割銅線のことで、SC 方式とは分割された角型の銅線をステータコアの穴に差し込んで溶接する技術のこと。


図 6.3.5 モータステータ 9)

図 6.3.5 モータステータ9)


ECU 部は、モータを駆動するインバータ部および電源リレー部が 2 系統で構成されている(図 6.3.6 参照)。モータ駆動時の機能失陥時をイメージしてみると、車両に搭載されている EPS の最大定格ステアリングトルクを 100%とした場合、走行時(10 km/h 以上)に必要とされるステアリングトルクは約 50%以下となる。なお、従来の 1 系統駆動 EPS の失陥時にはアシストトルクが 100%停止し、非常に大きな操舵トルクが運転者に必要とされる。しかし、2 系統であれば 1 系統失陥時でも約 50%のアシストトルクを出すことが可能であり、走行時(10 km/h 以上)に必要とされるステアリングトルクは確保されることになる。


図 6.3.6 2 系統駆動の回路図 9)

図 6.3.6 2 系統駆動の回路図9)


すなわち、2 系統駆動 MCU の 1 系統が失陥した場合においても、残存する正常な 1 系統で走行時(10 km/h 以上)に必要とされるステアリングトルクは確保され、故障時には、ダッシュボード内のランプやブザーで警告されるので、運転者は安全な場所まで退避が可能であり、長距離でなければディーラーの修理工場などへの走行も可能と考えられる。

6.3.4 回転角センサ

ブラシレスモータでは、モータロータの回転角を正確に検出してその角度に応じて 3 相のステータ巻線に正弦波電流が流れるように、ECU 駆動回路部のインバータ電圧が制御されている。正確で小型な回転角センサとして、トンネル型磁気抵抗(TMR:Tunnel Magneto-Resistance)素子センサが採用されている。モータシャフト先端にセンサマグネットを装着し、ECU 基板上に TMR センサ IC を装着することで、非接触かつ簡素な回路構成で角度検出を可能としている(図 6.3.7 参照)。


図 6.3.7 TMR 回転角センサ 9)

図 6.3.7 TMR 回転角センサ9)


ECU 基板上に TMR センサ IC が装着されるので、TMR 素子センサ IC とモータシャフト先端に取り付けられたセンサマグネットには、相対的な位置ズレが発生する可能性がある。そこで、スムーズな EPS 駆動に必要とされる角度の精度を達成するために、モータと ECU が組み込まれた MCU 出荷検査時に回転角センサの出力波形をモニターし、回転次数の誤差に応じた校正を実施している。

6.3.5 パワーモジュール

モータ駆動部を 2 系統にするとインバータ回路で使用される MOS-FET(Metal-Oxide-Semiconductor Field-Effect Transistor)の数量も 2 倍となり ECU 部への搭載スペースの確保が難しくなる。そこで、1 系統で使用される MOS-FET を一個のパワーモジュールのパッケージに内蔵することで部品数を削減し、従来までのインバート部と比べ大幅な小型化を達成し、小型の MCU の設計を成立させている。(図 6.3.8 参照)。


図 6.3.8 パワーモジュール 9)

図 6.3.8 パワーモジュール9)


また、一個のパワーモジュールのパッケージにすることで、複数のパッケージの MOS-FET を使用する場合と比較すると、構成品の点数が減少することから故障率が低減されることになる。このパワーモジュール 2 個とモータ巻線が 2 系統ダイレクトに接続されて、2 系統のモータ駆動部が構成されている。

6.3.6 マイコン

機能安全 ISO 26262 に準拠した車載電子システムの開発において、EPS システムは最高レベルの安全性を求められる ASIL-D を達成する必要がある。車載マイコンの故障率は最高でも 20FIT(Failure In Time:1FIT は 10 億時間当たり1 回の故障が起きる確率)程度と言われており、ASIL-D の故障率の目標とされる 10FIT には満たない。そこで、故障検出率の SPFM(Single Point Failure Metrics)>99%と LFM(Latent Failure Metrics)>90%の目標値が設定されている。ASIL-D を達成するためのプロセッサコアの動作を監視する安全機構として、デュアルコアロックステップが採用されている(図 6.3.9 参照)。


図 6.3.9 デュアルコアロックステップ 9)

図 6.3.9 デュアルコアロックステップ9)


同方式では、1 つのダイに搭載した 2 つのプロセッサコアのクロックを同期させながら、それぞれのコアで同じ処理を行っている。そして、それぞれのコアの処理結果を比較回路で比較して、同じ処理結果だったときだけ処理が実行される。また、RAM やフラッシュメモリーなどに付加する ECC(誤り検出訂正)回路や、自己診断を行う BIST(Built in Self-Test)回路なども搭載されている。

6.3.7 減速機部の弾性支持

減速機部のウォームを弾性支持体で支持し、軸方向へ可動とすることで、操舵開始時のフリクションを従来比で 20%低減させ、操舵感を向上させた(図 6.3.10 参照)。


図 6.3.10 減速機の弾性支持 7)

図 6.3.10 減速機の弾性支持7)


6.3.8 開発品の特長

開発品の特長を図 6.3.11 に示す。

(1)  
アシスト継続性
運転者の操作を検出するトルクセンサと、アシストトルクを発生させる MCU 部のモータ駆動回路を冗長化し、故障時でも正常な系統でのアシスト継続が可能。
(2)  
衝突性能
コラムジャケット部の構造変更により、衝突エネルギー吸収時の離脱荷重性能を向上。
(3)  
快適性
減速機部のウォームを弾性支持することで、フリクションを従来比 20%低減。
(4)  
小型化(MCU)
モータ駆動用にパワーモジュールを採用して小型化
回転角センサをレゾルバから半導体センサに変更
小型化効果は、体積で 25%低減

図 6.3.11 開発品の特長 7)

図 6.3.11 開発品の特長7)


6.4 ラックパラレルアシストタイプ 電動パワーステアリング(RP-EPS)

環境意識の高まりや運転支援の高度化およびその装着率向上の要望などから、大型車両や上級クラスの車両に電動パワーステアリング(EPS)搭載のニーズが拡大している。特に大型車においては、車両重量の増加に伴い EPS に要求されるアシストトルクの値が大きくなってくる。

株式会社ジェイテクトは、大型車に搭載可能なラックパラレルアシストタイプ電動パワーステアリング(RP-EPS)を開発し、 2016 年 12 月に量産を開始した。RP-EPS は、ステアリングの操舵力をアシストするモータの出力を歯付きベルトによるギヤ減速とボールねじを用いて 2 段階に減速する構造が採用され、省スペースでより高出力の EPS システムとしてラインナップされた。以下に JTEKT Engineering Journal を参照して記述する10)11)

6.4.1 RP-EPS の構造

RP-EPS は、タイヤに近い位置にモータと ECU を設置するラックアシストタイプに分類され、その中でも高出力に対応可能な EPS の種類として追加された。ラック軸にボールねじが設けられており、モータトルクがダイレクトにラック軸をアシストすることで、操舵性能に優れており、高出力が可能なことから中・大型車に適した電動パワーステアリングになっている。なお、ラックと同軸にモータを配置した「ラックアシストタイプ EPS」の進化形となる。

ラックアシストタイプ EPS と RP-EPS は、トルクセンサをピニオン軸に配置するのは共通しているが、モータとコントローラをラックと平行にレイアウトする点で構造が異なっている(図 6.4.1 参照)。RP-EPS では、ステアリングの操舵力をアシストするモータのトルクは、ベルトによるギヤ減速機を介してボールねじに伝達され、ボールねじは伝達された回転トルクをラック軸力に変換し、ラック軸をアシストする構造となっている(図 6.4.2 参照)。


図 6.4.1 RP-EPS 構造図 10)

図 6.4.1 RP-EPS 構造図10)



図 6.4.2 RP-EPS 減速機部 11)

図 6.4.2 RP-EPS 減速機部11)


6.4.2 機能安全に対応した RP-EPS 用 MCU

自動車向け機能安全に関する国際規格(ISO 26262)に準拠し、運転者の操作を検出するトルクセンサと、アシストトルクを発生させるモータ駆動回路を 2 系統化し、片方のハードウェア故障時、もう一方の正常な回路でアシスト継続が可能となっている。MCU 構成ブロック図を、図 6.4.3 に示す。また、ギヤ内部から MCU への水侵入に対する耐性や耐腐食性を考慮した対策を織り込んで、RP-EPS 用 MCU が設計されている。


図 6.4.3 MCU 構成ブロック図 10)

図 6.4.3 MCU 構成ブロック図10)


ギヤ内部への水侵入はブーツを用いて防止しているが、走行中の何かの要因によりブーツ破れが発生し、その後冠水道路などを走行した場合、ギヤの内部から MCU への水侵入により機能停止が懸念される。その対応としてモータ回転軸の出力側に装着される軸受にオイルシールを付け、水侵入を防止する構造で対策が図られている(図 6.4.4 参照)。


図 6.4.4 MCU 水侵入対策 10)

図 6.4.4 MCU 水侵入対策10)


RP-EPS が搭載される車両は、世界各国で生産と販売が想定されるので、より厳しい自然環境で想像以上の厳しい使われ方を考慮する必要があり、それに対応するために耐腐食仕様として表面処理を追加している(表 6.4.1 および図 6.4.5 参照)。


表 6.4.1 耐腐食仕様

材料

部品

表面処理

アルミニウム

フレームエンド、カバー

シール面の腐食防止のためアルマイト処理を追加

ボルト、

モータケース

耐食性を確保するためニッケル亜鉛めっきを採用


図 6.4.5 MCU 耐腐食仕様 10)

図 6.4.5 MCU 耐腐食仕様10)


6.4.3 ボールねじ部で発生するトルク変動

上級クラスの車両に搭載される RP-EPS では、小型車などに比べ操舵感への要求品質が高くなる。この高い要求品質を満足させるために、ボールねじにスペーサボールを採用し操舵感を向上させて品質向上を図っている。

ステアリングの操舵トルク変動が発生すると、運転者はステアリングホイールを通じて違和感を覚える。この違和感は減速機としてボールねじを用いたステアリングギヤにおいては、レーンチェンジなどの小舵角の繰り返し後に感じられることがある。トルク変動時の操舵トルク波形例を図 6.4.6 に示す。トルク変動は一定の周期で発生し、その発生周期はボールねじの移動周期と一致することから、ボールねじに起因するトルク変動であることが推測される。


図 6.4.6 トルク変動 11)

図 6.4.6 トルク変動11)


トルク変動ありのときと、トルク変動なしのときのボールねじの内部の様子を X 線 CT スキャンで観察した結果を図 6.4.7 に示す。トルク変動なしの場合はボールが均等間隔で存在しているのに対し、小舵角を繰り返し後トルク変動ありの場合においては、ボールが連続して存在する箇所と大きくすきまが空いている箇所があるのがわかる。これは小舵角の繰り返しにより、ボールが徐々に連続的に接触した結果と考えられる。


図 6.4.7 ボールねじの X 線 CT 観察 11)

図 6.4.7 ボールねじの X 線 CT 観察11)


小舵角の繰り返しにより、隣り合うボールどうしの接触が起こると、接触したボール間ですべり摩擦が生じる。そのすべり摩擦の影響によりボールの転がり運動が阻害されるため、繰り返しの小舵角により、ボールどうしの連続した接触が発生することになる。また、ボール間のすべり摩擦は、多数個のボールが連なった場合のほうが大きくなるため、さらに連続したボールどうしの接触が助長されると考えられ、ボール間のすべり摩擦に対する対策が必要であることが確認されている。

6.4.4 スペーサボールによる対策

ボールねじの設計として、ボールどうしのすべり摩擦を低減する方法として、スペーサボールを使用する方法はすでに知られており、産業用ボールねじでは製品化された例もみられる。スペーサボールとは、支持ボールと支持ボールの間に置いた、支持ボールより直系の小さなボールのことで、その作動原理は、次のように説明することができる。

スペーサボールを使用しない場合、このとき各ボールの転がり方向は同じであり、隣接するボール間で接触するような状況ではボール間ですべり摩擦が生じ、ボールねじのボールの回転に抵抗力が発生してトルク変動が発生することになる(図 6.4.8 参照)。


図 6.4.8 スペーサボールなし 11)

図 6.4.8 スペーサボールなし11)


スペーサボールを使用した場合、スペーサボールは支持ボールより直径が小さいボールなのでねじ溝による拘束を受けず、支持ボールと反対方向に回転することができる。そのため、ボールどうしが接触するような状況下においても、スペーサボールが反対方向に回転するので、ボール間ですべり摩擦が生じないことになる(図 6.4.9 参照)。


図 6.4.9 スペーサボールあり 11)

図 6.4.9 スペーサボールあり11)


ステアリングギヤにかかる負荷は常に一定ではなく、車速が高いほうが負荷は低下し、操舵角度が大きくなれば負荷は増加する。ボールねじのトルク変動が発生して運転者が違和感を覚えるのは、主にレーンチェンジなどの小舵角を繰り返す場面であり、車速が高く、操舵角度が小さく、負荷としては比較的低い低負荷での使用領域と想定されている。

低負荷領域では、運転者がトルク変動を感じやすいため、スペーサボールは負荷を受けることなく支持ボールと反対方向に回転してすべり摩擦を抑制してボールねじをスムーズに作動させることができる。高負荷領域では、ボールねじの耐久性を考慮して、スペースボールも負荷の一部を分担できるようにすることにより、スペーサボールを用いることで懸念される耐久性の低下を抑制することができる。この 2 つの働きを両立できるように、支持ボールとスペーサボールの直径差の検討が実施されている。

トルク変動が課題となる走行条件と操安条件を決定し、この条件でボールねじに加わる負荷を算出し、この負荷により支持ボールと、ボールねじ軸およびボールねじナット間で発生する弾性変形量を求め、その変形量を支持ボールとスペーサボールの直径差として設定している。

この直径差の設定により、ボールねじ軸と支持ボール間、支持ボールとボールねじナット間のそれぞれの弾性変形量の合計が支持ボールとスペーサボールの直径差を超えると、スペーサボールはボールねじ溝面と接触を始め、負荷の一部を分担して耐久性の低下の要因となるねじ溝部の最大面圧の上昇を抑制することができる。

支持ボールとスペーサボールの直径差を設計値としたときの、耐久試験中のボールねじ溝面の面圧分布を図 6.4.10 に示す。その結果、最大面圧は、スペーサボールなしの状態に対して 5%程度の上昇に抑えられている。また、低負荷領域では、スペーサボールの面圧は低くなっており、スペーサボールによる支持ボール間でのすべり摩擦の緩和効果が期待通りに機能していることが確認された。


図 6.4.10 ねじ溝面圧分布 11)

図 6.4.10 ねじ溝面圧分布11)


6.4.5 第 2 世代 RP-EPS の開発

2016 年 12 月に量産開始した RP-EPS を改良し、「第 2 世代 RP-EPS」が開発されたことが、株式会社ジェイテクトの Web ページに 2023 年 12 月 21 日公開されている。開発品はトヨタ自動車株式会社の新型車両の「センチュリー」「アルファード」「ヴェルファイア」に搭載されている。第 2 世代 RP-EPS の外観を、図 6.4.11 に示す。


図 6.4.11 第 2 世代 RP-EPS の外観 12)

図 6.4.11 第 2 世代 RP-EPS の外観12)


第 2 世代 RP-EPS では、1)軽量化、および2)生産ラインの自動化を推進している。

軽量化では、アルミハウジングを軽量化するために、強度的に必要とされないハウジング部分のアルミを削減し、最適な位置にリブを設けることで強度を確保しながら軽量化している(図 6.4.12 参照)。また、ラック小径化とプーリの小型化および樹脂化を図り(図 6.4.13 参照)、第 1 世代と比較して、22%の質量低減を達成している(図 6.4.14 参照)。


図 6.4.12 アルミハウジングの軽量化 12)

図 6.4.12 アルミハウジングの軽量化12)



図 6.4.13 減速機部の軽量化 12)

図 6.4.13 減速機部の軽量化12)



図 6.4.14 第 1 世代と第 2 世代の質量比較 12)

図 6.4.14 第 1 世代と第 2 世代の質量比較12)


RP-EPS の製造工程では、自動化と省人を推進して大幅な改善が実施されている、開発品の生産ラインでは、自動搬入搬出、自動外観検査、および組み立てロボット等を積極的に導入して、将来の労働力不足に備えながら、更なる原価低減に取り組んでいる(図 6.4.15 および図 6.4.16 参照)。


図 6.4.15 RP-EPS ラインの組み立てロボット 12)

図 6.4.15 RP-EPS ラインの組み立てロボット12)

図 6.4.16 RP-EPS 生産ラインにおける省人化実績 12)

図 6.4.16 RP-EPS 生産ラインにおける省人化実績12)


参考・引用文献

1) https://www.jtekt.co.jp/news/2009/002053.html JTEKT TOP ニュース デュアルピニオン電動パワーステアリング(DP-EPS)を開発 (2024.07.09 閲覧)
2) 浅尾淑人、金原義彦、阿久津 悟、EPS 用次世代モータコントローラユニット、三菱電機技報、Vol.87, No.8, pp.22-25,(2013)
3) 木村 健、鈴木 拓、五十嵐一弘、福島寛貴、中村研介、田村 翼、特集:バイワイヤ ステアリングにおけるバイワイヤ技術の応用、日産技報、Nissan Technical Review, 第 74 号, pp.19-23,(2014)
4) https://ja.wikipedia.org/wiki/Flex Ray ウィキペディア(Wikipedia) Flex Ray (2024.07.16 閲覧)
5) https://www.jqa.jp/service_list/fs/file/techdata_26262.pdf 一般財団法人 日本品質保証機構(JQA) (2024.07.29 閲覧)
6) https://www.jari.or.jp/research-content/mobility/training-consulting/functional-safety/ 一般財団法人日本自動車研究所(JARI) (2024.07.29 閲覧)
7) 自動車部品事業本部、国際規格 ISO 26262(機能安全)に対応したコラムタイプ電動パワーステアリング、JTEKT Engineering Journal, No.1013, pp.85-86,(2015)
8) 伊藤健宏、機能安全(ISO 26262)対応電動パワーステアリング用 ECU ハードウェアの開発、JTEKT Engineering Journal, No.1013, pp.66-68,(2015)
9) 大橋正幸、EPS 用駆動 2 系統 MCU、DENSO TECHNICAL REVIEW , Vol.21, pp.48-53,(2016)
10) ステアリング事業本部、電子技術部、機能安全(ISO 26262)に対応したラックパラレルタイプ電動パワーステアリング用 MCU、JTEKT Engineering Journal, No.1015, pp.68-69,(2017)
11) 朝倉正芳、内山 清、井上俊治、ラックパラレルタイプ電動パワーステアリング用スペーサボールの開発、JTEKT Engineering Journal, No.1015, pp.44-48,(2017)
12) https://www.jtekt.co.jp/news/2023/003578.html JTEKT TOP ニュース 第 2 世代 RP-EPS を開発 (2024.07.24 閲覧)

コラム:小型車両向けブラシレスモータ搭載コラムアシストタイプ EPS


機能安全国際規格(ISO 26262)への対応を考慮し、小型車両(C セグメント以下)を対象とした、小型で安価なブラシレスモータを搭載したコラムアシストタイプ EPS について、 2019 年発行のJTEKT Engineering Journalを参照して記述する。

機能安全対応として、故障時でも残された正常な回路でアシストを継続できるように冗長回路で構成されている。冗長回路となっているのは、モータ巻線、モータ駆動回路、トルクセンサ、および回転角センサとなっている。

小型で安価なブラシレスモータとするため、モータとコントローラユニットを一体化した MCU (Motor Control Unit)構造とし、低コスト化アイテムを織り込んでいる(図 1 参照)。モータのマグネットは、希土類(ネオジム)ではなくフェライトマグネットを採用して、低コスト化および希土類(レアアース)供給リスクの低減を図っている。また、モータ巻線に使用するコイル線を細線化することで巻線ターン数を増やしてモータトルクの増大を図り、モータ駆動回路の最大電流を低減することでモータ駆動回路を小型化し、基板 1 枚化およびヒートシンクとフレームエンド一体化を図っている。

図 1 小型・安価ブラシレス 1)

図 1 小型・安価ブラシレス1)

コラムの収縮構造を、従来構造からチューブ収縮構造とすることにより、部品点数を 45 点から 35 点に削減することに成功して、コラム部として 13%の質量低減が達成されている(図 2 参照)。

図 2 コラム部構造比較  1)

図 2 コラム部構造比較 1)

参考・引用文献

1) ステアリング事業本部 中部テクニカルセンター、小型モータ一体型 ECU 搭載コラムタイプ電動パワーステアリング、JTEKT Engineering Journal, No.1017, pp.90-91,(2019)


Contents に戻る



 7 自動車用電動パワーステアリングの将来展望

電動パワーステアリング(EPS)は、ステアリングコラムに直流モータによるアシスト機構を一体に組み込んだコラムアシストタイプ EPS が、 1988 年に軽自動車に搭載されて以降、自動車の低燃費化などの市場ニーズに合致し、軽自動車から普及し、中型・大型自動車への適用が進んでいる。EPS 搭載車両の拡大に向け、中大型乗用車に対応したラックアシストタイプの EPS として、デュアルピニオンアシストタイプ電動パワーステアリング(DP-EPS)、ラックパラレルアシスト電動パワーステアリング(RP-EPS)がラインナップされてから EPS の搭載率は大幅に増加している。

EPS 搭載車両では、自動駐車システムやレーンキーピングアシストなどの運転支援システムの普及が進んできた。近年のコンピュータ処理能力の急速な発達や車載用レーダ、カメラなどの車両の周囲を検出するセンサの性能向上と低コスト化により、高度運転支援システム(ADAS)の種類と搭載が急速に増加している。これらのシステムは、交通事故件数や犠牲者数減少への寄与度も大きく、ADAS 搭載の義務化が段階的に進み、大幅に普及率が向上することも予測されている。

電気・電子システムの更なる高度化により、運転者に代わりシステムが運転を行う自動運転システムに関しても、機能限定および運用地域を限定して運用が開始されている。今後、さらに ADAS の搭載車両が増加するとともに、自動運転システムの実用化が進むと予想されるが、要求される自動運転のレベルに応じてステアリングシステムの役割も従来の運転者のステアリング操舵をパワーアシストする支援機能から、自動運転システムからの指示を受けてステアリングが作動する操舵駆動機能へ変わることになる。

7.1 リンクレスステア バイワイヤシステム(SBW)

将来の自動運転システムの本格的な導入を考えたステアリングシステムは、高度運転支援システム(ADAS)への対応、さらに自動運転システムへの親和性と手動運転時における操作性の両立が必要とされてくる。自動運転の作動中は、運転以外の活動ができるように車室内空間の自由度を向上させることが期待されている。運転者のステアリングホイール操作を検出し電気信号に変換する操舵ユニットと、その電気信号によりタイヤ角を制御して駆動する転舵ユニットが分離した構造となっているリンクレスステアバイワイヤシステム(SBW)は、操舵ユニットの搭載位置の自由度が高く、自動運転システム搭載車両に適していると考えられる。SBW の内容について、JTEKT Engineering Journal を参照して以下に記述する1)

SBW は、操舵ユニットと転舵ユニットを機械部品ではなく電気信号で接続するので、操舵と転舵の動きを独立して制御が可能であり、ADAS による運転支援制御や自動運転中システムが作動中にタイヤ転舵角とステアリングホイール操作を独立に制御して干渉を防止できるので、ADAS や自動運転に好ましいステアリングシステムと考えられている。手動運転時には、転舵角と操舵角の角度比を自由に設定できるので、低速時には操舵角に対する転舵角の操作量を増大させてステアリングホイール操作量を軽減して利便性の向上を提供することも可能である。

7.1.1 システム構成

リンクレス SBW システムは、操舵ユニット、転舵ユニット、バックアップ電源(Backup Power Supply:以下、BPS)、電源配線および信号配線で構成されている(図 7.1.1 参照)。


図 7.1.1 SBW システム構成 1)

図 7.1.1 SBW システム構成1)


操舵ユニットは、運転者のステアリングホイール操作量を電気信号(操舵信号)に変換して転舵ユニットに送信する。転舵ユニットは、操舵ユニットから受信した操舵信号に基づき転舵角(タイヤ角)を駆動制御するとともに、「路面からの反力等の逆入力の情報」を操舵ユニットに送信する。操舵ユニットは、受信した「路面からの反力等の逆入力の情報」に基づき操舵反力を出力する。

システムに必要なセンサ情報は、操舵ユニットのトルクセンサ、転舵ユニットのピニオン回転角センサ、および各ユニットのモータ回転角センサとなる。各ユニットのモータ回転角センサの検出値は、ユニット間のローカル CAN 通信で回転角情報として相互に共有されている。また、操舵ユニットと BPS 間もローカル CAN で接続され、車両側システムとの通信は車両 CAN を用いている。

操舵ユニットと転舵ユニットは、信頼性確保の観点から、量産実績のあるコラムアシストタイプ EPS およびラックパラレルアシストタイプ EPS をベースに基本設計された実績のある構造を用いて、各ユニットに搭載されるモータとコントロールユニットは、コストおよび信頼性の観点から有利な Motor Control Unit(MCU)として一体化構造が採用されている。

7.1.2 電気・電子システム構成

電気・電子システムは、操舵 MCU、転舵 MCU、およびトルクセンサ(TS)で構成されている(図 7.1.2 参照)。操舵 MCU、転舵 MCU の内部は、制御演算部(µC)、モータ駆動部(INV)、モータステータ巻線(M)、およびモータ回転角センサ(MPS)を 2 系統とする冗長な構成とし、系統 1(メイン)と系統 2(サブ)に分けて独立に配置されている。トルクセンサも同様に冗長な内部構成とし、TS1 および TS2 の 2 系統の信号を出力する。モータは、2 系統のステータ巻線がそれぞれ発生する起磁力に基づいて一つのモータロータが駆動される。また、操舵 MCU と転舵 MCU 間の通信は、系統 1(メイン)と系統 2(サブ)それぞれに独立したローカル CAN 通信を設けており、各系統でシステムが独立して動作可能な構成を確保している。この構成とすることで、電気・電子システム内部の故障が発生したときに、故障が発生した系統を即座に停止処置を行い、故障が発生していない正常な系統を使用してシステム動作を継続させることを可能としている。


図 7.1.2 電気・電子システム構成 1)

図 7.1.2 電気・電子システム構成1)


操舵 MCU および転舵 MCU は、マイコン間通信でメインとサブの 2 系統間での情報共有が可能となっている。正常時は両系統で協調してシステムを動作させる(SBW_Mode1:協調駆動)。協調駆動とは、メインで演算されたモータ駆動指令に基づき、サブのモータ駆動部をメインに協調させて駆動させることである。メイン、サブの両系統は、別々のトルクセンサおよびモータ回転角センサを用いてモータ駆動が可能な設計となっているが、独立した 2 個のセンサ信号は完全に一致した信号値ではなく、モータ駆動信号に系統間の偏差が発生してしまう。そこで、正常時にはサブ側のモータ駆動をメイン側の駆動信号を用いた協調駆動にすることで、系統間の偏差が影響しないように配慮されている。図 7.1.3 に故障を想定した電気・電子システムの状態遷移を示す。


図 7.1.3 システムの状態遷移 1)

図 7.1.3 システムの状態遷移1)


マイコン間の通信が故障した場合は、各系統とも自系統で演算した指令値に基づきモータを駆動する独立駆動に移行する(SBW_Mode2:独立駆動)。各系統内で故障が発生した場合は、マイコン間通信およびローカル CAN 通信を継続しながら故障系統を検出し動作を停止させることで、残存する正常系統のみによる片系統駆動に切り替わることになる(SBW_Mode3/SBW_Mode4:片系統駆動)。その後、残存する正常系統で故障(2 次故障)が発生した場合は、両系統とも動作を停止させる(SBW_Mode5:両系統停止)。

7.1.3 バックアップ電源と安全コンセプト

車両電源に、ステアリングシステム専用のバックアップ電源(BPS)を追加実装することで、車両電源の失陥時にもステアリング機能を継続できる構成としている(図 7.1.4 参照)。通常時、車両電源は BPS を経由して系統 1(メイン)に電源が供給される。車両電源失陥時は BPS からメインに電源が供給されステアリング機能は継続される。なお、系統 2(サブ)は BPS が接続されていないので電源供給されず停止状態となり、メインによる片系統駆動(SBW_Mode3)に移行する。


図 7.1.4 電源系統図 1)

図 7.1.4 電源系統図1)


車両電源失陥時に BPS に切り替える構成とすることで、電気・電子システムのいかなる一時故障においてもステアリング機能を継続し、その後の退避行動を可能としている。なお、BPS の電源容量は、全ての走行シーンで電源失陥が発生することを想定されており、目標の退避行動として車両を道路上の路肩に寄せて安全に停止する操作を可能にする電源容量となるように設計されている。

本システムの安全コンセプトを、図 7.1.5 に示す。


図 7.1.5 安全コンセプト 1)

図 7.1.5 安全コンセプト1)


①  
電気・電子システムの故障時は、残存する正常な系統で最低限のステアリング機能を維持すること。(片系統駆動)
②  
車両電源失陥時は電源を BPS に切り替え、メイン側の片系統駆動で走行に必要なステアリング機能を維持すること(車両電源故障時)
③  
両系統失陥時(2 次故障)は車線内に停止のこと

7.1.4 システム制御

システムは、イグニッション ON の信号により起動され、イニシャルチェックが実施される。その後、ステアリングロックが解除された後に操舵ユニットと転舵ユニット間の位相合せが実施される。これは、両ユニット間に機械的接続がないことで、システム起動前に操舵角と転舵角の間に角度差が発生する可能性があり、それを修正する工程が与えられている。位相合わせ完了後に、エンジン始動完了および BPS の起動完了をチェックしてシステム制御が開始される。システム起動/終了シーケンスを図 7.1.6 に示す。


図 7.1.6 システム起動/終了シーケンス 1)

図 7.1.6 システム起動/終了シーケンス1)


システムの終了は、イグニッション OFF の信号を受けてステアリングロック機能が作動し、そのロックが確認された後にシステムの制御は終了される。このシーケンスによりシステム停止時のステアリングホイールの空転の発生を防止している。

操舵ユニットと転舵ユニットとの機械的接続がないことで、ステアリングホイールが過回転してスパイラルケーブルなど他部品の故障を誘発させることが想定される。ステアリングホイールの過回転に対して、パワー ON の制御中は転舵ユニットのラックバーがラックエンドに当たる前にその状態を操舵反力(仮想ラックエンド反力)として電気的に発生させている(図 7.1.7 参照)。また、パワー OFF 中および運転者が想定以上の操舵力で切り込むことに対して、メカニカルストッパを設定して過回転を防止する構造としている。


図 7.1.7 仮想ラックエンド反力の一例 1)

図 7.1.7 仮想ラックエンド反力の一例1)


7.1.5 ステアリング制御

ステアリング制御の概要を、図 7.1.8 に示す。操舵ユニットはステアリングホイール操舵角を検出し電気信号に変換して、転舵ユニットへローカル CAN を用いて送信する。転舵ユニットは受信した操舵角信号からギヤ比などを考慮して目標転舵角を演算し、目標転舵角と実転舵角との角度フィードバック制御により転舵ユニットのモータが駆動される。一方、転舵ユニットは角度フィードバック制御中のモータ電流値および実転舵角を操舵ユニットへローカル CAN を用いて送信する。操舵ユニットは転舵モータ電流値、転舵角、および操舵角に基づいて反力トルクを生成する。


図 7.1.8 制御概要 1)

図 7.1.8 制御概要1)


操舵ユニットと転舵ユニットが機械的に接続されていないため、例えばタイヤが何らかの障害物に当たった際に、操舵角と転舵角に想定以上の角度差が発生する場合があり、運転者にその状況を伝える必要がある。そこで、一定値以上操舵角と転舵角に角度差が発生した場合にその情報を運転者に伝える機能を設けている。操舵角と転舵角の角度偏差が一定値以上となった場合、操舵反力を急激に増大させることにより、運転者へ転舵量が追従できていないことを伝えるとともに、それ以上角度偏差が増加しないよう運転者の操舵を抑制している(図 7.1.9 参照)。


図 7.1.9 角度偏差に応じた操舵反力 1)

図 7.1.9 角度偏差に応じた操舵反力1)


7.2 自動運転の法規・標準の動向

自動車の国際的な車両規制は、国連自動車基準調和世界フォーラム(World Forum for Harmonization of Vehicle Regulations)が主体で推進されている。自動車基準調和世界フォーラム(WP.29)の目的は安全で環境性能の高い自動車を容易に普及させる観点から、自動車の安全・環境基準を国際的に調和することや、自動車の認証の国際的な相互承認を推進することを目的としている。

自動車基準調和世界フォーラムの組織図を図 7.2.1 に示す。国連欧州経済委員会(UN/ECE)の下にあり、傘下に六つの専門分科会を有している。分科会で技術的、専門的検討を行い、検討を経た基準案の審議・採決を行っている。自動運転関連の法規を強化するために、分科会の役割の見直しを実施して、 2018 年に GRVA 分科会を設立して自動運転関連の法規を検討する専門の分科会が作られている。2)


図 7.2.1 WP.29 組織図 2)

図 7.2.1 WP.29 組織図2)


自動車基準調和世界フォーラムへの参加メンバーは、欧州各国に加え、日本、米国、カナダ、オーストラリア、南アフリカ、中国、韓国等、そして非政府機関として、OICA(国際自動車工業会)、IMMA(国際二輪自動車工業会)、ISO(国際規格協会)、CLEPA(欧州自動車部品工業会、SAE(自動車技術会)等)も参加している。

運転支援機能の規制は、UN-R79(かじ取り装置:Steering Equipment)に追加されている。また、自動運転関連の規制は、当初 UN-R79 に追記することも考えられたが、自動運転の機能は UN-R79(かじ取り装置)の範囲でカバーできないとの判断から、新規の UN 規制として、以下の UN-R が発行されている。

UN-R155(サイバーセキュリティ:Cyber security and cybersecurity management system)、UN-R156(ソフトウェアアップデート:Software update and software update management system)、UN-R157(自動車線維持機能:Automated Lane Keeping System(ALKS))

上記の UN-R の内容を確認して、対応する標準の状況を確認して以下に記述する。

7.2.1 運転支援機能 法規 UN-R79

運転支援機能は、国連自動車基準調和世界フォーラム(WP.29)で審議され、国連規制 UN-R79 に追加されている。国連規制 UN-R79 は、全 11 章の本文、および附属書(Annexes)で構成されている。

   UN-R79 の構成   

1.  
Scope
2.  
Definitions
3.  
Application for approval
4.  
Approval
5.  
Constructions provisions
6.  
Test provisions
7.  
Conformity of production
8.  
Penalties for non-conformity of production
9.  
Modifications and extension of approval of the vehicle type
10.  
Production definitively discontinued
11.  
Names and addresses of Technical Services responsible for conducting approval tests and of Type Approval Authorities
Annexes

機能に対する規制は 5 章に記載されているので、関連する規制項目を UN-R79 本文から抜粋して下記に示す。なお、第 2 章には用語の説明および定義が記載されている。

   UN-R79 関連する規制項目   

5.  
Construction provisions
5.1.  
General provisions
5.1.6.  
Advanced driver assistance steering systems
5.1.6.1.  
A CSF system shall be subject to the requirements of Annex 6.
5.1.6.2.  
An ESF system shall be subject to the requirements of Annex 6.
5.1.6.3.  
An RMF system shall be subject to the requirements of Annex 6.
5.6.  
Provisions for ACSF
Any ACSF shall be subject to the requirements of Annex 6.
5.6.1.  
Special provisions for ACSF of Category A
5.6.2.  
Special Provisions for ACSF of Category B1
5.6.3.  
(Reserved for ACSF of Category B2)
5.6.4.  
Special Provisions for ACSF of Category C

表 7.2.1 に運転支援機能の説明を記載する。高度運転支援機能(ADAS)として、補正操舵機能(CSF)、衝突回避支援機能(ESF)、およびリスク軽減機能(RMF)の規制が記載されている。自動操舵機能(ACSF)として、自動駐車(Category A)、ハンズオン車線維持(Category B1)、および車線変更(Category C)の規制が記載されている。なお、ハンズオフ車線維持(Category B2)は、自動運転機能なので、新規の規制 UN-R157 として発行されることになった。


表 7.2.1 運転支援機能

ADAS

Advanced Driver Assistance Steering Systems

高度運転支援機能

CSF

Corrective Steering Function

補正操舵機能

ESF

Emergency Steering Function

衝突回避支援機能

RMF

Risk Mitigation Function

リスク軽減機能

ACSF

Automatically Commanded Steering Function

自動操舵機能

Category A

Parking assist (Including RCP)

自動駐車(リモコン駐車追加)

Category B1

Lane keeping assist (hands on)

ハンズオン車線維持

Category B2

Lane keeping function (hands off)

ハンズオフ車線維持

Category C

Lane change assist

車線変更


補正操舵機能(CSF)とは、以下の機能となる。

①  
車両の突然かつ予想外の横方向の変化を補正すること(例えば:ESC 制御による補正)
②  
車両の直進時の安定性を向上させること(例えば:横風補正、低μ路面(摩擦係数が低い路面)補正)
③  
車線からの逸脱を補正すること(例えば:車線からのはみだし防止、道路逸脱防止)

補正操舵機能(CSF)規制からの主な要件は、以下となる。運転者が手放しで運転を継続する等、連続的な補正操舵介入は、要件により事実上不可能となっている。

衝突回避支援機能(ESF)とは、潜在的な衝突の危険性を自動的に検出し、制限された時間内に、車両のステアリングシステムを自動的に作動させ、衝突を回避または緩和する目的で車両を操縦する制御機能を意味する。具体的な ESF の介入を、図 7.2.2、図 7.2.3、図 7.2.4 および図 7.2.5 に示す。

衝突回避支援機能(ESF)規制からの主な要件は、以下となる。


図 7.2.2 隣接車両が自車に接近 3)

図 7.2.2 隣接車両が自車に接近3)

図 7.2.3 自車が隣接車両へ接近 3)

図 7.2.3 自車が隣接車両へ接近3)

図 7.2.4 自車が隣接車線へレーンチェンジ 3)

図 7.2.4 自車が隣接車線へレーンチェンジ3)

図 7.2.5 自車の経路を妨害する障害物 3)

図 7.2.5 自車の経路を妨害する障害物3)


*1  
オーバーライドとは、システムから指令されている操舵を運転者の力でシステムの指令を上書きして無効とし、運転者の操舵に戻すことを指している。



リスク軽減機能(RMF)とは、運転者が反応しなくなった場合に、車両を目標停止エリア内で安全に停止させる目的で、車両ステアリングシステムを一定時間自動的に作動させて車両を操舵する緊急機能を意味する。図 7.2.6 に機能の概要を示す。


図 7.2.6 リスク軽減機能の作動イメージ 3)

図 7.2.6 リスク軽減機能の作動イメージ3)


リスク軽減機能(RMF)規制からの主な要件は、以下となる。

自動操舵機能(ACSF)における、自動駐車(Category A)とは、時速 10 km 以下で運転し、低速または駐車操作においてドライバをオンデマンドで支援する機能を意味する。

自動駐車(Category A)規制からの主な要件は、以下となる。

リモコン駐車機能に関する追加要件は、以下となる。

自動操舵機能(ACSF)における、ハンズオン車線維持(Category B1)とは、車両の横方向の動きに影響を与えることにより、運転者が車両を選択した車線内に維持するのを支援する機能を意味する。

ハンズオン車線維持(Category B1)規制からの主な要件は、以下となる。

自動操舵機能(ACSF)における、車線変更(Category C)とは、運転者により開始/起動され、運転者が命令したときに単一の横方向操作(例:車線変更)を実行できる機能を意味する。

車線変更(Category C)規制に関して、レーンチェンジ手順に関する要件を図 7.2.7 に、そして、システムの検出エリアに関する要件を図 7.2.8 に示す。


図 7.2.7 レーンチェンジ手順の要件 3)

図 7.2.7 レーンチェンジ手順の要件3)



図 7.2.8 システムの検出エリア 3)

図 7.2.8 システムの検出エリア3)


規制項目 5. 6. 4. 7. Critical situation には、重大な状況の詳細が記載されており、レーンチェンジを実施することで、「後方車両との車両間の距離が 1 秒以内と想定される状況」が発生することを重大な状況と規定している(図 7.2.9 参照)。レーンチェンジ操縦の開始時に終了時の車両間の距離を計算して、システムによるレーンチェンジ機能が作動することで重大な状況を発生させないことが要求されている。


図 7.2.9 重大な状況と想定される例 3)

図 7.2.9 重大な状況と想定される例3)


車線変更(Category C)規制からのその他の主な要件は、以下となる。

7.2.2 自動運転の法規 UN-R157

乗用車の自動運行装置(高速道路等における 60 km/h 以下の渋滞時等において作動する車線維持機能に限定した自動運転システム)が、 2020 年 6 月に開催された国連の自動車基準調和世界フォーラム(WP.29)第 181 回会合において、UN-R157 として国際基準が成立している。今回の対象となる自動運転システムの作動概要について、図 7.2.10 に示す。低速走行用「自動レーンキーピングシステム(ALKS)」は、運転者により起動され、走行速度 60 km/h 以下であれば、運転者の入力を必要とせずにシステムが車両の横方向と前後方向の動きを長時間制御することで、車両を車線内に維持するシステムを意味する。4)


図 7.2.10 自動運転システムの作動概要 4)

図 7.2.10 自動運転システムの作動概要4)


自動レーンキーピングシステム(ALKS)UN-R157 規制からの主な要件は、以下となる。

自動運行装置について、「高速道路等における運行時に車両を車線内に保持する機能を有する自動運行装置に係る協定規則(UN-R157)」の改訂案が、 2022 年 6 月の国連自動車基準調和世界フォーラム(WP.29)において合意されている。改訂された技術要件の概要は以下となる。


*1  
リスク最小化制御とは、交通リスクを最小化することを目的とした手順のことを意味しており、システムの要求に対してドライバが応答しないとき、またはシステムまたは車両に重大な故障が発生した場合に、システムによって自動的に実行される。

7.2.3 サイバーセキュリティ法規 UN-R155

サイバーセキュリティ法規 UN-R155 が自動車基準調和世界フォーラム(WP.29)から発行されている。これにより、欧州や日本では 2022 年 7 月以降に発売される一部の車両から順に、サイバーセキュリティ対策が施されていない車両への規制が始まることになる。国際基準の概要を図 7.2.11 に示す。


図 7.2.11 国際基準の概要 5)

図 7.2.11 国際基準の概要5)


サイバーセキュリティ法 UN-R155 の要件を満たすためには、 2021 年 8 月に発効された自動車サイバーセキュリティの標準・規格「ISO/SAE 21434」への準拠が必要になると考えられる。

サイバーセキュリティ対策として要求される要件は大きく分けて 2 個となる。

1 個目は、サイバーセキュリティ管理システム(CSMS:Cyber Security Management System)の構築が自動車メーカーに対して義務付けられている。自動車メーカーおよび部品メーカーなども含めて社内に作るサイバーセキュリティを管理するための社内標準およびそれを遵守する仕組みが必要となる。

2 個目は、CSMS に従って検討された、車両への具体的なサイバーセキュリティ対策の実装が義務付けられている。これら 2 個の要件は、各国の審査当局が「自動車の型式認証」の中で、他の保安基準と同様に審査することになる。5)

自動車サイバーセキュリティの標準・規格「ISO/SAE 21434」とは、UN-R155 によって構築を義務付けられた CSMS を作るための指針となる国際標準になっている。UN-R155 には要求事項が書かれており、その実現手段を具体的に記述してあるのが「ISO/SAE 21434」規格となる。

自動車にはレーダやカメラ、通信デバイス、それらを制御する ECU(電子制御ユニット)など、さまざまな電子機器が搭載されている。このような自動車関連部品・製品の企画・開発や製造、販売、使用、廃棄までのライフサイクル全般において、どのようにサイバーセキュリティ対策を実施すべきかが記載されている。

7.2.4 ソフトウェア更新法規 UN-R156

現代の自動車は、車両が搭載している車載ソフトウェアの更新において、OTA(Over The Air)*1 技術を利用できるようになり、UN-R156 ではこれら全てのソフトウェア更新が対象となるため、外部サーバーをはじめとしたインフラとの通信接続に関する安全性の検証が必要不可欠となっている。

ソフトウェア更新管理システム(SUMS:Software Update Management System)の適合認定に関わる要求では、品質管理プロセスの一部でもある、ソフトウェアを更新するプロセス要求への適合が必要とされる。

ソフトウェアの構成管理を行うために、ソフトウェアのバージョンのかわりに RxSWIN の使用を求められている。RxSWIN とは、Regulation x に対する Software Identification Number の略で、車載システムにインストールされている法規が要求するソフトウェアの認識番号(例:UN-R157 の更新ソフトウェアは R157SWIN)となる。


*1  
OTA(Over The Air)は、無線通信を経由してデータを送受信することを指し、車載ソフトウェアの更新などを行う際にこの OTA 技術が利用される。「SOTA(Software updates Over The Air)」や「FOTA(Firmware update Over The Air)」の略称も使用される場合がある。

7.3 電動パワーステアリングシステムの 将来展望に関する考察

自動車産業は、CASE (Connected Autonomous Shared Electric)という技術革新の波の中で、 100 年に一度と言われる大きな構造変化に直面しようとしている(表 7.3.1 参照)。特に、自動運転は、交通事故の削減や高齢者の移動手段の確保、ドライバ不足の解消など社会的意義も大きいと考えられる。一方で、技術的には難易度が高く、その実現に向けて様々な制度やインフラの整備も必要とされる。


表 7.3.1 CASE とは

Connected

コネクテッド

あらゆるモノとの相互接続が進みクルマの外とも連携したサービスが実現

Autonomous

自動化

限定されたエリアでの自動運転から、最終的には完全自動運転の実現

Shared

シェアリング

クルマの利用促進を図るオンデマンド化

人流・物流の新たなサービス提供の実現

Electric

電動化

電気自動車や燃料電池自動車等の動力源のクリーン化を進展させ環境負荷低減の実現


自動運転の目標としているのは交通事故の低減であり、 2021 年 3 月に更新された交通安全基本計画によると、 2025 年に交通事故死者数 2,000 人以下、重症者 22,000 人以下とする目標を設定している。死亡事故件数の大部分が「運転者の違反」に起因しており、令和 4 年版交通白書による法令違反別死亡事故発生件数における 95%が運転者の違反となっている。自動運転の実用化により、運転者が原因の交通事故の大幅な低減効果が期待されることになる6)

自動運転の国際基準策定の全体戦略を策定していた「自動運転基準化研究所」が 2024 年 1 月に再編され、「自動車イノベーション技術基準化研究所」として「自動運転技術」と「カーボンニュートラル(CN)技術」の 2 つのテーマで国際基準化等の議論を主導する組織として設置されている(図 7.3.1 参照)。


図 7.3.1 再編された自動車イノベーション技術基準化研究所の組織と構成 7)

図 7.3.1 再編された自動車イノベーション技術基準化研究所の組織と構成7)


日本を含めた各国および各地域は、 2050 年までにカーボンニュートラルを目指すことを表明している。国内の二酸化炭素排出量の 18.6%を運輸部門が占め、その 86%を自動車が占めており、自動車の脱炭素化に向けた早急な対応が必要となっている。国内における自動車については、合成燃料(e-fuel)の内燃機関への利用を見据え、 2035 年までに新車販売における電動車(電気自動車(EV)、燃料電池自動車(FCV)、プラグインハイブリッド自動車(PHV)およびハイブリッド自動車(HV))を 100%とする目標が提示されている。自動車分野の開発要素としては、①電動化、②モビリティ分野での水素の活用、③合成燃料の 3 項目となる。次世代自動車としては、近距離(小型サイズ)=EV 領域、中距離(中型サイズ)=HV ・ PHV 領域、および長距離(大型サイズ)=FCV が想定されている8)

現在、油圧パワーステアリングシステムが搭載されている大型のトラック・バスにおいても電動車へのシフトと自動運転の採用が進むと考えられるので、大型車両向けの電動パワーステアリングの需要が発生することが予測される。

自動運転のレベルは、アクセル・ブレーキまたはハンドル操作をシステムが行うレベル 1 から、全ての走行環境でアクセル・ブレーキおよびハンドル操作をシステムが行うレベル 5 まで分類されているが、レベル 2 までは運転の主体が運転者となることから自動運転の機能ではなく運転支援機能となり、運転主体がシステムとなるレベル 3 以上が自動運転の機能に分類される(図 7.3.2 参照)。


図 7.3.2 自動運転レベルの定義 9)

図 7.3.2 自動運転レベルの定義9)


自家用車、移動サービスおよび物流サービスそれぞれにおいて自動運転の実用化に向けた取り組みが推進されている。走行可能な地域を限定することで、移動サービスにおいてレベル 4 まで技術的に実現が可能となっている。物流サービスは、ドライバ不足の問題が大きくなっており、高速道路でのトラック隊列走行およびレベル 4 の自動運転も計画されている。自家用車については、自動運転レベル 3 の型式指定が所得され、 2021 年に発売が開始されている(図 7.3.3 参照)。自動運転レベル 4 は、商用車に先行実装され、自家用車に展開されるステップで推進されると考えられる。


図 7.3.3 自動運転の社会実装 9)

図 7.3.3 自動運転の社会実装9)


自動運転レベル 4 のシステムが作動中に運転者の操作は不要となり、ハンドルも不要となる。無人運転で提供される移動サービスでは、ハンドルが存在することで乗客などによる意図しないハンドル操作が行われる可能性があり、運転席およびハンドルは設置されないと想定される。物流サービスでは、自動運転の領域外の区間での走行もするので、ハンドルの設置は必要と考えられる。自家用車は、自宅から目的地の玄関前までの走行を考えると、自動運転の領域外の区間での走行もしなければならないので、ハンドルの設置は必要となる。しかし、自動走行中は運転以外の活動が可能となるので、ハンドルが格納されインフォテイメント装置等に切り替わることが将来的に期待されると考えられる(図 7.3.4 参照)。


図 7.3.4 自動車の進化と EPS の対応

図 7.3.4 自動車の進化と EPS の対応


電動パワーステアリングの将来展望についてここまでに考察した項目を下記に記載しているが、結果的に、将来の展望について考察することを予定していたが、現在の状況を整理しただけの内容に見えてしまう。今後の対応は、時代の変化を的確に把握してスピード感を持って変革に対応できる心構えが最も重要と思われる。

①  
大型のトラック・バスにおいても電動車へのシフトと自動運転の採用が進むと考えられるので、大型車両向けの電動パワーステアリングの需要が発生することが予測される
②  
自動運転に対応するには、故障時にも止めないことが要求される。故障時の性能向上も必要と予測される
③  
自動運転中の快適性向上に向け、ハンドル格納機能が必要になると予測される
④  
ハンドル格納機能を搭載するには、リンクレスステアバイワイヤシステム(SBW)の構造が必要と予測される


参考・引用文献

1) 西村 興、並河 勲、安部健一、梶澤祐太、山崎 亮、リンクレス ステアバイワイヤ システム J-EPICSの開発、JTEKT Engineering Journal, No.1019, pp.37-43,(2022)
2) https://www.jasic.org/j/07_wp29/1_organization.htm JASIC Webページ(2024.08.21 閲覧)
3) UN-R79を基に筆者作成 (参考)UN-R規格をダウンロードできるサイト https://unece.org/trans/main/wp29/wp29regs
4) https://www.mlit.go.jp/report/press/content/001350037.pdf 国土交通省 自動走行装置 2020年6月 (2024.08.21 閲覧)
5) https://www.mlit.go.jp/report/press/content/001350038.pdf 国土交通省 サイバーセキュリティ及びソフトウェアアップデートの国際基準の概要 (2024.08.21 閲覧)
6) https://www.jasic.org/j/14_innovation-technology/pdf/automated-driving-3/sympo2.pdf 国土交通省 自動運転に関する基準作成をはじめとした国土交通省の取組について (2024.08.21 閲覧)
7) https://www.jasic.org/j/14_innovation-technology/1_overview.htm JASIC 自動車イノベーション技術基準化研究所 (2024.08.21 閲覧)
8) https://www.meti.go.jp/press/2023/12/20231222005/20231222005-05.pdf 経済産業省 2023年12月22日 GX実現に向けた投資促進策を具体化する「分野別投資戦略」を取りまとめました 分野別投資戦略 参考資料(自動車) (2024.08.21 閲覧)
9) https://www.digital.go.jp/assets/contents/node/basic_page/field_ref_resources/83b26b14-5c99-4268-970c-fefc1f0a7b71/bd7b41be/20230725_meeting_mobility_roadmap_outline_05.pdf 経済産業省 自動運転に関する経済産業省の取組・方針  (2024.08.21 閲覧)

Contents に戻る



 8 おわりに

電動パワーステアリング(EPS)は、 1988 年 3 月に日本の軽自動車に世界で初めて搭載された。その後、 10 年間の市場実績から信頼性に対する市場の評価も定まり、 2000 年以降 EPS は欧州市場、北米市場での採用が始まった。そして、 2010 年頃から大型車への搭載も開始され増加のペースが加速して、 2020 年以降にはグローバルで 70%以上の EPS 搭載率になっている。

本稿では、初期の EPS に織り込まれた技術内容の調査から開始した。その後、継続して開発されていく EPS が高出力化、高性能化、および高信頼性をどのように達成していくのか、技術開発の動向を調査した。

自動車の低燃費化などの市場ニーズに合致し、EPS は軽自動車から始まり、中型・大型自動車への適用が進んでいる。EPS 搭載車両の拡大に向け、中大型乗用車に対応したラックアシストタイプの EPS として、デュアルピニオンタイプ電動パワーステアリング(DP-EPS)、ラックパラレル電動パワーステアリング(RP-EPS)がラインナップされてから EPS の搭載率は大幅に増加している。

EPS 搭載車両では、自動駐車システムやレーンキーピングアシストなどの運転支援システムの普及が進んでいる。高度運転支援システム(ADAS)は、交通事故件数や犠牲者数減少への寄与度も大きく、ADAS 搭載の義務化も予測される。また、運転者に代わりシステムが運転を行う自動運転システムに関しても、機能限定および運用地域を限定して運用が開始されている。今後、さらに ADAS の搭載車両が増加するとともに、自動運転システムの実用化が進むと予想される。

将来の自動運転システムの本格的な導入を考えたステアリングシステムとして、リンクレスステアバイワイヤシステム(SBW)の技術内容を記述した。また、自動運転の開発状況として、自動運転の法規・標準の動向の調査を実施した。最後に、自動車用電動パワーステアリングシステムの将来展望に関する考察を行った。

自動車産業は、CASE(Connected Autonomous Shared Electric)という技術革新の波の中で、 100 年に一度と言われる大きな構造変化に直面しようとしている。また、日本を含めた各国および各地域は、 2050 年までにカーボンニュートラルを目指すことを表明している。 2035 年までに新車販売における電動車(電気自動車(EV)、燃料電池自動車(FCV)、プラグインハイブリッド自動車(PHV)およびハイブリッド自動車(HV))を 100%とする目標が提示されている。

電動パワーステアリングの今後の技術対応では、自動運転などに関連した「新たなステアリングシステムを検討」するような場面もあるのではないかと想定される。そのような場面に備えて、われわれは時代の変化を的確に把握してスピード感を持って変革に対応できる心構えを持ち続けることが最も重要と考えられる。

なお本系統化調査報告における執筆に際しては、以下の企業・団体から技術資料等の提供などご協力いただいたことに深く感謝する。


Contents に戻る



自動車用電動パワーステアリング技術の系統図




画像をクリックすると PDF が開きます。



自動車用電動パワーステアリング技術の系統化調査 産業技術史資料 所在確認

名称 製作年 製造社 所在地 選定理由
1 コラムアシストタイプ電動パワーステアリング 1988 年 光洋精工株式会社(現 株式会社ジェイテクト)
三菱電機株式会社
ジェイテクト本社
愛知県刈谷市朝日町一丁目 1 番地
世界初の電動パワーステアリング(EPS)として、コラムアシストタイプ電動パワーステアリングが 1988 年 3 月に鈴木自動車工業株式会社(現 スズキ株式会社)の「セルボ」の特別仕様車に搭載された。 1994 年「電動パワーステアリングの実用化」が、日刊工業新聞・環境調査センター共催の「環境賞」を自動車部品として初めて受賞した。
2 ラックアシストタイプ普通車用電動パワーステアリング 1990 年 本田技研工業株式会社 四輪事業本部 四輪開発センター
栃木県芳賀郡芳賀町下高根沢 4630
世界初の普通車用フル制御式電動パワーステアリングとして、ラックアシストタイプ電動パワーステアリングが本田技研工業株式会社から発売された新世代のスポーツカー NSX に搭載された。
3 最古の自動車・キュニョーの 3 輪蒸気自動車
―最古のステアリングを復元―
1995 年 光洋精工株式会社(現 株式会社ジェイテクト) ジェイテクト 自動車事業本部
奈良県橿原市十市町 333 番地
世界最古の自動車、キュニョーの 3 輪蒸気自動車に搭載されていた「世界最古のステアリングとされるステアリング機構」を復元した。そのステアリング機構は、ピニオンとセクタギヤ(円の一部分を利用した扇形歯車)から構成されている。ステアリングのギヤ比は、現在のマニュアルステアリングの適正ギヤ比と同等となっている。
4 ダイレクトアダプティブステアリング 2014 年 日産自動車株式会社 本社
神奈川県横浜市西区高島 1 丁目 1 番 1 号
ステアリングシャフトの途中にクラッチを設けて機械的に切り離すことでバイワイヤ動作させるシステム「ダイレクトアダプティブステアリング(DAS)」は、ステアリングの動きを電気信号に置き換えてタイヤを操舵する世界初のステアリングシステムで、応答遅れのないクイックなハンドリングと高い直進安定性をドライバに提供できるステアリングシステムとなっている。


Contents に戻る